腐蚀挂片:解析管道系统的“沉默哨兵”与腐蚀速率计算秘籍
"在石油天然气领域,金属管道的腐蚀如同“无声的威胁”,时刻侵蚀设备..."
一次讲透300系列不锈钢
"不锈钢(Stainless Steel)是不锈耐酸钢的简称,耐空气、蒸汽、水等弱..."
这种防腐方法,可能会加速钢铁腐蚀
"雄伟的跨海大桥、海中的钻井平台……人类的脚步正延伸向深海。但..."
氯离子腐蚀的常见类型
"在众多工业领域及日常生活环境中,金属材料广泛应用于各类设施与设..."
事故警示:有限空间作业,腐蚀控制是关键!
"2025年6月是第 24 个 “安全生产月”,旨在提升全社会的安全意识,筑..."
金属为什么会断?一文看懂断裂类型与防控分析策略
"在你日常生活中,是否曾遇到钥匙一扭就断了,或是看到新闻中某座桥梁..."
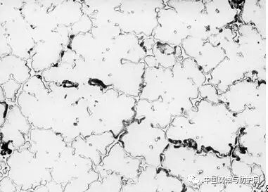
高钛马氏体时效不锈钢的疲劳裂纹扩展行为
" 钢铁材料具有易于加工、价格低廉和便于回收等特点,现已成为工业..."
氢致损伤特性与机理
"氢致损伤的本质在于氢分子在材料表面解离,以原子的形式扩散进材料..."
零件表面粗糙度、表面轮廓、纹理方向、表面硬度对耐磨性的影响
"机械零件的使用寿命在很大程度上取决于零件的耐磨性。在摩擦副的..."
金属腐蚀常见的八种形式及宏观表现
"金属腐蚀常见的八种形式及宏观表现"
航空零件典型脆性断裂原因
"航空零件的种类繁多且设计复杂,同时基于航空器高稳定性、高速、高..."
分享 | 先进的航空发动机都采用了哪些新材料?
"航空制造是高新技术最集中的领域,属于先进制造技术。比如美国普惠..."
常见的航空航天金属材料牌号卡片合集(精装版)
"常见的航空航天金属材料牌号卡片合集"
金属为什么会突然“断”?
"今天在我们的日常生活和工程建设中,金属无处不在:从桥梁、高铁,到飞..."
绿氢储输过程安全研究——氢气管道安全与材料失效机理
"管道输氢运输成本低、能耗小,可实现氢能连续性、规模化、长距离输..."
耐候钢 | 一个反常识的知识点:钢“生锈”,反而是好事?
"耐候钢的发展历史可以追溯到20世纪初,它的诞生与钢铁工业的需求和..."
底漆在防腐蚀涂层结构中的重要性
"万丈高楼平地起,形象的说明了基础是高层建筑的生命线;而底漆好比就..."
一篇文章了解:金属在各种环境中是如何被“悄悄吃掉”的
"我们生活中随处可见金属材料:桥梁、汽车、船只、输油管道、电器外..."
防锈漆与防腐漆的区别
"防锈漆是一种可保护金属表面免受大气、海水等的化学或电化学腐蚀..."
看不见的危机:老化腐蚀如何威胁生命?
" 看不见的危机老化腐蚀如何威胁生命? 6月9日22时30分福建南安市..."
隐形威胁:解密腐蚀在不同行业的具象化破坏
" PART 01 // 腐蚀——隐形威胁 损失巨大 // 与自然灾..."
细说不锈钢晶间腐蚀
"1 问题的提出 技术统一规定中通常包括“奥氏体不锈钢制容..."
揭秘铁素体到马氏体的转变之谜
" 铁碳合金是人类使用最为广泛的金属材料,不同成分的铁碳合金,组织..."
大型工程结构的腐蚀防护技术全景解析
"01 腐蚀类型
工程结构常见的腐蚀形式包括均匀腐蚀(大气腐蚀)、..."
金属材料的腐蚀种类和控制方法
" 腐蚀是自然界和工业中普遍存在的现象。在工业生产、工程施工以..."

























