金属疲劳断裂-重大装备关键金属构件的致命杀手
"金属疲劳是指金属材料在循环应力或循环应变作用下,经过一定次数的..."
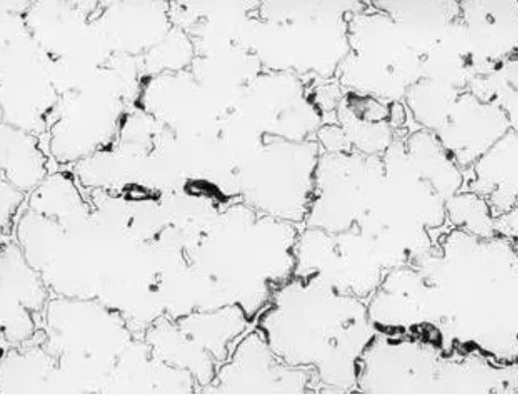
钢的显微组织缺陷辨识
"显微组织缺陷辨识是评估钢材质量和性能的关键步骤,可以帮助检测材..."
锑 VI —— 小金属大国防:锑在军工与高端技术中的重要角色
"锑(Antimony,化学符号Sb)作为一种重要的小金属元素,在现代军工和高端..."
常见金相组织的名称和特征,纯属干货!
"碳与合金元素溶解在γ-fe中的固溶体,仍保持γ-fe的面心立方晶格。..."
不锈钢的金相、特性、工艺等问题详解
"不锈钢(Stainless Steel),指耐空气、蒸汽、水等弱腐蚀介质和酸、碱..."
镁、锌、铝、钛四大合金特性对比
"随着人们生活品质的提高,对产品审美和品质的要求也在不断提升。越..."
不可错过!40年前金相大师们的作品(2)
"不可错过!40年前金相大师们的作品"
疲劳,金属的主要失效形式
"疲劳断裂是金属构件断裂的主要形式之一,在金属构件疲劳断裂失效分..."
全面细致!钢的淬火知识大全
"将钢加热到临界点Ac3(亚共析钢)或Ac1(过共析钢)以上某一温度,保温一段..."
奥氏体不锈钢中铁素体含量计算详解
"奥氏体不锈钢具有较好的耐蚀性、耐热性、耐低温性及良好的易成形..."
什么是焊接热影响区?性能如何?
"焊接热影响区(HAZ)与焊缝不同,焊缝可以通过化学成分的调整、再分配..."
金属材料力学性能与热处理工艺知识
"金属材料力学性能是指金属材料在外加载荷作用下或载荷与环境因素..."
涂料缺陷(Paint Defects)——龟裂
"非常大的裂痕或裂口,看起来类似于乌龟的背甲和鳄鱼的皮肤。裂纹甚..."
不正经!聊聊正火和退火的区别
"探索热处理的奥秘,让我们一起揭开退火与正火的神秘面纱。今天,我们..."
为什么火车的轨道不用不锈钢,而是生锈的铁?看完你就知道了
"为什么火车的轨道总是锈迹斑斑?这与建造铁轨的材料有关,下面我们就..."
引发奥氏体不锈钢晶间腐蚀的介质有哪些
"技术统一规定中通常包括“奥氏体不锈钢制容器用于可能引起晶间腐..."
摩擦磨损--不可忽视的失效模式
"网络上到处充斥着有关摩擦磨损导致的“门事件”如:“轿车发动机凸..."
技术突破之我国“卡脖子”的钢铁产品
"轴承,想必接触过机械的人们都熟悉,支撑机械旋转体,降低其摩擦系数,并..."
低空航空器中使用的复合材料
"2024年标志着中国低空经济产业的起点,它涵盖了无人机、低空飞机、..."
1875年:Nature发表的关于“氢脆”的文章
"On some remarkable changes produced in iron and steel by the..."
影响金属腐蚀的因素及其金属缓蚀剂
"金属腐蚀主要受本身的特性及其所处环境的影响。..."
材料学之组织也会遗传吗?
"非平衡组织(如马氏体、贝氏体等)的钢,如以快速或慢速加热到Ac1~Ac3..."
融雪剂对交通设施腐蚀的影响及应对策略
"融雪剂对交通设施的腐蚀已成为不可忽视的问题。目前,市面上常见的..."
一文了解先进高温合金材料
"高温合金是指以第珊主族元素(铁、钴、镍)为基,加入大量强化元素,能在..."
了解一下氢脆的概念及预防措施
" 氢脆的概念氢脆是金属材料因为吸收氢原子后而导致其延展性降低..."

























