金属材料的不连续性通常指材料在微观或宏观尺度上存在的非均匀结构,如裂纹、气孔、夹杂、分层、晶粒异常等。这些结构缺陷破坏了材料的连续性和完整性,导致局部应力集中或性能下降。
简单来说,金属材料的不连续性是指材料内部或表面出现的“不完整”或“不均匀”区域。比如:
● 金属内部有微小的气泡;
● 表面出现裂缝或划痕;
● 不同材料焊接处没有完全融合;
● 内部晶粒结构混乱或杂质混入;
这些缺陷可能从材料制造时产生,也可能在使用中因外力、腐蚀等因素逐渐形成。破坏材料的整体强度,往往是引起材料失效的根源。
分类
按形态分:点状缺陷(如气孔、夹杂物)、线状缺陷(裂纹、焊缝未熔合)、面状缺陷(分层、表面剥离)等。
按成因分:铸造缺陷(缩孔、疏松)、加工缺陷(切削裂纹、焊接气孔)、热处理不均匀(加热或冷却不均造成的不同组织转变)、成分不均匀(偏析)、服役损伤(疲劳裂纹、腐蚀坑)等。
检测方法
金属材料的不连续性检测常用的无损检测技术包括:
-
超声波检测:利用超声波在材料中的反射、衰减特性识别内部缺陷位置和尺寸。
-
电磁测:如电磁超声换能器(EMAT)技术,通过电磁感应激发表面波检测表面及近表面缺陷。
-
射线检测:X射线、CT扫描等,适用于复杂结构内部的立体缺陷成像。
-
涡流检测:通过电磁感应检测导电材料表面及近表面的裂纹、腐蚀等。
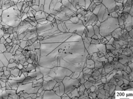
示例
• 气孔
• 缩松和缩孔
• 裂纹
• 混晶
• 夹杂
免责声明:本网站所转载的文字、图片与视频资料版权归原创作者所有,如果涉及侵权,请第一时间联系本网删除。
相关文章
无相关信息
官方微信
《腐蚀与防护网电子期刊》征订启事
- 投稿联系:编辑部
- 电话:010-62316606
- 邮箱:fsfhzy666@163.com
- 腐蚀与防护网官方QQ群:140808414
点击排行
PPT新闻
“海洋金属”——钛合金在舰船的
点击数:10496
腐蚀与“海上丝绸之路”
点击数:8110









