揭秘铁素体到马氏体的转变之谜
2025-06-23 12:03:12 作者:本网发布 来源:新材料在线 分享至:

 铁碳合金是人类使用最为广泛的金属材料,不同成分的铁碳合金,组织和性能也不相同。在研究和使用钢铁材料、制定其热加工和热处理工艺以及分析工艺废品的原因时,都需要应用铁-碳相图,可见铁-碳相图的重要性,下面小编带大家从铁-碳合金的典型组织、相图剖析及平衡结晶过程三个方面一起看看那些年我们追过的铁-碳相图。



铁-碳合金典型组织


铁素体(Ferrite)/(α-Fe)/(F)


  • 组织:碳在α-Fe中的固溶体,体心立方晶格

  • 特性:碳在α-Fe中溶解度极小,室温时仅为0.0008%,在727℃时达到最大溶解度0.0218%;

  • 性能:铁素体的力学性能特点是塑性、韧性好,而强度、硬度低;

  • 铁素体的组织为多边形晶粒,性能与纯铁相似。

铁素体晶体结构

铁素体金相图

奥氏体(Austenite)/(γ-Fe)/(A)


  • 组织:碳溶于γ-Fe中的间隙固溶体,面心立方晶格;

  • 特性:碳在γ-Fe中的溶解度要比在α-Fe中大,在727℃时为0.77%,在1148℃时溶解度最大,可达2.11%;

  • 性能:具有一定的强度和硬度,塑性和韧性也好;

  • 奥氏体组织为不规则多面体晶粒,晶界较直钢材热加工都在奥氏体区进行。

奥氏体晶体结构

奥氏体金相图

渗碳体(Cementite)/(Fe3C)/(C)


  • 组织:铁和碳的化合物(Fe3C);

  • 特性:呈复杂晶格结构的间隙化合物含碳量为6.67%,Fe3C是一种介稳态相,在一定条件下会发生分解;

  • 性能:硬度很高、耐磨,但脆性很大,塑性几乎为零;

  • 渗碳体是钢中的强化相,根据生成条件不同渗碳体有条状、网状、片状、粒状等形态。

渗碳体晶体结构

渗碳体金相图

珠光体(Pearlite)/(P)


  • 组织:由铁素体+渗碳体组成的机械混合物;

  • 特性:珠光体是过冷奥氏体等温转变产物,呈现珍珠般的光泽,根据转变温度不同珠光体分为:珠光体(P)、索氏体(S)和屈氏体(T),三者本质并无差别,转变温度逐渐降低,尺寸P>S>T;

  • 性能:力学性能介于铁素体与渗碳体之间,强度较高、硬度适中、塑性和韧性较好;

  • 显微组织为由铁素体片与渗碳体片交替排列的片状组织,高碳钢经球化退火后也可获得球状珠光体(也称粒状珠光体)。

片状珠光体金相图

粒状珠光体金相图

莱氏体(Ledeburite)/(Ld/Ld’)


  • 组织:莱氏体是奥氏体+渗碳体的机械混合物,727℃以下时,是珠光体+渗碳体机械混合物;

  • 特性:铸铁合金溶液含碳量在2.11%以上时,缓慢冷到1147℃便凝固出共晶莱氏体;1148℃~727℃之间的莱氏体称为高温莱氏体(Ld);727℃以下的莱氏体称为变态莱氏体或称低温莱氏体(Ld’);

  • 性能:莱氏体的力学性能与渗碳体相似,硬度很高,塑性极差,几乎为零;

  • 金相组织整体呈蜂窝状,奥氏体分布在渗碳体的基体上。

莱氏体金相图

贝氏体(Bainite)/(B)


  • 组织:贝氏体是铁素体+渗碳体的机械混合物,介于珠光体与马氏体之间的一种组织;

  • 上贝氏体:形成于550~450℃,基体为铁素体,条状碳化物于铁素体片边缘析出,呈羽毛状;

  • 下贝氏体:形成于300℃,呈细针片状,针状铁素体上布有小片状碳化物,片状碳化物素体的长轴大致是55°~60°角;

  • 粒状贝氏体:外形相当于多边形的铁素体,铁素体基体上布有颗粒状碳化物(小岛组织原为富碳奥氏体,冷却时分解为铁素体及碳化物,或转变为马氏体或仍为富碳奥氏体颗粒);

  • 性能:上贝氏体的强度小于同一温度形成的细片状珠光体,脆性大;在低温范围内,通过贝氏体转变得到的下贝氏体具有非常好的综合力学性能。

上贝氏体金相图

下贝氏体金相图

粒状贝氏体金相图

魏氏组织(WidmannstattenStructure)


  • 组织:固溶体发生分解时第二相沿母相的一定晶面析出的常呈三角形、正方形或十字形分布的晶型;

  • 铁素体魏氏组织:在亚共析钢中,当奥氏体以快冷速度通过Ar3~Ar1温度区时,铁素体片插向奥氏体晶粒内部,这些分布在原奥氏体晶粒内部呈片状先共析铁素体被称为铁素体魏氏组织;

  • 渗碳体魏氏组织:在过共析钢中,奥氏体晶粒度和冷却条件合适时,渗碳体以针状或扁片状、条状出现在奥氏体晶粒内部,形成渗碳体魏氏组织;

  • 性能:粗大的魏氏组织使钢材的塑性、韧性下降,脆性增加。

魏氏组织金相图

马氏体(Martensite)/(M)


  • 组织:碳在α-Fe中的过饱和固溶体称为马氏体,体心正方结构;

  • 特征:马氏体是过冷奥氏体快速冷却,在Ms与Mf点之间的切变方式发生转变的产物,分为板条状马氏体(低碳)和针状马氏体;

  • 性能:马氏体有很高的强度和硬度,但塑性很差,几乎为零,不能承受冲击载荷;

  • 板条状马氏体:又称低碳马氏体,在低、中碳钢及不锈钢中形成,由许多成群的、相互平行排列的板条所组成的板条束。空间形状是扁条状的,一个奥氏体晶粒可转变成几个板条束(通常3到5个);

  • 针状马氏体:又称片状马氏体或高碳马氏体,片状马氏体常见于高、中碳钢及高Ni的Fe-Ni合金中;当最大尺寸的马氏体片小到光学显微镜无法分辨时,便称为隐晶马氏体。在生产中正常淬火得到的马氏体,一般都是隐晶马氏体。

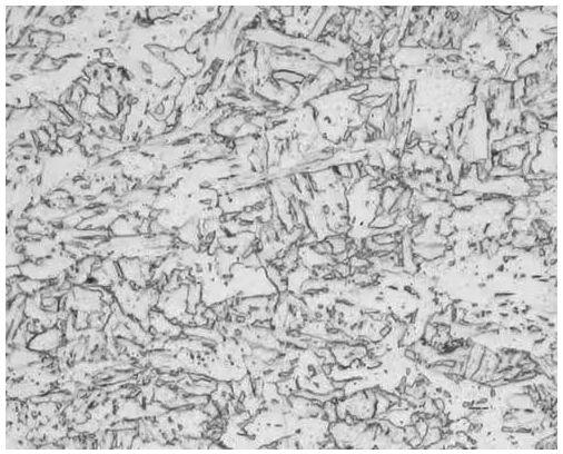
板条状马氏体金相图

针状马氏体金相图

淬火后形成的马氏体经过回火还可以形成三种特殊的金相组织:


回火马氏体:指淬火时形成的片状马氏体(晶体结构为体心四方)于回火第一阶段发生分解—其中的碳以过渡碳化物的形式脱溶—所形成的、在固溶体基体(晶体结构已变为体心立方)内弥散分布着极其细小的过渡碳化物薄片(与基体的界面是共格界面)的复相组织;这种组织在金相(光学)显微镜下即使放大到最大倍率也分辨不出其内部构造,只看到其整体是黑针(黑针的外形与淬火时形成的片状马氏体(亦称“α马氏体”)的白针基本相同),这种黑针称为“回火马氏体”。

回火马氏体金相图


回火索氏体:淬火马氏体经高温回火后的产物。其特征是:索氏体基体上布有细小颗粒状碳化物,在光镜下能分辨清楚。这种组织又称调质组织,它具有良好的强度和韧性的配合。铁素体上的细颗粒状碳化物越是细小,则其硬度和强度稍高,韧性则稍差些;反之,硬度及强度较低,而韧性则高些。

回火索氏体金相图


回火屈氏体:淬火马氏体经中温回火的产物,其特征是:马氏体针状形态将逐步消失,但仍隐约可见(含铬合金钢,其合金铁素体的再结晶温度较高,故仍保持着针状形态),析出的碳化物细小,在光镜下难以分辨清楚,只有电镜下才可见到碳化物颗粒,极易受侵蚀而使组织变黑。如果回火温度偏上限或保留时间稍长,则使针叶呈白色;此时碳化物偏聚于针叶边缘,这时钢的硬度稍低,且强度下降。

回火屈氏体金相图




铁-碳相图剖析


铁-碳相图


基于Fe-Fe3C相图的Fe-C合金分类:

  • 工业纯铁(Pure Iron)(含碳<0.0218%);

  • 亚共析钢(Hypo-EutectoidSteel)(含碳<0.77%);

  • 共析钢(Eutectoid Steel)(含碳为0.77%);

  • 过共析钢(Hyper-EutectoidSteel)(含碳>0.77%);

  • 亚共晶白铸铁(Hypo-EutecticWhite Cast Iron)(含碳<4.3%);

  • 共晶白铸铁(EutecticWhite Cast Iron)(含碳为4.3%);

  • 过共晶白铸铁(Hyper-EutecticWhite Cast Iron)(含碳>4.3%)。

  • 三大反应:

包晶反应(Peritectic Reactions)

其特征是首先晶出之初晶固溶体与周围残留液体间发生反应, 而生成第二种固溶体,将原来的初晶包起来;

包晶反应式:LB+ δ → AJ。


共晶反应(Eutectic Reactions)

是由一种液体同时析出两种不同的固体;

共晶反应式:LC→AE+Fe3C。


共析反应(Eutectoid Reactions)

是由一种固体同时析出两种不同的固体;

共析反应式:AS→FP+Fe3C。


特征点汇总表


特征线汇总表





铁-碳合金的平衡结晶过程


工业纯铁


工业纯铁平衡结晶示意图


     工业纯铁室温下组织为:铁素体(F)+三次渗碳体(Fe3CⅢ)。

工业纯铁典型金相图

亚共析钢


亚共析钢平衡结晶示意图

亚共析钢典型金相图


      亚共析钢结晶过程的基本反应为:匀晶反应+包晶反应+固溶体转变反应+共析反应。


     亚共析钢室温平衡组织:先析铁素体(F)+珠光体(P),P的量随含碳量增加而增加。

共析钢


共析钢平衡结晶示意图


     共析钢结晶过程的基本反应为:匀晶反应+共析反应。共析钢室温组织为:100%的珠光体(P),铁素体和渗碳体相的相对重量比为8:1。

共析钢典型金相图

过共析钢


过共析钢平衡结晶示意图


     过共析钢结晶过程的基本反应为:匀晶反应+二次析出反应+共析反应。


     共析钢室温组织为:珠光体(P)+二次渗碳体(Fe3C),Fe3C沿奥氏体晶界呈网状析出,使材料的整体脆性加大。

过共析钢典型金相图

亚共晶白口铸铁


亚共晶铸铁平衡结晶示意图


     亚共晶白口铸铁结晶过程的基本反应为:匀晶反应+共晶反应+二次析出反应+共析反应。


     亚共晶白口铸铁室温组织为:珠光体(P)+二次渗碳体(Fe3C)+低温莱氏体(Ld’)。

亚共晶铸铁典型金相图

共晶白口铸铁


共晶铸铁平衡结晶示意图


     共晶白口铸铁结晶过程的基本反应为:共晶反应+二次析出反应+共析反应。


     共晶白口铸铁室温组织为:低温莱氏体(Ld’)。

共晶铸铁典型金相图

过共晶白口铸铁


过共晶铸铁平衡结晶示意图


     过共晶白口铸铁结晶过程的基本反应为:匀晶反应+共晶反应+二次析出反应+共析反应。


     过共晶白口铸铁室温组织为:一次渗碳体(Fe3C)+低温莱氏体(Ld’)。

过共晶白口铸铁典型金相图

免责声明:本网站所转载的文字、图片与视频资料版权归原创作者所有,如果涉及侵权,请第一时间联系本网删除。

    标签:
相关文章
无相关信息