【71李金梅】低合金钢经4%硝酸酒精溶液侵蚀后,针状先共析铁素体沿原奥氏体晶界析出,向内部生长,平行排列。就像大海平面风浪乍起时景象。

【72张宝燕】材料介绍:H13(4Cr5MoSiV1)模具钢。仪器:Zeiss Suppra55型场发射扫描电子显微镜。作品描述:H13钢球化退火保温一段时间直接淬火得到基体马氏体+球状碳化物。

【73张宝燕】材料介绍:Cu粉。仪器:Zeiss Suppra55型场发射扫描电子显微镜。作品描述:球形Cu粉形貌—300目。

【74张宝燕】材料介绍:Fe-Mn合金。仪器:Zeiss Suppra55型场发射扫描电子显微镜。作品描述:Fe-Mn阻尼合金在一定的诱发变形下形成的马氏体。

【75宋娟】灰口铸铁球座-徕卡MEF4M金相显微镜-片层石墨+珠光体组织。

【76宋娟】石墨铸铁球座-徕卡MEF4M金相显微镜-表面渗硼层组织。

【77朱丽霞】G105钻杆接头表面堆焊耐磨带-徕卡MEF4M金相显微镜-固溶体和碳化物的共晶体。

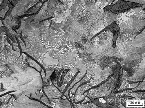
【78朱丽霞】钛棒-徕卡MEF4M金相显微镜-钛合金组织α+β。

【79瞿婷婷】2Cr13燃气表阀门-徕卡MEF4M金相显微镜-珠光体+铁素体+魏氏组织。

【80孙晶】Mg-8%Al-2%Ga镁合金铸态组织。仪器:JXJ-100型金相显微镜。作品描述:Mg-8%Al-2%Ga镁合金铸态组织 黑色为α-Mg(Al)基体,灰色大块状为β-Mg17Al12,灰色片状为凝固后由α-Mg(Al)析出的次生β-Mg17Al12。
免责声明:本网站所转载的文字、图片与视频资料版权归原创作者所有,如果涉及侵权,请第一时间联系本网删除。
相关文章
官方微信
《中国腐蚀与防护网电子期刊》征订启事
- 投稿联系:编辑部
- 电话:010-62316606-806
- 邮箱:fsfhzy666@163.com
- 中国腐蚀与防护网官方QQ群:140808414
点击排行
PPT新闻
“海洋金属”——钛合金在舰船的
点击数:8125
腐蚀与“海上丝绸之路”
点击数:6461



