【61王元瑞】材料:321 不锈钢。仪器:ZEISSObserver.Z1m(明场)。侵蚀方法:水+盐酸+偏重亚硫酸钾。组织说明:奥氏体;采用彩色金相法侵蚀+明场拍摄,使奥氏体晶粒和孪晶按其不同的晶体学位向染成不同颜色。

【62王元瑞】材料:ZL111 铝锭。拍摄仪器:Leica DM5000 光学显微镜(明场)。侵蚀方法:0.5%HF,混合酸,20%硫酸等试剂。组织说明:α(Al)+共晶Si+海蓝色Mg2Si 相+亮色Al2Cu 相+棕红色W(AlxCu4Mg4Si4)相+浅灰色Al8FeMg3Si6 相+咖啡色AlFeMnSi 相;选取不同的试剂来显示各个相的形貌。

【63胡清华】材料:SEM图片由板厚为δ=6mm的06Cr19Ni10奥氏体不锈钢进行低温冲击试验制备。作品描述:SEM照片可看出试样断口主要呈韧窝状花样,并且是等轴韧窝,大小也分布的比较均匀,形状较为美观。

【64田真】材料:球墨铸铁。处理工艺:等温淬火。侵蚀方法:4%硝酸酒精溶液。拍摄条件:LeicaDM2700M金相显微镜正交偏光下拍摄。组织说明:球状石墨+马氏体+下贝氏体,其余为残余奥氏体。天际霞光入水中,水中天际一时红。直须日观三更后,首送金乌上碧空。——《晓日》唐·韩偓。

【65余成龙】荷电黑洞。对陶瓷密封小球蒸镀碳膜处理,并利用扫描电镜进行观察:由于电子束辐照导致荷电效应,在球面顶端出现类似黑洞的现象。

【66余成龙】6进口A2中的美丽“珍珠”。进口A2是美国高韧性耐磨工具钢,球化退火后经4%硝酸酒精溶液腐蚀,出现球状珠光体。

【67刘兴智】仪器:徕卡leica DMILM倒置金相显微镜。作品名称:表面防护后的折叠腐蚀。作品介绍:锌镍渗层表面防护的螺栓(材料Q235)中性盐雾试验时齿顶红锈。在红锈处解剖,螺栓在制作时有折叠,因毛细作用吸入盐水,基体中的折叠因腐蚀出现宽化,而与渗层相邻的折叠未受腐蚀,沿齿边缘分布的白色区域是制备渗层时的扩散层。

【68李如】材料介绍:钢材38CrMoAl的断口形貌。仪器:扫描电子显微镜。作品描述:38CrMoAl钢材的断口呈现出像荷叶状的形貌,上面好像点缀着点点水珠。

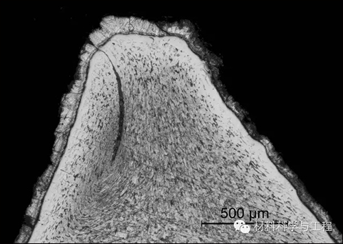
【69梁永新】材料:烧结钕铁硼。仪器:MDS光学显微镜。作品描述:钕铁硼的制造工艺从铸锭发展到铸片,这里展示相同配方铸锭和铸片的不同。铸锭中晶粒粗大,α-Fe分布明显,对后期制造不利。铸片中没有α-Fe出现,结晶细密。此作品可作为铸片生产推广使用的良证。

【70吴春晖】均质后6082铝棒微观组织形貌。金相显微镜。骨骼状AlFeSi相,晶内点状及针状Mg2Si弥散相,还有晶界上颗粒状Mg2Si颜色形状分明。
免责声明:本网站所转载的文字、图片与视频资料版权归原创作者所有,如果涉及侵权,请第一时间联系本网删除。
官方微信
《中国腐蚀与防护网电子期刊》征订启事
- 投稿联系:编辑部
- 电话:010-62316606-806
- 邮箱:fsfhzy666@163.com
- 中国腐蚀与防护网官方QQ群:140808414



