高温合金是指以铁、镍、钴为基,能在600℃以上的高温及一定应力作用下长期工作的一类金属材料,具有优异的高温强度,良好的抗氧化和抗热腐蚀性能,良好的疲劳性能、断裂韧性等综合性能,又被称为“超合金,”主要应用于航空航天领域和能源领域。
高温合金的分类
1 按成型工艺分:
(1)变形高温合金
这是根据所需零部件的要求,通过冷、热变形等工艺加工成的一类传统的高温合金材料,也是目前我国生产和研制新型航空发动机的最主要材料之一,在国内外都得到了广泛应用。随着生产工艺的不断改进,变形高温合金的使用量开始减少,但是在较长的时间内仍会占据主要地位。近年来,我国科技人员解决了高温合金热变形加工中存在的关键性问题,在许多高难度变形高温合金构件的制造研发中取得了重大成果,其中有我国自主研发的GH4169变形高温合金。
(2)铸造高温合金
这是一类通过铸造的方法,直接加工所需构件的高温合金材料,具有合金化程度高、抗蠕变性能好等特点。近年来,用于航空发动机的材料已经逐步转换为铸造高温合金,其中高温合金K403具备优良的铸造性能,可制造复杂的精铸件。
(3)粉末高温合金
这是一类以精细金属粉末为原料,采用热等静压和等温锻造等方法加工而成的高温合金材料。粉末高温合金解决了传统高温合金偏析严重、成型困难等问题,具有屈服强度高、晶粒细小、疲劳性能优异等特点,例如我国自主研发生产的FGH96合金是生产航空发动机的涡轮盘的首选材料。
2 按基体元素分
(1)铁基高温合金
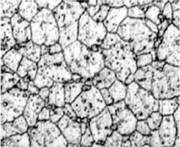
该类高温合金以铁(Fe)为主要基体,并加入了不同比例的镍(Ni)、铬(Cr)等合金元素,制造成本较低,多用于工作温度低的环境,如使用温度较低的燃气机的涡轮盘,以及一些承力件和紧固件。如图所示为铁基合金GH1311的金相组织。从图中可以看出,铁基高温合金的显微组织由一些等轴状的多边形晶粒构成,属于典型的奥氏体结构,保证了铁基高温合金具有足够的强度和一定的韧性。相对于其他2类高温合金,铁基高温合金存在组织不够稳定、抗氧化能力差、使用温度较低等缺点。

铁基合金GH1311的金相组织
(2)镍基高温合金
该类高温合金以Ni为主要基体,并在基体中溶入了多种合金元素。如下图所示为镍基合金Inconel718的金相组织。从图中可以看出,镍基高温合金也是以奥氏体为基体的一类合金材料,但其材料组织分布更为紧密,表现出更好的组织稳定性。相对于铁基高温合金,镍基高温合金中加入了更多种类的强化元素,保证了镍基高温合金具有更好的组织稳定性和耐腐蚀性,工作温度更高。相对于其他2种类型的高温合金,镍基高温合金存在疲劳性能差、塑性较低的缺点。

镍基合金Inconel 718的金相组织
(3)钴基高温合金
该类高温合金以钴(Co)为基体,合金中Co元素比例占60%以上,同时在基体中还溶入了不同比例的Ni、Cr等合金元素,增强了耐热性能,是目前综合性能最为优异的一类高温合金;但是,由于全球金属钴的产量相对缺乏,因此该类型高温合金应用并不广泛。
目前,从高温合金的应用情况来看,镍基高温合金是使用最多的一类高温合金,大部分航天发动机的涡轮叶片都采用镍基合金制造。
3 按合金强化类型分
根据合金强化工艺,高温合金主要分为固溶强化高温合金和时效强化高温合金2类。固溶强化处理是指在高温合金中加入一定比例的合金元素,使其形成单相奥氏体组织,合金中的溶质原子和位错相互作用使固溶体内点阵发生畸变,固溶体中滑移难以进行,位错阻力增大,进而使合金得到强化。时效强化是指固溶处理完成后,将高温合金在一定温度下放置,使固溶的合金元素析出,形成弥散的硬质点,使合金性能进一步强化的一种工艺。
4 按制备工艺分

高温合金的性能
01 热强度高
高温合金的热稳定性能优良,在600~1200℃的高温环境中仍然可以保持较高的强度,能满足长时间高温作业的要求。
02 组织性能稳定
通常来说,合金中γ‘相的形态改变(具体包括形状、尺寸、分布和含量等方面)会直接影响合金组织的稳定性。高温合金中含有铌(Nb)、钛(Ti)、铝(Al)等典型的强化元素,通过调整这些强化元素的比例,可以充分发挥γ’相的稳定性好和γ″相的高强化效果,使高温合金具有优于其他合金的组织稳定性。
03 抗氧化、抗腐蚀性好
在铁基合金中,为了改善其热强性能,需加入Cr、Mo、V等元素。同样,在镍基合金中,为了增强原子间结合力和减缓扩散,在其中需加入Cr、W、Mo元素。这些元素不仅提高了热强度,而且明显改善这类高温合金的抗氧化、耐腐蚀能力,其中Cr、Mo、W等元素可以改善合金在氧化性腐蚀介质中的耐蚀性,提高局部耐腐蚀性。
此外,高温合金具有硬度大、熔点高、无毒、抗蠕变性能优异等特点,可以保证它们在复杂恶劣的工作条件下仍然能够具有良好的综合性能,发挥其核心作用。
高温合金的切削加工特点
1 切削力大
高温合金材料具有较多的硬质结合物和稳定的微观结构,在切削加工过程中会产生特别强的抵抗变形的力,而且在相同的条件下,高温合金与普通碳钢相比,摩擦系数较大,切屑时刀具与工件的接触面会产生较大的摩擦力。
2 切削温度高
高温合金具有较高的屈服强度,在切削加工过程中会产生较大的塑性变形,进而产生大量的切削热,而且高温合金的导热系数仅为普通钢的1/3,小于大多数合金材料的导热系数,因此产生的热量无法及时散出,产生很高的切削温度。此外,刀具与产生的切屑接触面积小,切削时产生的热量容易积聚在切削刃附近,导致刀具温度急剧升高,加快刀具的损耗。
3 加工硬化严重
加工硬化是高温合金加工过程中不可避免的现象。一方面,高温合金具有较高的塑性和韧性,在刀具刃口和后刀面的挤压和摩擦作用下,已加工表面的材料会产生明显的塑性变形,导致强度和硬度的增加;另一方面,高温合金的切削加工会产生较高的切削温度,导致合金中的强化相从固溶体中析出,并呈弥散相分布,使加工硬化现象变得更为明显。
4 刀具磨损严重
在切削高温合金的过程中存在的切削温度高和加工硬化严重等现象加剧了刀具的磨损,使刀具在很短的周期内无法继续使用。
5 排屑困难
由于高温合金具有塑性好、强度高、切屑不易断等特点,因此产生的切屑容易与工件和刀具产生缠绕。这种现象会影响刀具使用寿命,降低加工效率,同时也对切削加工质量产生了不利的影响,如在加工表面产生严重的划痕等。
高温合金牌号
1、国外牌号
国外高温合金牌号按生产厂家的注册商标命名:

2、国内牌号
命名规则
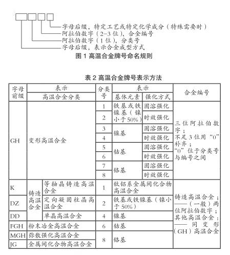
与国外各制造商各自形成高温合金体系标准不同,我国高温合金建立了统一的高温合金命名规则:GB/T14992《高温合金和金属间化合物高温材料的分类和牌号》。我国高温合金牌号的命名采用字母加阿拉伯数字相结合的方法表示,以合金成型方式、基体元素和强化方式、合金编号的顺序构建了完整体系。其中,合金成型方式有变形高温合金、铸造高温合金(包括等轴晶铸造高温合金、定向凝固柱晶高温合金和单晶高温合金)、焊接用高温合金丝、粉末冶金高温合金、弥散强化高温合金和金属间化合物高温材料之分;在这些不同合金成型方式之下,再分铁基、镍基、钴基及铬基合金;在相同基体之下,又分固溶强化和时效强化类型等。高温合金牌号的命名规则如下图。

表示方法
牌号前缀表示方法:

阿拉伯数字的表示方法:
表示方法分为两类:
变形高温合金和焊接用高温合金丝牌号中数字的表示方法
其他高温合金和金属间化合物高温材料牌号中数字的表示方法
变形高温合金和焊接用高温合金丝
前缀后采用四位阿拉伯数字。第一位数字表示合金的分类号;第二至四位数字表示合金编号,不足数的合金编号用“0”补齐。“0”放在第一位表示分类号的数字与合金编号之间。
分类号单双数的选择,按合金主要使用的强化类型确定。焊接用高温合金丝牌号中的第一位数字没有强化类型的含义,沿用变形高温合金牌号的数字。

其他高温合金和金属间化合物高温材料
铸造高温合金前缀后一般采用三位阿拉伯数字;粉末冶金高温合金、弥散强化高温合金、金属间化合物高温材料前缀后采用四位阿拉伯数字。同样,第一位数字表示合金分类号,后面几位数字表示合金编号。

高温合金发展前景
含铼单晶叶片的研究
在单晶的成分设计中,要兼顾合金性能和工艺性能,由于单晶中不存在晶界,并应用在较为苛刻的环境下,所以引入了某些具有特殊作用的合金元素。随着单晶合金的发展,合金的化学成分具有如下变化趋势:引入Re元素,引入Ru、Ir等铂族元素,增加难熔元素W、Mo、Re、Ta的含量;难熔元素的加入总量增加,C、B、Hf等元素从“完全去除”转为“限量使用”;降低Cr含量从而允许加入更多其他的合金化元素而保持组织稳定。
含铼单晶叶片大幅提升了其耐温能力及蠕变强度。以PW公司的PWA1484、RR的CMSX-4,GE公司的Rene′N5为代表的第二代单晶合金与第一代单晶合金相比,通过加入3%的铼元素、适当增大了钴和钼元素的含量,使其工作温度提高了30℃,持久强度与抗氧化腐蚀能力达到很好的平衡。
含铼单晶叶片是未来航空发动机涡轮叶片的趋势。单晶叶片由于其耐温能力、蠕变强度、热疲劳强度、抗氧化性能和抗腐蚀特性较定向凝固柱晶合金有了显著提高,从而很快得到了航空燃气涡轮发动机界的普遍认可,几乎所有先进航空发动机都采用了单晶合金用作涡轮叶片。
新型高温合金的研究
市场分析新型高温合金主要包括:粉末高温合金、金属间化合物、ODS合金和高温金属自润材料等四种:
(1)粉末高温合金技术:FGH51粉末高温合金是采用粉末冶金工艺制备的相沉淀强化型镍基高温合金。合金盘件的制造工艺路线是采用真空感应熔炼制取母合金,然后雾化制取预合金粉末,进而制成零件毛坯。与同类铸、锻高温合金相比,它具有组织均匀、晶粒细小、屈服度高和疲劳性能好等优点,是当前650℃工作条件下强度水平最高的一种高温合金。该种高温金主要用于高性能发动机的转动部件,如涡轮盘和承力环件等;
(2)金属间化合物用于制作各类先进运载工具动力推进系统的构件,减少自重、提高效能;
(3)ODS合金具有优良的高温蠕变性能、高温抗氧化性能、抗碳、硫腐蚀性能,可用于制造发动机关键部件,也可用于火力发电系统、煤气化炉、工业燃气轮机和工业锅炉、玻璃制造、汽车柴油发动机、核反应堆等;
(4)高温金属基自润滑材料主要用于生产高温自润滑轴承,主要用于替代含油轴承、镶嵌式固体自润滑轴承、双金属轴瓦及铸硫钢固体润滑轴承(包括铸钢表面硫化处理轴承)在冶金设备上的应用,该高温自润滑轴承具有强度高、承载能力大、润滑效果好、结构设计合理、噪音小、使用寿命长等优点。
高温合金标准

我国高温合金标准化近期发展规划
高温合金作为航空、航天、石油化工、能源等各个重要领域的关键战略材料,在中美关系日益紧张的世界环境下,早日实现我国高温合金的全自主研发和进口替代,解决各项“卡脖子”技术是我国近些年来的重点关注方向。近年来,国家相继出台的一系列新材料发展规划,如:《中国制造2025》、《关于加快新材料产业创新发展的指导意见》(2016年)、《新材料产业发展指南》(2017年)、《新材料标准领航行动计划(2018-2020年)》(2018年)等,均将高温合金作为高端装备用重点产品。这是我国高温合金发展的重要机遇。标准是保证和提高产品质量的依据,是产品进入国际国内市场的必备条件,因此,加快高温合金,尤其是高端高温合金标准的研制是促进我国工业发展的技术基础。
为了促进我国重要领域用高温合金实现国产化,实现进口替代,使我国高温合金的质量有新的突破,达到国外先进水平,全国钢标准化委员会专门组织国内有关单位的专家开展了我国高温合金标准体系的研究,提出了新的高温合金标准体系建设方案如下图。还制定了标准制修订路线图,按计划分步实施。截至目前,在研的标准项目有3项,均已处于立项阶段。
参考文献:王琳《我国高温合金标准体系现状与发展》.世界金属导报
免责声明:本网站所转载的文字、图片与视频资料版权归原创作者所有,如果涉及侵权,请第一时间联系本网删除。
官方微信
《中国腐蚀与防护网电子期刊》征订启事
- 投稿联系:编辑部
- 电话:010-62316606-806
- 邮箱:fsfhzy666@163.com
- 中国腐蚀与防护网官方QQ群:140808414



