气相缓蚀剂 | 起猛了!看见坦克被“打包装袋”了
"你知道吗?坦克是要防锈的!跟军事频道总台记者吴杰走进主战坦克维护..."
材料性能大比拼:如何选择最合适的材料?
"金属:硬度较高,具有相对较高的弹性模量。一般情况下,纯金属较软且..."
原来月球真的会“生锈”!
"在地球上,铁制品暴露在潮湿空气中会生锈,本质上是金属铁原子邂逅氧..."
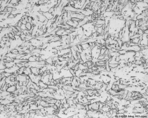
核电用奥氏体不锈钢电渣重熔夹杂物形貌特征
"不锈钢中的非金属夹杂物是影响其产品品质的关键因素,尤其在核电领..."
20种材料彩色金相详解!
"奥氏体是一般钢在高温下的组织,其存在有一定的温度和成分范围。有..."
一文探索蠕变背后的变形与断裂之谜
"这就是金属的蠕变——一场在肉眼难以察觉的尺度上,时间与力量之间..."
一文读懂轻如羽,坚如钢的钛合金
"钛,是一种重要的金属元素,其物理和化学性质如图1所示。钛在元素周..."
一文了解智能防腐涂料,收藏+1
"外援型自修复机制,其自修复过程依赖于两种成分的组合,即修复剂(单体..."
一文读懂轻如羽,坚如钢的钛合金
"钛,是一种重要的金属元素,其物理和化学性质如图1所示。钛在元素周..."
13种元素高熵合金
"元素高熵合金(High-entropy alloys,HEAs)是指由五种或更多原子浓度..."
一文读懂轻如羽,坚如钢的钛合金
"钛,是一种重要的金属元素,其物理和化学性质如图1所示。钛在元素周..."
航母与核潜艇用钢大揭秘!
"航母用钢是衡量一个国家钢铁工业乃至综合国力的重要标尺。这看似..."
金属腐蚀的种类和防腐方法
"据报道,全世界每年约有年产量30%的钢铁遭腐蚀(主要是电化学腐蚀),我..."
服役条件严苛且周期长,核潜艇外壳用钢可不简单,中国有何妙招?
"钢铁,作为全世界年消耗量超过25亿吨的基本材料,被称为“工业的骨骼..."
揭秘船舶防腐蚀的神奇铠甲及其背后科技
"在广袤无垠的海洋中,船舶不仅需要应对狂风巨浪的考验,还要抵御腐蚀..."
13种元素高熵合金
"元素高熵合金(High-entropy alloys,HEAs)是指由五种或更多原子浓度..."
一篇文章了解:金属在各种环境中是如何被“悄悄吃掉”的
"我们生活中随处可见金属材料:桥梁、汽车、船只、输油管道、电器外..."
“蚀”界由此改变
"在我们的身边潜伏着一位破坏者它无声无息,却危害巨大,它就是腐蚀..."
大型工程结构的腐蚀防护技术全景解析
"工程结构常见的腐蚀形式包括均匀腐蚀(大气腐蚀)、电化学腐蚀(包括电..."
赶紧收藏!!!最全的金属管道腐蚀种类和机理分析
"金属腐蚀的危害性是十分普遍的,而且也是十分严重的。腐蚀会造成重..."
铁碳合金平衡组织观察
"掌握铁探合金平衡组织的组织形态以及含碳量与组织、性能之间的关..."
焊缝中会产生哪几种偏析现象?
"合金中各组成元素在结晶时分布不均匀的现象称为偏析。焊接熔池一..."
隐晶马氏体的组织特征与性能分析
"在金属材料学中,隐晶马氏体(亦称隐针马氏体)是高碳钢淬火后常见的一..."
7075和6061铝合金的区别
" 7075含其他金属比例高,所以焊接,处理都比较困难,它的比例更高,所以..."
环氧树脂的固化机理及其常用固化剂
"环氧树脂,作为一种重要的高分子材料,以其独特的性能在多个领域得到..."






















