百看不厌的金相基本组织知识
"现代材料可以分为四大类——金属、高分子、陶瓷和复合材料。尽管..."
稀土元素在钢中的作用
"稀土元素是指原子序数从57到71的镧系15个元素和化学性质相近的Sc..."
什么是碱脆?如何防止碱脆?
" 碱脆(又称苛性脆化Caustic Cracking,碱致应力腐蚀开裂CSCC或ASCC)..."
创意电荷自修复涂料,为金属穿上“隐形盔甲”!
"自修复涂料是一种具有自修复功能的智能涂料。在各种自修复涂层中..."
钢铁材料中非金属夹杂物对产品质量的影响与控制研究
"钢铁制品的质量受到非金属夹杂物的影响,此研究旨在探讨非金属夹杂..."
常见的金相组织有下列八种
"现代材料可以分为四大类——金属、高分子、陶瓷和复合材料。尽管..."
一文详解氢冶金
"2019年,电力、钢铁、水泥和煤化工行业合计煤耗占比超过86%,四个行..."
铸造工艺最全详解!
"液态金属浇注到与零件形状、尺寸相适应的铸型型腔中,待其冷却凝固..."
天安门广场国旗杆“长高”背后的钢铁力量
"1949年10月1日,毛主席在天安门城楼按下控制按钮,启动中国第一个电..."
揭秘!华为三折叠的关键性涂层材料
"作为全球首个商用三折叠手机,华为Mate XT自面世以来热度居高不下..."
分享 | 20种材料彩色金相
"下面展示的是20种材料的金相,有浸蚀方法、放大倍数,以及你们识别的..."
分享 | 航空航天发动机所使用的高端材料
"航空航天发动机发展水平是一国综合国力、工业基础和科技水平的集..."
什么是碱脆?如何防止碱脆?
"碱脆(又称苛性脆化Caustic Cracking,碱致应力腐蚀开裂CSCC或ASCC),..."
船舶如何抵抗海上腐蚀?
"对于任何与金属相关的行业(包括航运业)来说,腐蚀都是一个主要问题。..."
黄河大铁牛和沧州铁狮子-铁是怎么锈的?
"【黄河大铁牛——1998年8月由永济市博物馆在蒲津渡遗址上发掘出..."
碳钢平均腐蚀速率和最大点腐蚀速率的分级(参考NACE SP0775-2023)
"国内油气田针对污水处理系统执行SY/T5329-94 《碎屑岩油藏注水水..."
奇迹!印度6吨铁柱历经1500年几乎无锈,耐腐蚀率高达99%
"德里铁柱耸立在印度首都新德里Quwwat-ul清真寺。德里铁柱铸造于..."
锂电池容量衰退分析:集流体腐蚀和活性材料损失!
"本文综合分析了锂离子电池容量衰退机理,对影响锂离子电池老化与寿..."
铜铝发生电化学腐蚀,然铜铝过渡端子为什么不发生电化学腐蚀?
"铜铝发生电化学腐蚀,然铜铝过渡端子为什么不发生电化学腐蚀?..."
中国石化化工装置腐蚀现状和下一步防腐蚀策略
"中国石油化工股份有限公司化工事业部副总经理邱宏斌作了大会主题..."
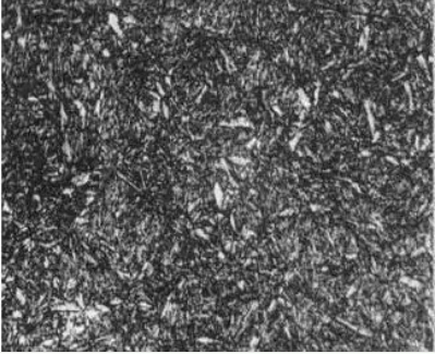
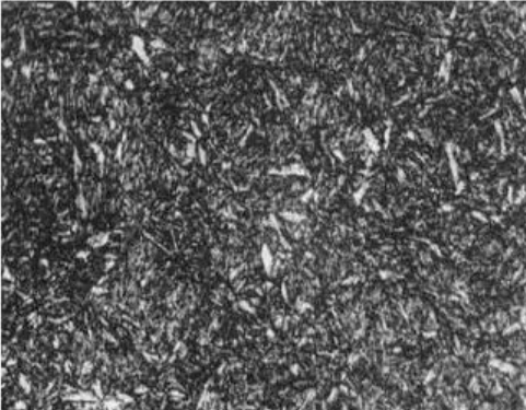
钢中的马、贝、珠各种组织傻傻分不清?
"上贝氏体形成于贝氏体转变区较高温度范围,中、高碳钢大约在350-55..."
氢致开裂HIC试验溶液、试验周期、裂纹指标
"参考NACE TM 0284-2016,Test method - Evaluation of pipeline an..."
广东省科学院:揭示纳米Ti/AZ31复合材料的界面结合与增强机制!
"镁基复合材料是一种以镁或镁合金为基体,通过添加一种或多种增强相..."
高熵合金进展汇总
"材料人网产品板块致力于收录有价值的新材料成果。欢迎课题组和企..."
关于锅炉的腐蚀知识整理
" 提到腐蚀,我们首先要知道腐蚀的定义:腐蚀是指金属表面和周围介质..."

























