韧性断裂、脆性断裂、疲劳断裂、准解理断裂、沿晶断裂…都是怎么区分的呢?实际中,根据金属材料在断裂前是否发生明显的宏观塑性变形(伸长和缩颈),即断面收缩率是否大于5%,可以将金属断口分为韧性(延性)断口和脆性(解理)断口两个大类。其他也根据实际断口分为准解离断裂、疲劳断裂。
韧性断裂,又称延性或塑性断裂。材料在超过可承载的屈服强度后,在断裂前产生明显的宏观塑性变形的现象。断口呈暗灰色,宏观一般呈现杯锥状、凿峰状、纯剪切断口特征。在SEM扫描电子显微镜下,可以看到韧窝,如下图所示,韧窝周围的白色脊线称为撕裂棱。
韧窝的形成机理:由内部微观的材料缺陷(空穴、第二相质点、微裂纹、夹杂物、晶界、相界等)为核,形成微孔,在加载力的作用下长大和连结,形成空洞(裂纹扩展阶段),空洞连接最终金属断裂。这个过程需要吸收大量的能量,通常需要长时间形变积累。
断口的三个典型区域:纤维区、放射区和剪切唇区。如下图所示静拉伸示意图,纤维区通常为断裂源区,下图中位于断口的中央,是材料处于平面应变状态下发生的正断裂,呈粗糙的纤维状;而后是放射区,是裂纹由缓慢扩展向快速不稳定扩展转化的区域,通常呈放射状花样;剪切唇区为终断区,呈光滑的剪切面,与拉伸应力呈45°角。
脆性(解理)断裂:解理断裂也称脆性断裂,顾名思义,解开晶体材料原本的结合键,沿一定的晶体学平面分离,如:体心立方铁为{100}晶面,六方晶系镁{0001)晶面等。在断裂前基本上不产生明显的宏观塑性变形,通常是突然发生的断裂,没有明显前兆,危害较大。断口在宏观上看较为平齐,光亮。主要特征有三种:解理台阶、河流状花样和舌状花样。
解理台阶是脆性断口最明显的特征,因为金属内部村子啊位错、晶界等,使得晶体的晶面相互是成一定角度的,裂纹沿着一定的晶面或者滑移面、孪晶面扩展,形成的一簇相互平行的、位于不同高度的台阶面。河流状花样由于裂纹沿着不同方向的晶面扩展,汇聚众多解理台阶形成。舌状花样是由于裂纹在某一扩展方向上遇到阻碍,改变方向而形成的一种舌状突出或凹陷。
根据裂纹扩展途径,可分为穿晶断裂和沿晶(晶界)断裂两种。顾名思义,穿越晶粒内部的断裂为穿晶断裂;沿着晶界扩展的断裂为沿晶断裂。一般情况下,晶界是强化因素,结合力较高。但如果热处理不当、材料缺陷或环境状态等因素使晶界被弱化,结合力下降,晶界变成了“分割线”,材料就会发生沿晶断裂。沿晶断裂一般有以下几种原因:
1. 晶界上有脆性沉淀相。例如,渗碳过程温度或者碳势过高,会在晶界上析出连续的碳化物网状相,导致晶界脆性增加,发生沿晶断裂。
2. 晶界有使其弱化的夹杂物。例如,钢中含有P、S、As、Sb、Sn 等元素,在晶界上形成低熔点的偏析相或夹杂物,降低晶界的结合力和塑性。
3.环境因素造成的晶界弱化或脆化。例如,高温蠕变条件下的晶界弱化,应力腐蚀条件下晶界易于优先腐蚀,酸洗后未去氢处理H原子聚集在晶界上等,均促使沿晶断裂产生。
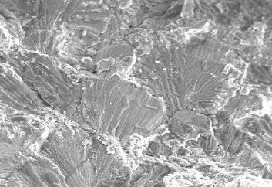
沿晶断口的形貌取决于材料本身晶粒的形状。一般来说,沿晶断口呈现不同程度的晶粒多面体外形的岩石状花样或粒状花样,晶粒明显,且立体感强,断口颜色较深。在扫描电子显微镜下,可以看到沿着晶界扩展的裂纹和微孔聚合型或脆性薄层分裂型的断裂特征。
疲劳断裂,是材料在低于断裂强度的交变应力作用下发生的断裂,通常表现为穿晶断裂。宏观形貌区别于其他断口,具有独特的形貌,通常可分为:疲劳源区、扩展区、瞬断区。断口上有疲劳条带、疲劳辉纹等特征。通过观察断口的形貌,可以分析裂纹的扩展方向、起源位置、载荷情况等。
通常疲劳断裂具有棱线收敛的特征,可根据此判断是否未疲劳断裂,如果是铜合金或者高温合金,疲劳源区为粗糙的交错分布的解理面。如果断裂面中有台阶,意味着存在多个疲劳源。
准解理断裂是一种介于解理断裂和韧窝断裂之间的断裂方式,它在不同部位产生解理裂纹核,扩展成解理刻面,最后以塑性方式撕裂。准解理断裂的断口形貌比较平整,但微观形貌有河流花样,舌状花样及韧窝与撕裂棱等。准解理断裂的特征与材料的结构、组织和应力状态有关,常发生在淬火+低回的钢中。
所以,韧性断裂、脆性断裂、疲劳断裂、准解理断裂等等是根据断口的不同特征进行的分类,还是需要深入理解到每种断裂的意义和特征,才能真正理解不同种类的断裂。
免责声明:本网站所转载的文字、图片与视频资料版权归原创作者所有,如果涉及侵权,请第一时间联系本网删除。
官方微信
《腐蚀与防护网电子期刊》征订启事
- 投稿联系:编辑部
- 电话:010-62316606
- 邮箱:fsfhzy666@163.com
- 腐蚀与防护网官方QQ群:140808414











