马氏体、奥氏体、珠光体……20种材料彩色金相
2025-02-08 14:19:10
作者:热处理生态圈 来源:热处理生态圈
分享至:
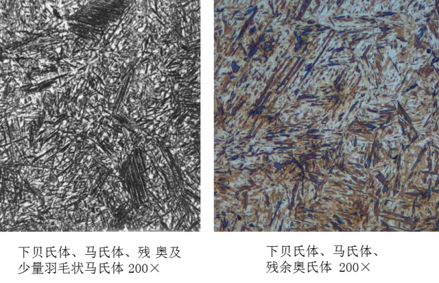
下面展示的是20种材料的金相,有浸蚀方法、放大倍数,以及你们识别的显微组织。

看的是不是很兴奋,美吧,说明金属也是有内涵的,你们之前没有发觉而已。上面出现了马氏体、奥氏体、珠光体等,这些金相组织是如何定义的?它们又有哪些特征呢?接下来咱们继续带领大家深入了解。
免责声明:本网站所转载的文字、图片与视频资料版权归原创作者所有,如果涉及侵权,请第一时间联系本网删除。