接(1)
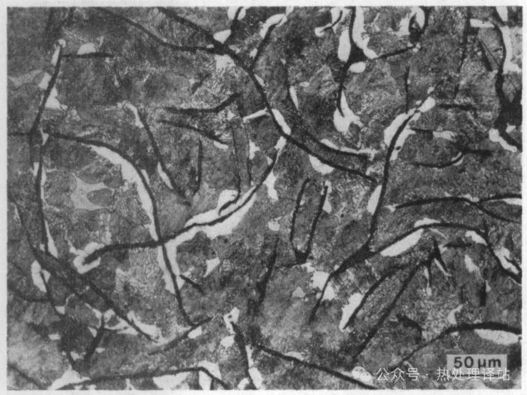
图12 汤濂,丁宝文,刘国杰,30CrMnMoRE钢,1000℃加热罐中空冷。腐蚀剂:硝酸酒精溶液。下贝氏体(针状)及少量上贝氏体(羽毛状)。
图13 林书湘,100Cr2Ni4A钢,1180℃保温3min,水淬,再700℃保温3min,水淬。4%硝酸酒精溶液腐蚀,提高回火温度,残余奥氏体的催化作用更加充分。二次淬火后,不但在一次马氏体相界面,而且在其它区域都发生新的马氏体转变。
图14 北京航空学院金相实验室,38CrMoAlA,560℃氮化20h,4%硝酸酒精溶液腐蚀,由于预备热处理时脱碳而具有不正常组织。最外层为ε+γ',中间层为含氮铁素体,有γ'析出,最里层为γ'+氮化索氏体。
图15 吴可秋,W18Cr4V高速钢(铸态),重铬酸钾饱和溶液加硫酸,室 温擦蚀1h。 试剂将钢的基体溶去,在斜射照明下,鱼骨状莱氏体共晶中碳化物骨架更富有立体感。
图16 高淑琴,乔瑞洁,20MnVBRE钢,未腐蚀。氧化铝(深灰颗粒)+氮化钛(浅色方块)+稀土复合氧化物(中灰)。
图17 韩怀月,姜治中,沈棣华,胡锐,不锈钢焊缝。手工氩弧焊,10%铬酸电解腐蚀。左端黑色部分为焊缝表面,右上方白色部分为母材(00Cr25Ni20Nb)。X型坡口焊缝裂纹始于根部熔合线,并向焊缝发展。
图18 北京航空学院金相实验室,灰铸铁,采用自制ZP-1型抛光机抛光,4%硝酸酒精溶液腐蚀。片状石墨,珠光体及铁素体基体。
图19 严雪琴,Cr17Mn14Mo2N钢,1200℃×1h,水淬,用铁磁胶液显示δ铁素体的磁畴结构。奥氏体+δ铁素体。
图20 上海交通大学金相实验室,18CrNiW钢,960℃渗碳24h,水淬,-70℃冰冷处理,4%硝酸酒精溶液腐蚀。(a)明场,淬火时先形成的粗大马氏体及冰冷处理时新形成的马氏体(白色)。(b)相衬照明,与a同一视场,奥氏体基体上新形成的白色马氏体清晰可辨。
图21 李依依,李坤,许义奎,21-6-9低温钢。1200℃×20h水淬,-190℃拉伸形变13.6%。电解抛光,奥氏体+形变孪晶+滑移带+少量α'马氏体,在Md以下拉伸,明显区分出形变孪晶及滑移带,并形成少量形变诱导马氏体。
图22 林治明,22Mn2MoCuBRE钢,铸造后调质处理,冲击断口,透射电镜(复型)照片。长条状氮化铝沿柱状晶晶界析出,在冲击载荷下造成沿晶断裂。
免责声明:本网站所转载的文字、图片与视频资料版权归原创作者所有,如果涉及侵权,请第一时间联系本网删除。
官方微信
《腐蚀与防护网电子期刊》征订启事
- 投稿联系:编辑部
- 电话:010-62316606
- 邮箱:fsfhzy666@163.com
- 腐蚀与防护网官方QQ群:140808414














