精简版!金属的各种断裂形式
2024-05-29 16:21:03 作者:热处理生态圈 来源:热处理生态圈 分享至:

 

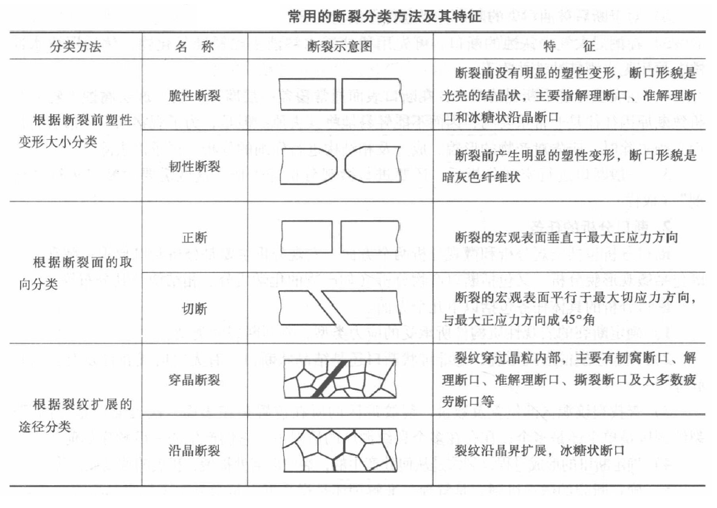
1、按断裂前塑性变形程度分类

 

(1)韧性断裂 

韧性断裂又称为延性断裂或塑性断裂,其特征是断裂前发生明显的宏观塑性变形,断裂过程中吸收了较多的能量,一般是在高于材料屈服强度条件下的高能断裂。

 

(2)脆性断裂 

工程构件在很少或不出现宏观塑性变形情况下发生的断裂称作脆性断裂。由于脆性断裂大都没有事先预兆,具有突发性,对工程构件与设备以及人身安全常常造成极其严重的后果。

 

完全脆性断裂和完全韧性断裂是极少见的。通常,脆性断裂前也产生微量塑性变形。一般规定光滑拉伸试样的断面收缩率小于5%,反映微量的均匀塑性变形;因为脆性断裂没有缩颈形成,直接为脆性断裂;反之,大于5%者为韧性断裂。

 

由此可见,金属材料的韧性断裂和脆性断裂是根据一定条件下的塑性变形量来规定的。

 

2、按断裂过程中裂纹扩展所经的途径分类:

 

(1)穿晶断裂

 

穿晶断裂的特点是裂纹扩展时穿过晶粒内部。



穿晶断裂可以是韧性断裂,也可以是脆性断裂。
穿晶断裂是大多数金属材料在常温下断裂时的形态,根据断裂方式又可分为解理断裂和剪切断裂。解理断裂面是沿一定的晶面(即解理面)严格分离的,通常是脆断,但脆断却不一定是解理断裂。剪切断裂是切应力作用下发生的,它又有纯剪切断裂和微孔聚集型断裂之分。
(2)沿晶断裂 沿晶断裂的特点是裂纹沿晶界扩展(如图),


大多数是脆性断裂。沿晶断裂是由晶界上的一薄层连续脆性的第二相、夹杂物破坏了晶界的连续性而造成的,也可能是杂质元素向晶界偏聚引起的。应力腐蚀、氢脆、回火脆性、淬火裂纹、磨削裂纹等大都是沿晶断裂。
3、按断裂的应力类型及断面宏观取向与应力的相对位置分类:
根据断裂面取向,可将金属断裂分为正断和切断两种。正断和切断如图所示。


若断裂面取向垂直于最大正应力,即为正断;若断裂面取向与最大切应力方向相一致,而与最大正应力方向成45°角,即为切断,拉伸时断口上的剪切唇就是这种断裂。正断大多属于脆性断裂,正断也可以有明显的塑性变形。切断是韧性断裂,但反过来韧性断裂却不一定是切断。

4、按载荷的性质及应力产生的原因分类:
(1)疲劳断裂 
疲劳断裂是材料在交变载荷下发生的断裂。
(2)环境断裂 
材料在环境作用下引起的低应力断裂称为环境断裂,主要包括应力腐蚀断裂和氢脆断裂。

5、按微观机制分类:
(1)解理断裂 
解理断裂是金属材料在一定条件下,当外加正应力达到一定数值后,以极快速率沿一定晶面产生的穿晶断裂。因与大理石断裂类似,故称这种断裂为解理断裂。
(2)微坑断裂 
这指在外力作用下因微孔聚合相互连通而造成的断裂。
(3)疲劳断裂 
这指在交变应力作用下以疲劳辉纹为标志的断裂。
(4)蠕变断裂 
这指材料在一定温度下恒载,经过一定时间后产生累进式形变而导致的断裂。原则上在整个固态温度范围内都可能发生蠕变,但只有在(0.5~1)TM(TM为熔点,单位为℃)的温度区间里才发生有现实意义的蠕变断裂。
(5)结合力弱化断裂 
这指裂纹沿着由于各种原因而引起的结合力弱化所造成的脆弱区域扩展而形成的断裂。

常用的断裂分类方法及其特征见表:

 

免责声明:本网站所转载的文字、图片与视频资料版权归原创作者所有,如果涉及侵权,请第一时间联系本网删除。

    标签:
相关文章
无相关信息