一、简介
· 电化学阻抗谱(EIS)是 腐蚀电化学研究中十分常用、重要的测量技术,属于“准稳态”的测量方法,可表征电极界面结构信息、电极反应动力学信息等(溶液电阻、双电层电容以及电荷转移电阻、腐蚀产物膜电阻、膜电容等等重要的信息)。
· 测量参数设置方面:①扰动信号,常规体系多采用幅值为20 mV以下的交流正弦波信号,常用10或者5mV(取决于测量点的线性区范围和响应信号强弱,线性范围宽、环境响应信号大时采用10mV,反之5mV即可);而对于高阻抗体系(涂层体系等),一般可采用50mV。②测试频率,常采用100kHz~10mHz的范围,当然,如果参比体系的阻抗较大,高频出现相移,也可从10kHz开始,低频也可为0.1Hz或者0.001等,根据不同体系而定。③降噪措施,Faraday电磁屏蔽箱;频率设置避开50周市电的干扰,如将100kHz~0.01Hz改为99.7kHz~0.01Hz等
二、拟合
EIS的拟合方面,常采用等效电路模型法,即利用电路元件的串并联组合合理的解析EIS。EIS的特征包括容抗、感抗、扩散等
· 出现在第一象限的半圆称为容抗弧,采用(RC)并联电路进行拟合,有几个容抗弧,等效电路中就包含几个(RC)并联电路,值得注意的是,多数存在弥散效应,而用CPE代替C,CPE有2个部分,导纳Y(单位为S·sn·cm-2,可以和电容换算,有公式)和无量纲的指数n,;第四象限的半圆弧称为感抗弧,用RL串联电路拟合;一般认为扩散现象只表现在低频区,为45°的直线(韦伯阻抗,半无限扩散)或者是小段容抗弧(有限扩散),在ZView软件中用元件W表示。
· 常用的拟合软件主要有ZView和ZSimpWin软件等,因为在网上都可以搜到相关教程,此处就简要叙述一下,供参考。
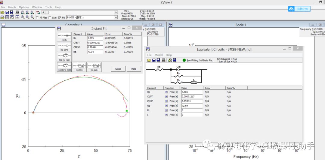
(1)ZView
①以2个时间常数的EIS为例,1和2分别为快速拟合和等效电路。先点1位置进行分段获取初值,鼠标拖动移植到2的相应位置。同理获取下方感抗的初值。初值只是作为迭代运算,数值大体合理即可。
②完成后点A位置,出现的对话框中点B位置的simulation,确认后点C位置 即开始运行根据初值模拟的EIS,如果和测量的EIS比较接近的话就不需要修改即进行下一步,若差别较大时,可修改相应元件的数值(增大或缩小观察图的变化而定数值调整的方向),观察和EIS接近后进行下一步。
③点击下图A位置,B中由simulation改为fitting,确认后点击C,即完成拟合。图中绿框所示为最终的结果,如果有误差比较大的情况,则重复②和③的步骤直到误差较小(15%以内均可接受)。此外,Zview中没有给元件单位,R的单位是Ω·cm2,CPE-T的单位为S·sn·cm-2 L单位是H·cm-2 C单位为F/cm2。
(2)ZSimpWin
这个软件上手很快,适合初学者。
①点1位置,然后点2的paste,确认后即导入了EIS数据(有频率 实部 虚部3列数值即可)。
②点1位置,在2下拉框选中合理的等效电路或者自己手动输入(采用电路描述码(CDC))3位置点ok后即出现绿色的拟合点。
③点下图1位置,即出现拟合参数的情况,若有误差大的,勾选,在2位置选iterate,3位置点search,OK后即重新进行了拟合。
免责声明:本网站所转载的文字、图片与视频资料版权归原创作者所有,如果涉及侵权,请第一时间联系本网删除。
官方微信
《腐蚀与防护网电子期刊》征订启事
- 投稿联系:编辑部
- 电话:010-62316606
- 邮箱:fsfhzy666@163.com
- 腐蚀与防护网官方QQ群:140808414










