Cr13型耐酸不锈钢的金相组织
2023-02-24 15:43:13
作者:每天学点热处理 来源:每天学点热处理
分享至:
本期介绍Cr13型耐酸不锈钢在不同工艺条件下对应的金相组织,以及工艺对组织与性能的影响。
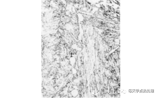
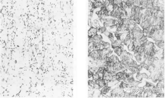
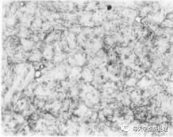
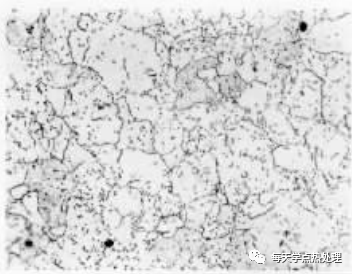
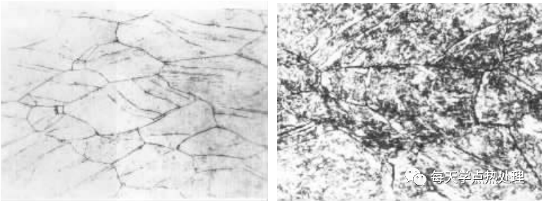
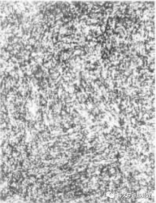
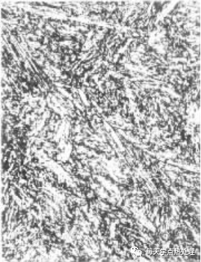
图2,马氏体和白色铁素体,铁素体呈带状分布。为正常的淬火组织。图3,马氏体和白色铁索体,铁素体呈带状分布。马氏体十分粗大,铁索体含量增加,为过热组织。1Cr13钢为半马氏体钢,也属耐热钢范围,正常淬火的显微组织除马氏体外,一般含量铁素体低于15%。1Cr13 钢的正常淬火温度为950~1 050℃,过热淬火容易产生高温δ铁素体,而且从相冬看淬火温度越高,产生δ铁素体的比例也越多,大量的δ铁素体无论对钢的力学性能还是耐腐蚀性能都有明显的降低作用,且一日出现高温δ铁素体很难通过以后的热处理,按相图使其转变成奥氏体而给予消除,所以应尽量避免高温铁素体的出现。图4、图5的显微组织为保留马氏体位向的回火索氏体和带状铁素体,属正常调质组织。原材料的带状偏析比较明显,铁素体带分布不均匀,铁素体带中黑色链状分布的为非金属夹杂物(硫化物)。图6,为保留马氏体位向的回火索氏体和带状分布的铁素体,组织粗大,为淬火过热的调质组织。1Cr13,钢退火状态具有较高的韧度和冷冲变形能力,并有很好的抛光性以及切削加工性能。经调质处理后具有良好的综合力学性能。1Cr13钢具有可焊性,但焊后应及时进行退火处理,以防焊接裂缝的产生。1Cr13 钢在弱腐蚀介质中,如盐水溶液、硝酸以及某些浓度不高的有机酸、食品介质等,在温度不超过30℃的条件下,具有良好的耐腐蚀性能。同时在潮湿大气、蒸汽、淡水和海水等条件下,也具有良好的耐腐蚀性能。1cR1Cr13钢主要用于制作对韧度要求较高、受冲击载荷且具有不锈性的零件,如透平叶片、水压机阀、紧固件,以及常温下耐弱介质腐蚀的设备。球状珠光体和铁素体组织。2Cr13钢属马氏体不锈钢,其主要性能和 1Cr13钢相似,但由于含碳量较高,其强度和硬度比1Cr13钢稍高,而耐腐蚀性能和耐热性能则略有降低。2Cr13 钢经调质处理后具有很高的强度和良好的综合性能,可用于承受较高应力的零件,如高压透平零件,耐有机酸、盐的水溶液和食品介质的设备,以及用于造纸设备、医疗设备、刀具等。2Cr13钢的 Ac1为820℃,Ac3为950℃,正常的淬火温度应为980~1000℃。由于淬火温度偏低,晶粒过于细小,碳化物溶解不充分,合金元素均匀化不够,从而会降低钢的耐腐蚀性能和耐热性能。2Cr13钢淬火后通常采用600~750℃高温回火,而不采用中温回火。因为中温回火时,生成(Cr、Fe)C 碳化物,碳化物的周围形成贫铬区。中温回火的温度不足以使基体富铬区的铬向贫铬区扩散,使腐蚀性能明显降低;而高温回火形成M23C8碳化物,其周围的贫铬区容易通过高温回火的扩散而得到消除,同时高温回火也可以获得良好的综合力学性能。图10,球粒状珠光体和沿晶断续分布之颗粒状碳化物。图11,颗粒较大且分布不甚均匀的球状珠光体、铁素体及少量片状珠光体,沿晶界有断续链状碳化物。球化组织优劣直接影响以后淬火、回火质量。图 5-90中组织不均匀,且有层片状珠光体,则零件在加热淬火时容易发生变形或组织粗大。图12,回火索氏体和未溶块状铁素体,固溶程度差,将影响该材料的耐腐蚀性。图13,均匀的回火索氏体及少量铁素体。该组织用于石油零件,耐腐蚀性及其他性能均优良。2Cr13属亚共析不锈钢,如果退火预备组织完善,淬火加热能使碳化物充分固溶于奥氏体,可获得无残余铁素体或少量铁素体及中等针状马氏体,回火后获得回火索氏体组织,其耐蚀性与强韧性均会优良。马氏体以及少量残余奥氏体。硬度49.0~50.5HRC。2Cr13钢的淬火温度有关标准推荐1000~1050℃,但实际上以980~1000℃比较适宜。淬火温度略高于1000℃时,很容易发生过热现象(与成分波动也有关),使淬火后马氏体组织粗大,使韧度下降,还会影响其抗蚀性能。所以淬火加热温度控制要适当、严格。图15,球化退火,图16 调质,均经85天胶体贮藏罐内耐蚀试验图15,球状、小条状碳化物分布在铁素体基体上,黑色为腐蚀孔。失重 0.0206g。图16,索氏体及黑色腐蚀凹坑。硬度为34.0~35.0HRC。失重0.139 7g。从上述试验结果可以看到,在所试验的介质中,如果调质回火温度较低时,钢的强度和硬度偏高,存在应力使其抗点蚀的性能不及退火状态。点状和球状珠光体及沿晶界呈断续分布的二次碳化物。硬度为207HB。2Cr13型不锈钢,钢中含有13%的铬,由于铬具有使等温转变曲线向右移,和提高钢淬透性的作用,使钢具有空气淬火能力。如果锻后空冷,由于产生马氏体转变而产生很大的体积效应和组织应力。容易产生锻后裂缝,所以 3Cr13钢锻后必须立刻进行退火处理,一方面是为了消除应力,另一方面利于以后的切削加工和为以后的淬火作好组织准备。退火状态的3Cr13钢力学性能较差,耐腐蚀性能也不佳,这是由于大量的铬和碳形成(Cr、Pe)23C6使基体贫铬的缘故。所以3Cr13钢一般不以退火状态使用,而以淬火、回火状态使用。点状和球状珠光体及沿晶界早断续分布的二次碳化物。硬度202HB。3Cr13比1Cr13和2Cr13含碳最高,其化学成分可达到过共析成分。如果钢中的碳偏上限,且钢的终锻温度或退火温度过高,将会出现网状碳化物,若在以后的淬火中不能消除时,将使钢的脆性增加。3Cr13因其含碳量高,其强度、硬度和热强性都较高,但其耐腐蚀性和在700℃以下的高温热稳定性却比1Cr13和 2Cr13低。3Cr13钢经淬火和回火处理后,具有很高的强度,常用来制造高载荷且在腐蚀介质条件下工作的耐磨损机械或仪器零件,如柱塞、阀锥、滚珠轴承部件,测量和医疗器械工具等。回火马氏体和未溶的细小碳化物颗粒。硬度为48~49HRC,为正常的淬火、低温回火组织。3Cr13钢一般的淬火温度为950~1000℃,淬油。淬火后回火处理有两种工艺。当要求高硬度、高耐磨性和良好的耐蚀性能时,可采用低温回火,一般为200~300℃。当要求具有较高强度和良好韧度以及耐蚀性的结合时,可采用高温回火,一般为550~750℃。3Cr13钢经低温回火后得到回火马氏体组织和少量未溶的碳化物颗粒。由于回火温度低,合金元素的扩散受到限制,回火析出的碳化物为高铁低铬的(Fe、 Cr)3C碳化物,这样固溶体仍保留大量的铬,使钢具有高硬度、高耐磨性,同时具有良好的耐蚀性。3Cr13钢淬火加热时,随着淬火温度的提高,碳化物逐渐溶解,合金元素逐渐均匀化,此时碳化物具有阻碍晶粒长大的作用,钢的晶粒度随淬火温度的提高而长大的倾向不是很显著。一旦碳化物完全溶解,随着淬火温度的提高,此时钢的晶粒度将急剧长大,板条马氏体的比例越多,板条马氏体的筐篮结构也越明显。随着晶粒的粗大,钢的塑性、韧度也显著下降。带马氏体位向的回火索氏体和未溶细小碳化物颗粒。硬度为 36.0HRC。Cr13 型不锈钢的马氏体在不同温度回火时,析出的碳化物类型不同,对其性能有着密切的影响。200~350℃的低温回火时,从马氏体中析出高铁低铬的渗碳体型碳化物( Fe、Cr)3C,基体仍保存大量铬,使钢具有良好的耐蚀性。400~550℃中温回火时,通过铬置换(Fe、Cr)3C中的铁,形成高铬低铁的(Fe、Cr)7C3碳化物,或直接析出(Fe、Cr)7C3碳化物,使碳化物周围贫铬,而中温回火的温度不足以使固溶体中的铬均匀化,从而降低钢的耐蚀性。600~750℃高温回火时形成 M23C6 碳化物,它实际上在482℃已开始形核,由于回火温度高,碳化物周围的贫铬可通过扩散而得以均匀化,所以高温回火仍然具有良好的耐蚀性,作为结构件使用时的马氏体不锈钢,多采用高温回火处理。保留粗大马氏体位向的回火索氏体,碳化物已完全溶解,晶粒粗大,属淬火过热的调质组织,脆性极大。硬度40 HRC。
Cr13型不锈钢,铬含量高,导热性差,淬火加热时应十分缓慢,并采用充分预热或分级加热处理为妥。淬火后由于相变的体积效应、组织应力应及时回火,否则容易产生自裂现象。
马氏体、残余奥氏体、极少量粒状碳化物以及沿晶分布有δ共析体。3Cr13钢在高温加热时会析出黑色δ铁素体,在冷却时转变为碳化物与奥氏体混合物,称δ共析体。出现共析体及粗大晶粒表明有过热现象,容易开裂。基体组织为球粒状珠光体。属正常的退火组织。球粒状碳化物均匀分布在白色铁素体基体从而构成球粒状珠光体组织。一般3Cr13钢供货状态应是正常退火组织,硬度较低,利于切削加工,并对淬火加热有利,不易于造成过热。图25,经饱和苦味酸溶液和洗涤剂溶液(数滴)热浸蚀图26,经上述试,剂浸蚀后又经苦味酸盐酸酒精溶液浸蚀图25,基体组织为奥氏体晶粒,并有孪晶线。通过用特殊试剂浸蚀,可以显示奥氏体晶粒,晶粒度相当于6~7级。在锻造过程中由于变形,在晶粒内会产生孪晶,浸蚀后可看到孪晶线。这是由于变形过程中的位错运动和孪晶变形的结果。说明工件承受变形量较大,变形速度亦较大。孪晶变形还会产生加工硬化现象。图26,基体为粗针状马氏体及残余奥氏体,同时见到晶界线和孪晶线。并在孪晶线边缘可见到不易浸蚀的白色区域,这说明这种孪晶线存在加工硬化现象。3Cr13钢在高温模锻成型后空冷亦能得马氏体组织。随着锻造温度的升高,马氏体的针也随着粗大,韧性亦下降。所以必须控制锻造加执温度。图27,球状珠光体。硬度184HB,属正常的退火组织。图28,马氏体和细小和较多碳化物颗粒,硬度47.5HRC,属于欠热淬火组织。4Cr13钢Ac1为820℃,Accm1100℃,正常淬火温度应为1050℃~1100℃,由于淬火温度偏低,碳化物溶解不充分,使奥氏体合金化程度不够,淬火后硬度偏低。图29,显微组织为马氏体和少量细小碳化物颗粒,硬度54HRC,属正常的淬火、低温回火组织。随着淬火温度的提高,碳化物溶解充分,淬火后硬度也较高。4Gr13钢因其含碳量比1Cr13钢、2Cr13 钢高,故其强度、硬度、热强性都较高,但耐腐蚀性和热稳定性比1Cr13钢、2Cr13钢差。4Cr1 钢常用作受高强度载荷、腐蚀介质作用以及磨损条件下工作的零件,如柱塞、阀锥、滚珠轴重部件、活塞杆、螺柱、弹,以及刀具、日常家用器具的材料等。马氏体、沿晶界分布黑色托氏体及颗粒状和小块状碳化物,碳化物沿晶界分布,晶粒粗大。基体硬度为634 ~641HV1。组织仍残留有铸态组织形貌,成分枝晶偏析明显,韧度必然降低,只能用于冲击载荷较小的部件。基体为索氏体和白色碳化物,碳化物沿晶界线断续网状分布,并有聚集现象。晶粒粗大,晶粒度可评为1级。本样品为CO2压缩机阀座(精铸件),仅运行一个月即发生脆断。原设计为ZG3Cr13,结果碳含量超标,实际成为ZG4Cr13,脆性增加。同时,铸造组织形态没消除(或淬火温度过高),碳化物沿晶网状分布,更增加其脆性。

图号:图32
材料:5Cr14
工艺情况:淬火、回火处理
浸蚀方法:苦味酸盐酸酒精溶液浸蚀
组织说明:
马氏体、残余奥氏体、小块状和小颗粒状碳化物。晶界区域较易浸蚀,可看到晶粒大小,晶粒度约10 级。5Cr14钢是4Cr13钢的变异钢种,增加碳和铬,碳化物明显增多,使硬度及耐磨性相对提高。该钢种主要用于制造民用刀具。
免责声明:本网站所转载的文字、图片与视频资料版权归原创作者所有,如果涉及侵权,请第一时间联系本网删除。