目录
前 言
铁素体和残余
奥氏体的鉴别
结 束 语
01 前言
上一期的文章和大家分享了先共析铁素体和未溶铁素体的区别,相信大家都比较清楚了。
本期文章继续给大家分享钢材相似组织的鉴别系列文章之一,“铁素体”和“残余奥氏体”的鉴别。
02 铁素体和残余奥氏体的鉴别
由于铁素体和残余奥氏体均不受腐蚀,在显微镜下观察到都呈白色,若不仔细观察,很多时候也是容易产生混淆的。
但是,掌握到方法,区分这两种区别也是很容易的。常用的2种方法如下所示:
1 从组织形态上区分
铁素体和残余奥氏体共同存在于显微组织中,一般是亚共析钢淬火件。亚共析钢淬火件中存在的铁素体大致有三种形态:多角状未溶铁素体、块状先共析铁素体和网状或半网状先共析铁素体,颜色都较白亮。多角状和块状铁素体具有明显的边界,往往存在于马氏体针叶夹角的空白区域内,微调聚焦会发现白色相与马氏体相在同一个平面上。网状或半网状铁素体沿原奥氏体晶界分布,比较细。
残余奥氏体没有明显的边界线,其形状随马氏体针叶分布的形状而变化。亚共析钢淬火组织中的残余奥氏体一般不是单独存在,而是与淬后针状马氏体有机结合,所以颜色比铁素体稍暗,常能隐约看到针状马氏体浮凸的现象。
2 从热处理工艺上推断
如果亚共析钢淬火加热保温时间不足或温度偏低,会使淬火组织中出现白色多角状未溶铁素体。

图1 白色多角状未溶铁素体
如图1所示是45钢760℃加热保温25min水淬后的显微组织形貌,为白色多角状未溶铁素体+黑色中碳淬火马氏体+浅灰色马氏体+残余奥氏体基体。
如果炉内工件较多,出炉时间过长,工件在炉内的冷却速率大于退火的炉冷速率而又小于正火的空冷速率,或出炉后工件在空中停留时间过长,会使淬火组织中出现块状先共析铁素体。

图2 白色块状先共析铁素体
如图2所示是45钢840℃加热保温25min水淬,然后600℃保温60min回火后的显微组织形貌,其中的白色块状组织即先共析铁素体,其余是回火索氏体。
这是试验时,由于加热炉内所装工件较多,淬火时未按要求逐个进行操作并随时关闭炉门;而是在开启炉门第一个试样淬火后,一直到最后一个试样淬火结束,炉门一直是开启的。所以造成淬火后期,约有一半的淬火试样中出现了块状先共析铁素体。块状先共析铁素体的数量随着淬火时间的延长也由少到多,最后一个淬火试样中的块状先共析铁素体含量高达40%(体积分数)左右。由于炉门未关闭,当炉内工件温度降低到Ac3以下时,因炉内工件的冷却速率大于随冷却(相当于退火)而小于空气冷却(相当于正火),所以就析出块状先共析铁素体。
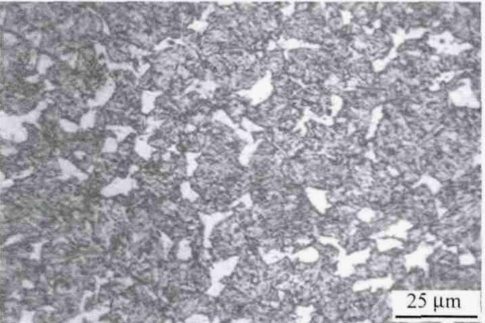
如果淬火冷却速率不够,钢中先共析铁素体一般呈网状或半网状沿原奥氏体晶界分布。

图3 白色网状先共析铁素体
如图3所示是45钢900℃加热保温25min油淬后的显微组织形貌,为白色细网状先共析铁素体+黑色淬火屈氏体+羽毛状上贝氏体+浅灰色马氏体+残余奥氏体基体。
只有淬火加热严重过热时,在淬火组织中可以观察到和马氏体不在同一个平面上的残余奥氏体,正常淬火组织中残余奥氏体并不明显。

图4 白色残余奥氏体
如图4所示是45钢900℃加热保温25min水淬后的显微组织形貌,为黑色淬火中碳马氏体+白色残余奥氏体,其中残余奥氏体形态随马氏体交角的不同而不同。
03 结束语
本期文章给大家分享了铁素体和残余奥氏体的鉴别方法,相信大家看到之后都有一定程度的收获吧。当然,从这里也能明显地感受到,如果透彻了解了铁碳相图,再理解文章中所述的一些观点,其实也就很容易了。
免责声明:本网站所转载的文字、图片与视频资料版权归原创作者所有,如果涉及侵权,请第一时间联系本网删除。
官方微信
《腐蚀与防护网电子期刊》征订启事
- 投稿联系:编辑部
- 电话:010-62316606-806
- 邮箱:fsfhzy666@163.com
- 腐蚀与防护网官方QQ群:140808414



