α型钛合金
α型钛合金中又分为全α合金及近α合金;工业纯钛属于α合金,此外一般α合金含有6%左右的Al和少量中性元素,退火后几乎全部是α相,典型合金包括TA1~TA7合金等;近α合金中除含有从和少量中性元素外,还有少量(不超过4%)的α稳定元素,如TA16、TA17合金等。
1 工业纯钛
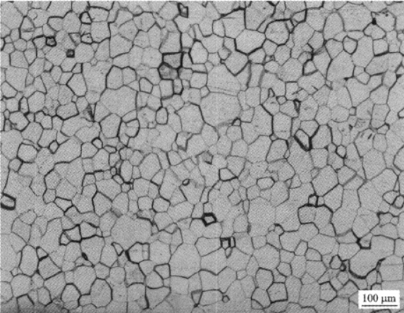
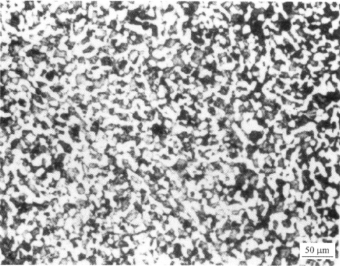
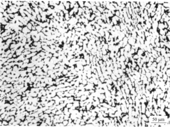
按照国家标准GB/T3602.1-2007的规定,工业纯钛按杂质元素含量分为TA1、TA1ELI、TA1-1、TA2等9个牌号,相变点900℃。工业纯钛主要应用于要求高塑性、适当的强度、良好的耐蚀性以及可焊性的场合。它们的冷热加工性能好、可生产各种规格的板材、棒材、型材、带材、管材和箔材。一般在退火状态交货使用。国家标准GB/T3621-2007所规定的纯钛板材的力学性能如表1-1所示。TA1、TA2 和TA3的显微组如图1-1~图1-5所示。
表1-1 纯钛板材力学性能(GB/T3621-2007)


图1-1 TA1板材650℃/1h退火态组织:等轴α+少量晶间β(暗)

图1-2 TA3板材800℃/1h退火态组织:等轴α+含有针状α的转变β

图1-3 TA2 大规格棒材600℃/1h退火态组织:等轴α

图1-4 TA2 精锻棒材600℃/1h退火态组织:等轴α

图1-5 TA3板材450℃/1h退火不完全再结晶组织:少量等轴α+拉长条状α
2 TA16钛合金
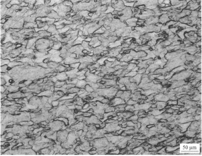
TA16合金的名义成分为Ti-2Al-2.5Zr(俄罗斯牌号nT-7M),是前苏联研制的一种近α型钛合金,相变点940℃。该合金冷加工工艺及焊接性能良好,在舰船动力系统及航空管路系统广泛应用。表1-2列出了TA16合金丝材退火状态下的力学性能。TA16合金显微组织如图1-6~图1-14所示。
表1-2 TA16合金Φ4mm丝材经700℃/1h退火后的拉伸性能

图1-6~图1-11为TA16合金经热拉拔加工直径为4mm的丝材,经不同温度退火后的金相组织及不同变形量的加工态组织,图1-12~图1-14为TA16合金板材经过加氢处理后的微观组织。

图1-6 TA16合金丝材加工态组织α相被拉长

图1-7 TA16合金丝材700℃,1h退火α等轴组织及少量晶间β(暗)

图1-8 TA16合金丝材900℃,1h退火α等轴组织及少量晶间β(暗)

图1-9 TA16合金丝材加工变形组织(600℃,总应变5%),α相被拉长

图1-10 TA16合金丝材加工变形组织(600℃,总应变30%),α相被拉长

图1-11 TA16合金丝材加工变形组织(800℃,总应变30%),具有动态回复的特性

图1-12 TA16合金板材经600℃加氢处理,氢含量570×10-6,黑色点状物为TiH,样品经拉伸过程产生脆性裂纹

图1-13 TA16合金板材经600℃加氢处理,氢含量990×10-6,黑色点状物为TiH,样品经拉伸过程产生脆性裂纹

图1-14 TA16合金板材焊缝处经600℃加氢处理,氢含量990×10-6,黑色点状物为TiH,样品经拉伸过程产生脆性裂纹
3 TA7钛合金
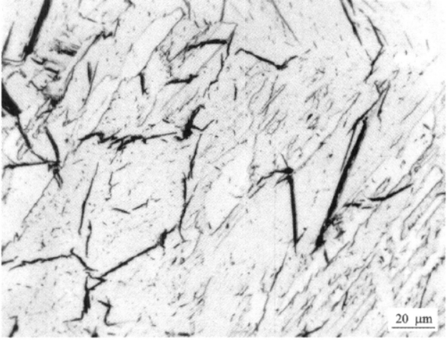
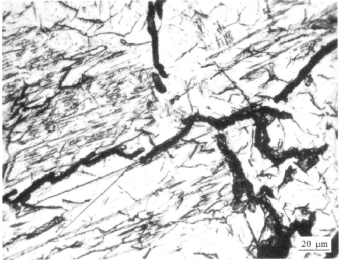
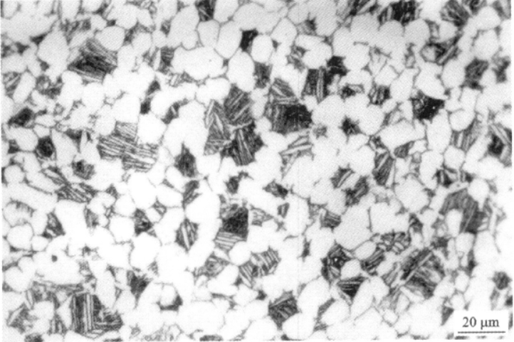
合金特性及应用简介:TA7合金的名义成分为Ti5Al2.5Sn,相变点1040~1090℃,TA7ELI合金相变点1010℃。在退火状态下具有中等强度和足够的塑性,焊接性能良好。低间隙元素含量的TA7ELI合金,在超低温(-253℃)条件下仍具有良好的韧性和综合性能,是优良的超低温用钛合金,表1-3给出了其室温力学性能,TA7合金常见微观组织如图1-15~图1-18所示。
表1-3 TA7合金室温力学性能


图1-15 TA7合金两相区加工后的退火组织,白色拉长的组织为初生α相

图1-16 TA7合金α相区加工后的退火组织,白色α片具有弯曲变形的特征

图1-17 TA7合金β相区(1170℃/30’空冷)固溶处理,晶间β+全片层β转变组织

图1-18 TA7合金α相区1170℃/30’水淬处理,快冷形成的马氏体
4 Ti811钛合金
Ti811合金是美国20世纪50年代研制的钛合金,可在450℃条件下长期使用。其名义成分是Ti8Al1Mo1V(中国牌号为TA11)。其相变点1040℃。该合金适于作为航空发动机压气机叶片材料,TA11合金的力学性能如表1-4所示,TA11合金常见的微观组织如图1-19~图1-30所示。
表1-4 TA11合金力学性能


图1-19 Ti811合金经两相区加工并退火后形成的等轴组织:等轴α(白色)+少量晶间β(暗色)

图1-20 Ti811合金在两相区加工并1000℃退火形成的双态组织:在转变的β基体(暗色)上含有细针状α,及等轴初生α晶粒(亮)

图1-21 Ti811合金终锻温度在相变点以上形成的网篮组织:针状α和β基体所构成的全β转变组织

图1-22 Ti811合金板材经760℃/8h炉冷+790℃/20’空冷处理,α基体上分布着少量晶间β(暗色)

图1-23 Ti811合金经1010℃/1h油淬+590℃/20’空冷处理所形成的双态组织

图1-24 Ti811合金经1010℃/1h油淬+590℃/20’空冷处理所形成的双态组织

图1-25 Ti811合金经1100℃/1h空冷处理所形成的针状完全β转变组织

图1-26 Ti811合金棒经两相区精锻加工态组织:拉长的条状α组织

图1-27 Ti811合金棒经910℃/1h空冷+580℃/16h空冷处理形成的等轴组织

图1-28 Ti811合金棒980℃/1h空冷+580℃/8h空冷:等轴α及少量β转变组织

图1-29 Ti811合金棒1010℃/1h空冷+580℃/8h空冷:等轴α及少量β转变组织

图1-30 Ti811合金板材加热至1010℃,表面白色α层是由于氧渗入而形成氧稳定的α层,其余为全片层β转变组织
5 Ti600高温钛合金
Ti-600合金(Ti-Al-Mo-Sn-Zr-Si-Y系,相变点1010℃)是西北有色金属研究院研制的一种新型近α高温钛合金,该合金是在美国Ti1100合金的基础上,通过添加少量稀土元素改进而成,具有较好的综合性能,尤其是蠕变性能非常优异,可在600~650℃下长期使用。Ti600合金典型性能见表1-5~表1-8,Ti600合金常见微观组织如图1-31~图1-42所示。
更多内容请查阅: 钛及钛合金金相图谱
免责声明:本网站所转载的文字、图片与视频资料版权归原创作者所有,如果涉及侵权,请第一时间联系本网删除。
官方微信
《腐蚀与防护网电子期刊》征订启事
- 投稿联系:编辑部
- 电话:010-62316606-806
- 邮箱:fsfhzy666@163.com
- 腐蚀与防护网官方QQ群:140808414



