导读
α型钛合金
α+β钛合金
β型钛合金
金属间化合物
铸造钛合金
α型钛合金
α型钛合金中又分为全α合金及近α合金;工业纯钛属于α合金,此外一般α合金含有6%左右的Al和少量中性元素,退火后几乎全部是α相,典型合金包括TA1~TA7合金等;近α合金中除含有从和少量中性元素外,还有少量(不超过4%)的α稳定元素,如TA16、TA17合金等。
1. 工业纯钛
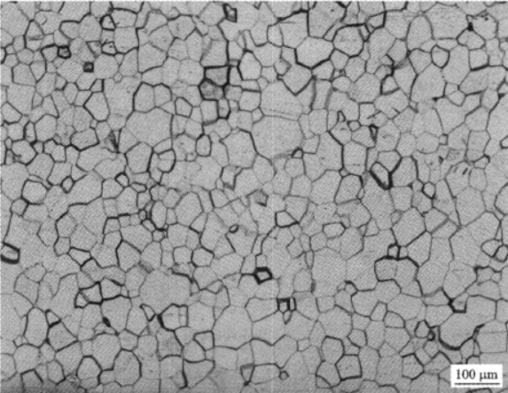
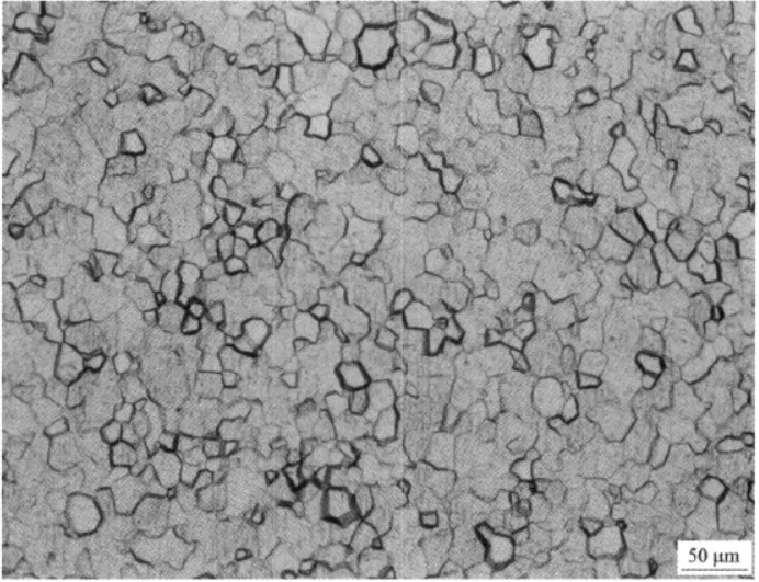
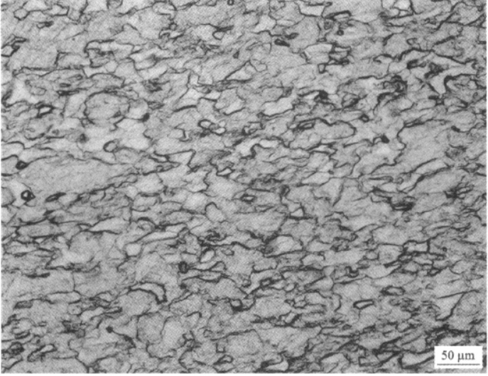
按照国家标准GB/T3602.1-2007的规定,工业纯钛按杂质元素含量分为TA1、TA1ELI、TA1-1、TA2等9个牌号,相变点900℃。工业纯钛主要应用于要求高塑性、适当的强度、良好的耐蚀性以及可焊性的场合。它们的冷热加工性能好、可生产各种规格的板材、棒材、型材、带材、管材和箔材。一般在退火状态交货使用。国家标准GB/T3621-2007所规定的纯钛板材的力学性能如表1-1所示。TA1、TA2 和TA3的显微组如图1-1~图1-5所示。
表1-1 纯钛板材力学性能(GB/T3621-2007)
图1-1 TA1板材650℃/1h退火态组织:等轴α+少量晶间β(暗)
图1-2 TA3板材800℃/1h退火态组织:等轴α+含有针状α的转变β
图1-3 TA2 大规格棒材600℃/1h退火态组织:等轴α
图1-4 TA2 精锻棒材600℃/1h退火态组织:等轴α
图1-5 TA3板材450℃/1h退火不完全再结晶组织:少量等轴α+拉长条状α
2. TA16钛合金
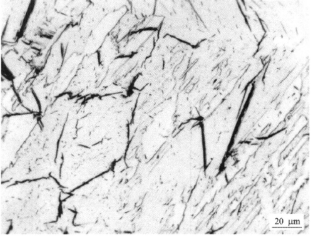
TA16合金的名义成分为Ti-2Al-2.5Zr(俄罗斯牌号nT-7M),是前苏联研制的一种近α型钛合金,相变点940℃。该合金冷加工工艺及焊接性能良好,在舰船动力系统及航空管路系统广泛应用。表1-2列出了TA16合金丝材退火状态下的力学性能。TA16合金显微组织如图1-6~图1-14所示。
表1-2 TA16合金Φ4mm丝材经700℃/1h退火后的拉伸性能
图1-6~图1-11为TA16合金经热拉拔加工直径为4mm的丝材,经不同温度退火后的金相组织及不同变形量的加工态组织,图1-12~图1-14为TA16合金板材经过加氢处理后的微观组织。
图1-6 TA16合金丝材加工态组织α相被拉长
图1-7 TA16合金丝材700℃,1h退火α等轴组织及少量晶间β(暗)
图1-8 TA16合金丝材900℃,1h退火α等轴组织及少量晶间β(暗)
图1-9 TA16合金丝材加工变形组织(600℃,总应变5%),α相被拉长
图1-10 TA16合金丝材加工变形组织(600℃,总应变30%),α相被拉长
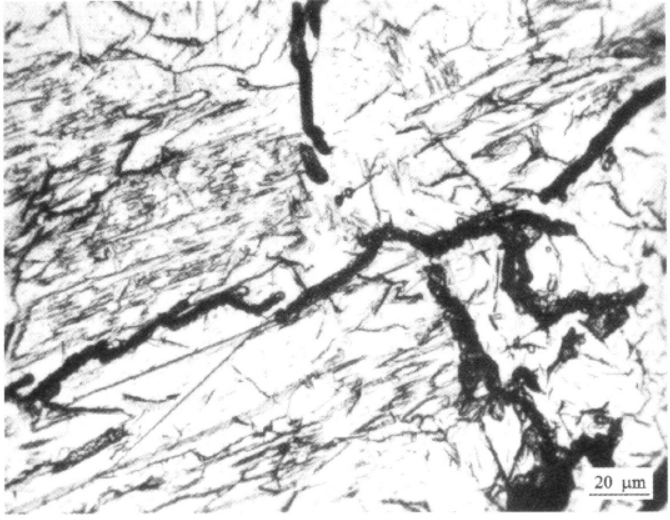
图1-11 TA16合金丝材加工变形组织(800℃,总应变30%),
具有动态回复的特性
图1-12 TA16合金板材经600℃加氢处理,氢含量570×10-6,
黑色点状物为TiH,样品经拉伸过程产生脆性裂纹
图1-13 TA16合金板材经600℃加氢处理,氢含量990×10-6,
黑色点状物为TiH,样品经拉伸过程产生脆性裂纹
图1-14 TA16合金板材焊缝处经600℃加氢处理,氢含量990×10-6,
黑色点状物为TiH,样品经拉伸过程产生脆性裂纹
更多详情请点击 阅读原文
免责声明:本网站所转载的文字、图片与视频资料版权归原创作者所有,如果涉及侵权,请第一时间联系本网删除。
相关文章
官方微信
《中国腐蚀与防护网电子期刊》征订启事
- 投稿联系:编辑部
- 电话:010-62316606-806
- 邮箱:fsfhzy666@163.com
- 中国腐蚀与防护网官方QQ群:140808414
点击排行
PPT新闻
“海洋金属”——钛合金在舰船的
点击数:7130
腐蚀与“海上丝绸之路”
点击数:5741



















