1

304 不锈钢 中间为奥氏体+四周为δ铁素体 50×
2

C型石墨形态
3

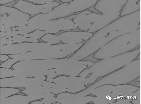
304 不锈钢 δ铁素体 500×
04

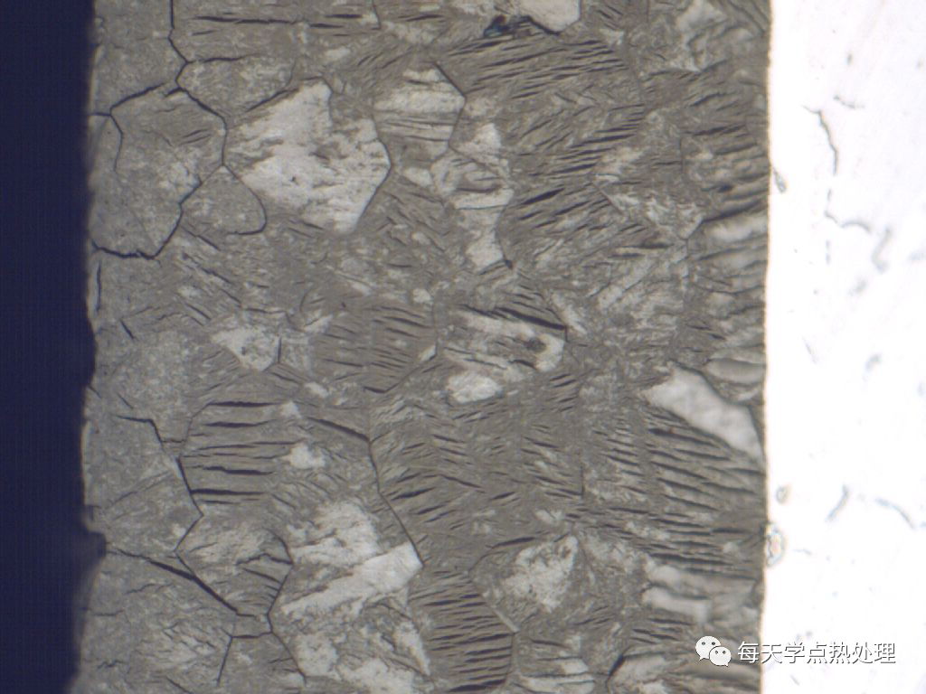
2Cr13 马氏体钢淬硬层深度 100×
05

2Cr13 马氏体钢 芯部低碳马氏体+颗粒状碳化物 500×
06

21-4N 奥氏体晶粒 500×
07

21-4N 碳化物分散状态 400×
08

304 不锈钢 气体氮化 200×
09

15#液体氮化 500×
10

21-4N 液体氮化 500×
11

304 不锈钢 气体氮化 500×
12

11Cr17 马氏体型 基体组织为回火索氏体+碳化物边缘为氮化层0.02mm 200×
13

11Cr17 马氏体型 基体组织为回火索氏体+碳化物边缘为氮化层深0.10mm. 白色氮化物呈脉状 500×
14

27SiMn 圆环 化合层: 6~8μm 500×
15

TC4 试片 化合层: 4~6μm 500×
16

双相奥氏体和铁素体边缘氮化层25μm 500×
免责声明:本网站所转载的文字、图片与视频资料版权归原创作者所有,如果涉及侵权,请第一时间联系本网删除。
相关文章
官方微信
《中国腐蚀与防护网电子期刊》征订启事
- 投稿联系:编辑部
- 电话:010-62316606-806
- 邮箱:fsfhzy666@163.com
- 中国腐蚀与防护网官方QQ群:140808414
点击排行
PPT新闻
“海洋金属”——钛合金在舰船的
点击数:7130
腐蚀与“海上丝绸之路”
点击数:5741



