1、α相 α phase
钛合金的一种同素异晶体,具有密排六方晶体结构,出现在β转变点以下。典型组织形貌见图1和图2。

图1 等轴α 图2 α
2、针状α acicular α
从β相冷却时成核长大或马氏体分解形成的α相,其典型长宽比为10:1。在显微照片上,针状α多半呈现针状形貌,而在三维空间则可呈针状、凸透镜状或扁平状形貌。典型组织形貌见图3。

图3 针状α TC4
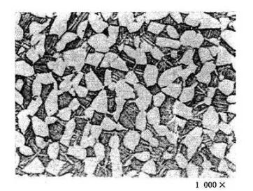
3、球状α globular α
球形的等轴α,见《钛合金术语系列一》第6条“等轴组织”。其典型组织形貌见图4。

图4 球状α TC4
4、片状α组织 platelet α sturcture
与针状α相比,长宽比较小的α组织。这种显微组织是α或α-β合金从具有较高β相的温度区间加工并以中等速度冷却形成的。典型组织形貌见图5。

图5 片状α TC4
5、片状α platelet α
呈片状排列的α ,在魏氏组织中经常以集束或畴的形式出现。α 片间也有β相。典型组织形貌见图5。
6、初生α primary α
从最后的α -β相区上部加热保留下来的α 相。典型组织形貌见图6。

图6 初生α TC4
7、次生α secondary α
在α-β相区加热,冷却过程中β相分解产生的α相。典型组织形貌见图7。

图7 初生 α+次生 α TC11
8、拉长的α elongated α
在单向加工时形成的条状α,一般长宽比大于3:1。典型组织形貌见图8。

图8 拉长α
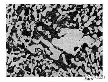
9、晶界α grain boundary α
存在于原始β晶界上的初生或转变α相。可能是连续或不连续的,也可能伴生大块α。通常是从β相区缓冷到α-β相区形成的。典型组织形貌见图9。

图9 晶界α TC4
10、大块α blocky α
比初生α显著粗大,并且呈更多角化的α。是由单向加工引起的。可通过β再结晶或采用全β加工再进行α+β加工予以消除。它与周围正常组织相比显微硬度没有明显差别。典型组织形貌见图10。

图10 大块α TC11
11、纤维状α stringy α
经无方向性的金属加工,拉长和扭曲的小板条α ,但未破碎或再结晶,也称“蠕虫α ”。
12、马氏体 martensite
从β相以很快的速度冷却,以非扩散转变形成的α 产物,含有过饱和的β稳定元素,亦称马氏体α 。典型组织形貌见图11。

图11 马氏体 TC4
13、α‘(六方马氏体) α prime(bexagonal martensite )
β相以非扩散转变形成的过饱和非平衡六方晶格α相。常常与针状α难以区分。区分的特征是马氏体片截止在原始β晶界而针状α常在这些晶粒边界成核。长宽比10:1或更大。
14、α'’(斜方马氏体)α-double prime(orthorhombic martensite)
在一些合金中由β相以非扩散转变形成的过饱和非平衡斜方相。也可由加工应变引起,可以用适当的中间退火来消除。
15、α2组织 α2 stucture
由有序α相如Ti3(Al,Sn)等组成的组织,可采用X射线衍射或电子衍射测定,出现在α稳定元素含量高的合金中。
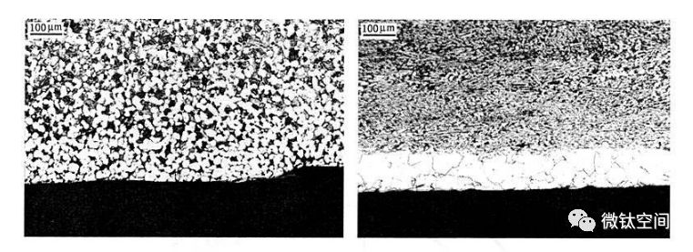
16、α层 α case
富集氧、氮及碳的α稳定表面层,通常是在高温下暴露在空气中形成的。α层通常硬而脆,认为是有害的,典型组织形貌见图12。

图12 α
17、蠕虫α wormy α
见11纤维状α。
免责声明:本网站所转载的文字、图片与视频资料版权归原创作者所有,如果涉及侵权,请第一时间联系本网删除。
官方微信
《中国腐蚀与防护网电子期刊》征订启事
- 投稿联系:编辑部
- 电话:010-62313558-806
- 邮箱:fsfhzy666@163.com
- 中国腐蚀与防护网官方QQ群:140808414



