本文讨论了302、304、316和321不锈钢在石油加工环境中的应力腐蚀开裂(SCC)。在实验中使用三种类型的溶液:氯化物溶液,酸性溶液和连多硫酸试验,其中连多硫酸的配制是将硫化氢通人6%的硫酸溶液。酸性环境通常在石油炼制环境中遇到,并且是在奥氏体不锈钢应力腐蚀开裂的主要原因,实验常用的是一种测试不锈钢和镍铬铁合金在介质晶间应力腐蚀开裂敏感性的标准实验方法。
实验将不锈钢对比试样同时放入几种酸溶液中,定期检查试样,试验后进行金相检杳,以测定其应力腐蚀开裂敏感性。
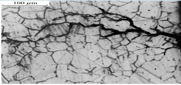
通过实验,上述302型不锈钢对比试样一般在1h内就会被破坏;对于304,已在试样浸泡在连多硫酸可以看到严重腐蚀,该标本浸入酸溶液的微观结构表明,裂纹都是沿晶和穿晶性质的分支的存在,试样浸入溶液的微观结构也表现出经典的分枝CSCC;316的显微组织的结果类似于304的微观结果, 分别暴露于45天后,任何试样的312没有出现明显的开裂。

图1、302标本浸入连多硫酸溶液的微观结构

图2、304标本浸入连多硫酸溶液的微观结构

图3、316标本浸入连多硫酸溶液的微观结构

图4、321标本浸入连多硫酸溶液的微观结构
结果讨论
实验结果表明,在过程环境中多硫酸的存在会在敏化和应力不锈钢中引起非常快速的失效或开裂。从结果看,氯化物和酸性溶液的失效意味着奥氏体不锈钢的SCC可以发生在除多硫酸以外的环境中。这清楚地表明,溶液的酸度在促进裂化方面具有相对较小的影响,并且在这种情况下多硫酸是主要原因。结果还表明, 321合金在三种环境溶液中没有发生腐蚀开裂,这意味着321不锈钢有比304和316合金慢得多的速率腐蚀。
结论
1、321型钢广泛地并且成功地用于炼油厂加氢换热器和过热管材料中,与304和316相比,321被认为是在大多数解决方案中抵抗SCC的最佳合金。321型不锈钢在高温硫化物在役中使用效果也比较好。
2、304和316型材料不适合在400℃以上的酸性环境下使用,因为它们对快速敏化的敏感性以及它们对SCC的敏感性。
3、SCC在多硫酸中比在氯和酸溶液中更严重,304和316型不锈钢不适合在400℃以上的硫化物中长期暴露,因为敏化,这导致对多硫酸SCC的敏感性。
免责声明:本网站所转载的文字、图片与视频资料版权归原创作者所有,如果涉及侵权,请第一时间联系本网删除。
官方微信
《中国腐蚀与防护网电子期刊》征订启事
- 投稿联系:编辑部
- 电话:010-62313558-806
- 邮箱:fsfhzy666@163.com
- 中国腐蚀与防护网官方QQ群:140808414



