1 炼油装置腐蚀适应性评估概况
腐蚀适应性评估方法

腐蚀回路分析方法对装置的流程图按照腐蚀机理的不同分成了不同的腐蚀回路,注明相应腐蚀机理。
将装置设备和管线的腐蚀回路嵌入到腐蚀流程分析中,给炼化企业标定高腐蚀风险部位并针对该部位提供腐蚀监检测方案,具有很大的实际意义。

2腐蚀回路的划分
《API 571-2011 炼油厂静设备损伤机理》
《GBT 30579-2014 承压设备损伤模式识别》



腐蚀回路边界?
工艺物流条件的变化,比如气液转变点、注入点、混合点、工艺组分的移除或添加、温度升高等;? 设备和管道材质的变化;? 工艺单元的起始位置。
3案例分析

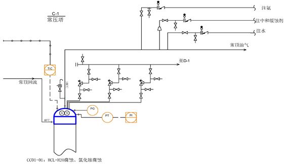
常压塔塔顶系统腐蚀流程图



常压塔顶系统腐蚀薄弱部位腐蚀回路图
防腐措施:提高常压塔塔顶回流返塔的温度增加在线测厚或监检测频率。
4结论
腐蚀回路可以表示装置具体部位的损伤机理;
为炼油装置的腐蚀分析作为参照;
辅助制定对应的工艺防腐措施和监检测策;
相变状态的判断为腐蚀回路划分的关键点所在,通过相关工艺参数判断出装置塔顶的露点以及氯化铵结晶点从而获得相变转换点,判断出常压塔顶流程中的高风险部位。
免责声明:本网站所转载的文字、图片与视频资料版权归原创作者所有,如果涉及侵权,请第一时间联系本网删除。
相关文章
官方微信
《中国腐蚀与防护网电子期刊》征订启事
- 投稿联系:编辑部
- 电话:010-62313558-806
- 邮箱:fsfhzy666@163.com
- 中国腐蚀与防护网官方QQ群:140808414
点击排行
PPT新闻
“海洋金属”——钛合金在舰船的
点击数:5768
腐蚀与“海上丝绸之路”
点击数:4763



