一、铁碳图相简介:
Fe-C合金相图实际上是Fe-Fe3C相图,铁碳合金的基本组元也应该是纯铁和Fe3C。
铁碳合金相图是研究铁碳合金的工具,是研究碳钢和铸铁成分、温度、组织和性能之间关系的理论基础,也是制定各种热加工工艺的依据。

1、Fe-C相图中重要的点

2、Fe-C相图中重要的线

3、Fe-C合金平衡结晶过程

Fe-Fe3C相图中的相:


Ⅳ、过共析钢(0.77%<C%<2.11%)
Ⅴ、共晶白口铁(C%=4.3%)

Ⅵ、亚共晶白口铸铁(2.11%<C%<4.3%)
Ⅶ、过共晶白口铸铁 (C%>4.3%)

二、钢中常见组织分类:
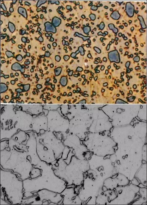
奥氏体:碳与合金元素溶解在γ-Fe中的固溶体,仍保持γ-Fe的面心立方晶格
特征:奥氏体塑性很好,强度较低,具有一定韧性,不具有铁磁性

铁素体:碳与合金元素溶解在a-Fe中的固溶体,具有体心立方晶格,溶碳能力极差;
特征:具有良好的韧性和塑性;呈明亮的多边形晶粒组织;

马氏体:碳溶于α-Fe的过饱和的固溶体,体心正方结构;
常见的马氏体形态:板条、片状;
板条马氏体:在低、中碳钢及不锈钢中形成,由许多成群的、相互平行排列的板条所组成的板条束。空间形状是扁条状的,一个奥氏体晶粒可转变成几个板条束(通常3到5个);

片状马氏体(针状马氏体):常见于高、中碳钢及高Ni的Fe-Ni合金中;当最大尺寸的马氏体片小到光学显微镜无法分辨时,便称为隐晶马氏体。在生产中正常淬火得到的马氏体,一般都是隐晶马氏体。

回火马氏体:低温(150~250oC)回火产生的过饱和程度较低的马氏体和极细的碳化物共同组成的组织。
这种组织极易受腐蚀,光学显微镜下呈暗黑色针状组织(保持淬火马氏体位向),与下贝氏体很相似,只有在高倍电子显微镜下才能看到极细小的碳化物质点。

渗碳体:碳与铁形成的一种化合物Fe3C;
特征:含碳量为6.67%,具有复杂的斜方晶体结构;硬度很高,脆性极大,韧性、塑性几乎为零;

珠光体:铁碳合金中共析反应所形成的铁素体与渗碳体组成的片层相间的机械混合物;
特征:呈现珍珠般的光泽;力学性能介于铁素体与渗碳体之间,强度较高,硬度适中,塑性和韧性较好;
片状珠光体:铁素体和渗碳体以薄层形式,交替重叠形成的混合物;
根据珠光体片间距的大小不同可以分为:
珠光体(片间距450~150nm,形成温度范围A1~650℃,在光学显微镜下能明显分辨出来)
索氏体(片间距150~80nm,形成温度范围650~600℃,只有高倍光学显微镜下才分辨出来)
屈氏体(片间距80~30nm,形成温度范围600~550℃,只能用电子显微镜才能分辨出来)

粒状珠光体:由铁素体和粒状碳化物组成。它是经球化退火或马氏体在650℃~A1温度范围内回火形成。
特征:碳化物成颗粒状分布在铁素体上。

上贝氏体:过冷奥氏体在中温(约350~550℃)的相变产物,由过饱和针状铁素体和渗碳体形成的混合物,渗碳体在铁素体针间;
特征:典型上贝氏体呈羽毛状,晶界为对称轴,脆性,硬度较高;

下贝氏体:过冷奥氏体在350℃~Ms的转变产物。由过饱和针状铁素体和渗碳体形成的混合物,但渗碳体在铁素体针内;
特征:呈黑色针状或竹叶状;

马氏体+下贝氏体+屈氏体
粒状贝氏体:过冷奥氏体在贝氏体转变温度区的最上部的转变产物。刚形成时是由条状铁素体合并而成的块状铁素体和小岛状富碳奥氏体组成,富碳奥氏体在随后的冷却过程中,可能全部保留成为残余奥氏体;也可能部分或全部分解为铁素体和渗碳体的混合物(珠光体或贝氏体);最可能部分转变为马氏体,部分保留下来而形成两相混合物,称为M-A组织。
特征:大块状或条状的铁素体内分布着众多小岛的复相组织。

无碳化物贝氏体:板条状铁素体单相组成的组织,也称为铁素体贝氏体;形成温度在贝氏体转变温度区的最上部。
特征:无碳化物贝氏体一般出现在低碳钢中,在硅、铝含量高的钢中也容易形成。

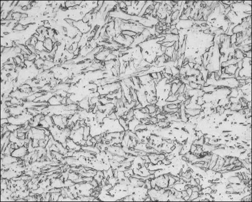
魏氏组织:在奥氏体晶粒较粗大,冷却速度适宜时,钢中的先共析相以针片状形态与片状珠光体混合存在的复相组织。
特征:晶粒粗大,形态有片状、羽毛状或三角形
回火屈氏体:碳化物和a-相的混合物。
特征:它由马氏体在350~500℃时中温回火形成。其组织特征是铁素体基体内分布着极细小的粒状碳化物,针状形态已逐渐消失,但仍隐约可见,碳化物在光学显微镜下不能分辨,仅观察到暗黑的组织,在电镜下才能清晰分辨两相,可看出碳化物颗粒已明显长大。

回火索氏体:铁素体为基体,基体上分布着均匀碳化物颗粒。
特征:它由马氏体在500~650℃时高温回火形成。其组织特征是由等轴状铁素体和细粒状碳化物构成的复相组织,马氏体片的痕迹已消失,渗碳体的外形已较清晰,但在光镜下也难分辨,在电镜下可看到的渗碳体颗粒较大。

莱氏体:奥氏体与渗碳体的共晶混合物。呈树枝状的奥氏体分布在渗碳体的基体上。
更多关于材料方面、材料腐蚀控制、材料科普等方面的国内外最新动态,我们网站会不断更新。希望大家一直关注中国腐蚀与防护网http://www.ecorr.org
责任编辑:王元
投稿联系:编辑部
电话:010-62313558-806
中国腐蚀与防护网官方 QQ群:140808414
免责声明:本网站所转载的文字、图片与视频资料版权归原创作者所有,如果涉及侵权,请第一时间联系本网删除。
官方微信
《中国腐蚀与防护网电子期刊》征订启事
- 投稿联系:编辑部
- 电话:010-62316606-806
- 邮箱:fsfhzy666@163.com
- 中国腐蚀与防护网官方QQ群:140808414



