1变形铝及铝合金状态代号
基本状态代号
F-自由加工状态
适用于成型过程中,对于加工硬化和热处理条件无特殊要求的产品,该状态产品的力学性能不作规定。


|
O状态的最小抗拉强度 |
H×8状态与O状态的 最小抗拉强度差值 |
|
MPa |
MPa |
|
≤40 |
55 |
|
45~60 |
65 |
|
65~80 |
75 |
|
85~100 |
85 |
|
105~120 |
90 |
|
125~160 |
95 |
|
165~200 |
100 |
|
205~240 |
105 |
|
245~280 |
110 |
|
285~320 |
115 |
|
≥325 |
120 |
|
细分状态代号 |
最终加工硬化程度 |
|
H×1 |
最终抗拉强度极限值,为O状态与H ×2状态的中间值。 |
|
H×2 |
最终抗拉强度极限值,为O状态与H×4状态的中间值。 |
|
H×3 |
最终抗拉强度极限值,为H×2状态与H×4状态的中间值。 |
|
H×4 |
最终抗拉强度极限值,为O状态与H×8状态的中间值。 |
|
H×5 |
最终抗拉强度极限值,为H×4状态与H×6状态的中间值。 |
|
H×6 |
最终抗拉强度极限值,为H×4状态与H×8状态的中间值。 |
|
H×7 |
最终抗拉强度极限值,为H×6状态与H×8状态的中间值。 |
|
状态代号 |
说明与应用 |
|
T1 |
由高温成型过程冷却,然后自然时效至基本稳定的状态。适用于高温成型过程冷却后,不再进行冷加工(可进行矫直、矫平,但不影响力学性能极限)的产品。 |
|
T2 |
有高温成型过程冷却,经冷加工后自然时效至基本稳定的状态。适用于由高温成型过程冷却后进行冷加工,或矫直、矫平以提高强度的产品。 |
|
T3 |
固溶热处理后进行冷加工,再经自然时效至基本稳定的状态。 适用于固溶热处理后进行冷加工,或矫直、矫平以提高强度的产品。 |
|
T4 |
固溶热处理后自然时效至基本稳定的状态。 适用于固溶热处理后不再进行冷加工(可进行矫直、矫平,但不影响力学性能极限)的产品。 |
|
T5 |
由高温成型过程冷却,然后进行人工时效的状态。 适用于由高温成型过程冷却后,不经过冷加工(可进行矫直、矫平,但不影响力学性能极限),予以人工时效的产品。 |
|
T6 |
固溶热处理后进行人工时效的状态。 适用于固溶热处理后不再进行冷加工(可进行矫直、矫平,但不影响力学性能极限)的产品。 |
|
T7 |
固溶热处理后进行过时效的状态。 适用于固溶热处理后为获得某些重要特性,在人工时效强度在时效曲线上越过了最高峰点的产品。 |
|
T8 |
固溶热处理后经冷加工,然后进行人工时效的状态。 适用于经冷加工,或矫直、矫平以提高强度的产品。 |
|
T9 |
固溶热处理后人工时效,然后进行冷加工的状态。 适用于经冷加工提高强度的产品。 |
|
T10 |
由高温成型过程冷却后,进行冷加工,然后人工时效的状态。 适用于经冷加工,或矫直、矫平以提高强度的产品。 |
注:某些6×××系的合金,无论是炉内固溶热处理,还是从高温成型过程急冷以保留可溶性组分在固溶体中,均能达到相同的固溶热处理效果,这些合金的T3、T4、T6、T7、T8和T9状态可采用上述两种的任一种。
T××与T×××状态在T×状态
代号后面再添加一位阿拉伯数字(称做T××状态),或添加两位阿拉伯数字(称做T×××状态),表示经过了明显改变产品特性(如力学性能、抗腐蚀性能等)的特定工艺处理的状态。
T××及T×××细分状态
代号说明与应用
|
状态代号 |
说明与应用 |
|
T42 |
适用于自O或F状态固溶热处理后,自然时效到充分稳定状态的产品,也适用于需方任何状态的加工产品热处理后,力学性能达到T42状态的产品。 |
|
T62 |
适用于自O或F状态固溶热处理后,进行人工时效的产品,也适用于需方对任何状态的加工产品热处理后,力学性能达到T62状态的产品。 |
|
T73 |
适用于固溶热处理后,经过时效以后达到规定的力学性能和抗应力腐蚀性能指标的产品。 |
|
T74 |
与T73状态定义相同。该状态的抗拉强度大于T73状态,但小于T76状态。 |
|
T76 |
与T73状态定义相同。该状态的抗拉强度高于T73、T74状态,抗应力腐蚀断裂性能分别低于T73、T74状态,但其抗剥落腐蚀性能仍较好。 |
|
T7×2 |
适用于自O或F状态固溶热处理后进行人工过时效处理,力学性能及抗腐蚀性能达到T7×状态的产品。 |
|
T81 |
适用于固溶热处理后经1%左右的冷加工变形提高强度,然后进行人工时效的产品。 |
|
T87 |
适用于固溶热处理后经7%左右的冷加工变形提高强度,然后进行人工时效的产品。 |
消除应力状态代号说明与应用
|
状态代号 |
说明与应用 |
|
T×51 T××51 T×××51 |
适用于固溶热处理或自高温成型过程冷却后,按规定量进行拉伸的厚板、轧制或冷精整的棒材以及模锻件、锻环或轧制环,这些产品拉伸后不再进行矫直。 厚板的永久变形量为1.5%~3%;轧制或冷精整棒材的永久变形量为1 %~3%;模锻件、锻环或轧制环的永久变形量为1 %~5%。 |
|
T×510 T××510 T×××510 |
适用于固溶热处理或自高温成型过程冷却后,按规定量进行拉伸的挤制棒、型和管材,以及拉制管材,这些产品拉伸后不再进行矫直。 挤制棒、型和管材的永久变形量为1 %~3%,拉制管材的永久变形量为1.5 %~3%。 |
|
T×511 T××511 T×××511 |
适用于固溶热处理或自高温成型过程冷却后,按规定量进行拉伸的挤制棒、型和管材,以及拉制管材,这些产品拉伸后略微矫直以符合标准公差。 挤制棒、型和管材的永久变形量为1 %~3%,拉制管材的永久变形量为1.5 %~3%。 |
|
T_52 |
压缩消除应力状态。 适用于固溶热处理或高温成型冷却后,通过压缩来消除应力,以产生1 %~5%的永久变形量的产品。 |
|
T_54 |
拉伸与压缩相结合消除应力状态。 适用于在终锻模内通过冷整形来消除应力的模锻件。 |
|
T7X |
过时效状态。 T79,初级过时效状态。 T76,中级过时效状态。具有较高强度、好的抗应力腐蚀和剥落腐蚀性能。 T74,中级过时效状态。其强度、好的抗应力腐蚀和剥落腐蚀性能介于T73与T76之间。 T73,完全过时效状态。具有最好的抗应力腐蚀和剥落腐蚀性能。 |
W状态
W_h—室温下具体自然时效时间的不稳定状态。如W2h,表示产品淬火后,在室温下当然时效2h。
W_h/_51、W_h/_52、W_h/_54—表示室温下具体自然时效时间的不稳定消除应力状态。如W2h/351表示产品淬火后,在室温下自然时效2 h便开始拉伸的消除应力状态。
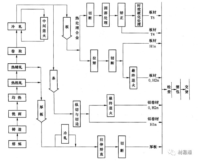
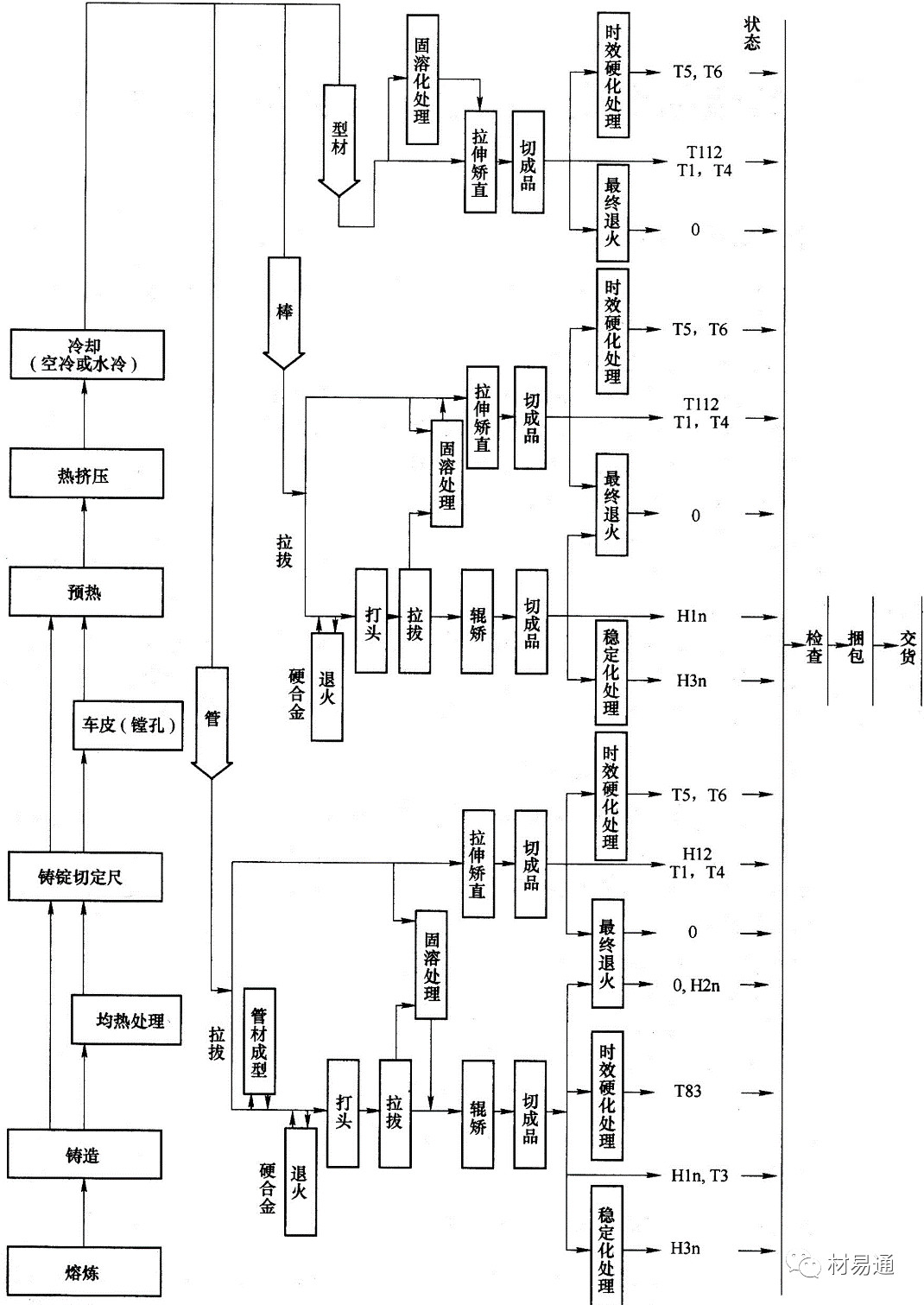
2变形铝及铝合金的品种及状态
1×××系

2×××系


3×××系

4×××系

5×××系


6×××系

7×××系

3变形铝及铝合金的典型用途
| 合金 | 典型用途 |
| 1050 | 导电体,食品、化工和酿造工业和挤压盘管,各种软管,各种软管,船舶配件,小五金,烟花粉 |
| 1060 | 要求耐蚀性与成形性均高的场合,但对强度要求不高的零部件,如化工设备、船舶设备、铁道油罐车、导电体材料、仪器仪表材料、焊条等 |
| 1100 | 用于加工需要有良好的成形性和高的抗蚀性,但不要求有高强度的零部件,例如化工设备、食品工业装置与储存容器、炊具、压力罐、薄板加工件、深拉或旋压凹形器皿、焊件零部件、热交换器、印刷版、铭牌、反光器具、卫生设备零件和管道、建筑装饰材料、小五金件等 |
| 1145 | 包装及绝热铝箔、热交换器 |
| 1350 | 电线、导电绞线、汇流排、变压器带材 |
| 1A90 | 电解电容器箔、光学反光沉积膜、化工用管道 |
| 2011 | 螺钉及要求有良好切削性能的机械加工产品 |
| 2014 | 应用于要求高强度与硬度(包括高温)的场合。重型锻件、厚板和挤压材料用于飞机结构件,多级火箭第一季燃料槽与航天器零件,车轮、卡车构架与悬挂系统零件 |
| 2017 | 是第一个获得工业应用的2系列合金,目前的应用范围较窄,主要为铆钉、通用机械零件、飞机、船舶、交通、建筑结构件、运输结构件,螺旋桨与配件 |
| 2024 | 飞机结构(蒙皮、骨架、肋梁、隔框等)、铆钉、导弹构件、卡车轮毂、螺旋桨元件及其他各种结构件 |
| 2036 | 汽车车身钣金件 |
| 2048 | 航空航天器结构件与兵器结构零件 |
| 2117 | 用着工作温度不超过100℃的结构件铆钉 |
| 2124 | 航空航天器结构件 |
| 2218 | 飞机发动机和柴油发动机活塞,飞机发动机汽缸头,喷气发动机叶轮和压缩机环 |
| 2219 | 航天火箭焊接氧化剂槽与燃料槽,超音速飞机蒙皮与结构零件,工作温度为-270~300℃。焊接性好,断裂韧性高,T8状态有很高的抗应力腐蚀开裂能力 |
| 2319 | 焊接2219合金的焊条和填充焊料 |
| 2618 | 厚板用着飞机蒙皮,棒材、模锻件与自由锻件用于制造活塞,航空发动机气缸、汽缸盖、活塞导风轮、轮盘等零件,以及要求在150~250℃工作的耐热部件 |
| 2A01 | 用着工作温度不超过100℃的结构件铆钉 |
| 2A02 | 工作温度200~300℃的涡轮喷气发动机的轴向压气机叶片、叶轮和盘等 |
| 2A04 | 用于制造工作温度为150~250℃结构件和铆钉 |
| 2A06 | 工作温度150~250℃的飞机结构件及工作温度125~250℃的航空器结构铆钉 |
| 2A10 | 强度比2A01合金的高,用于制造工作温度≤100℃的结构件铆钉 |
| 2A17 | 工作温度220~250℃的航空器零件,很多用途被2A16合金所取代 |
| 2A50 | 形状复杂的中等强度零件 |
| 2B50 | 航空器发动机压力机轮、导风轮、风扇、叶轮等 |
| 2A80 | 航空器发动机零部件及其他工作温度高的零件,该合金锻件几乎完全被2A70取代 |
| 2A90 | 航空器发动机零部件及其他工作温度高的零件,该合金锻件几乎完全被2A70取代 |
| 3003 | 用于加工需要有良好的成形性能、高的抗蚀性或可焊性好的零部件,或既要求有这些性能又需要有比1XXX系合金强度高的工件,如运输液体产品的槽和罐、压力罐、储存装置、热交换器、化工设备、飞机油箱、油路导管、反光板、厨房设备、洗衣机缸体、铆钉、焊丝 |
| 包铝的3003合金 | 房屋隔断、顶盖、管路等 |
| 3004 | 全铝易拉罐罐身,要求有比3003合金更高强度的零部件,化工产品与储存装置,薄板加工件,建筑挡板、电缆管道、下水管,各种灯具零部件等 |
| 包铝的3004合金 | 房屋隔断、挡板、下水管道、工业厂房屋顶盖 |
| 3105 | 房屋隔断、挡板、活动房板,檐槽和落水管,薄板成形加工件,瓶盖和罩帽等 |
| 4A11 | 活塞及耐热零件 |
| 4A13 | 板状和带状的硬钎焊料,散热器钎焊板和箔的钎焊层 |
| 4A17 | 板状和带状的硬钎焊料,散热器钎焊板和箔的钎焊层 |
| 4032 | 活塞及耐热零件 |
| 4043 | 铝合金焊接填料,如焊带、焊条、焊丝 |
| 4004 | 钎焊板、散热器钎焊板和箔的钎焊层 |
| 5005 | 与3003何静相似,具有中等强度与良好的抗蚀性。用作导体、炊具、仪表板、壳与建筑装饰件。阳极氧化膜比3003合金上的氧化膜更加明亮,并与6063合金的色调协调一致 |
| 5050 | 薄板可作为制冷机与冰箱的内衬板,汽车气管、油管,建筑小五金、盘管及农业灌溉管 |
| 5052 | 此合金有良好的成形加工性能、抗蚀性、可焊性、疲劳强度与中等的静态强度,用于制造飞机油箱、油管,以及交通车辆、船舶的钣金件、仪表、街灯支架与铆钉线材等 |
| 5056 | 镁合金与电缆护套、铆接镁的铆钉、拉链、筛网等;包铝的线材广泛用于加工农业捕虫器罩,以及需要有高抗蚀性的其他场合 |
| 5083 | 用于需要有高的抗蚀性、良好的可焊性的中等强度场合,诸如船舶、汽车和飞机板焊接件;需要严格防火的压力容器、制冷装置、电视塔、钻探设备、交通运输设备、导弹零件、装甲等 |
| 5086 | 用于需要有高的抗蚀性、良好的可焊性的中等强度场合,诸如舰艇、汽车和飞机、低温设备、电视塔、钻探设备、运输设备、导弹零件、甲板等 |
| 5154 | 焊接结构、储槽、压力容器、船舶结构与海上设施、运输槽罐 |
| 5182 | 薄板用于加工易拉罐盖,汽车车身、操纵盘、加强件、托架等零部件 |
| 5252 | 用于制造有较高强度的装饰件,如汽车、仪器等的装饰性零部件,在阳极氧化后具有光亮透明的氧化膜 |
| 5254 | 过氧化氢及其他化工产品容器 |
| 5356 | 焊接镁含量大于3%的铝镁合金焊条及焊丝 |
| 5454 | 焊接结构,压力容器,船舶及海洋设施管道 |
| 5456 | 装甲板、高强度焊接结构、储槽、压力容器、船舶材料 |
| 5457 | 经抛光与阳极氧化处理的汽车及其他设备的装饰件 |
| 5652 | 过氧化氢及其他化工产品容器 |
| 5657 | 经抛光与阳极氧化处理的汽车及其他设备的装饰件,但在任何情况下必须确保材料具有细的晶粒组织 |
| 5A02 | 飞机油箱与导管,焊丝,铆钉。船舶结构件 |
| 5A03 | 中等强度焊接结构件,冷冲压零件,焊接容器,焊丝,可用来代替5A02合金 |
| 5A05 | 焊接结构件,飞机蒙皮骨架 |
| 5A06 | 焊接结构,冷模锻零件,焊接容器受力零件,飞机蒙皮骨架部件,铆钉 |
| 5A12 | 焊接结构件,防弹甲板 |
| 6005 | 挤压型材与管材,用于要求强度大于6063合金的结构件,如梯子、电视天线等 |
| 6009 | 汽车车身板 |
| 6010 | 汽车车身板 |
| 6061 | 要求有一定强度、可焊性与抗蚀性高的各种工业结构件,如制造卡车、塔式建筑、船舶、电车、铁道车辆、家具等用的管、棒、型材 |
| 6063 | 建筑型材,灌溉管材,供车辆、台架、家具、升降机、栏栅等用的挤压材料,以及飞机、船舶、轻工业部门、建筑物等用的不同颜色的装饰构件 |
| 6066 | 焊接结构用锻件及挤压材料 |
| 6070 | 重栽焊接结构与汽车工业用的挤压材料与管材,桥梁、电视塔、航海用元件、机器零件导管等 |
| 6101 | 公共汽车用高强度棒材、高强度母线、导电体与散热装置等 |
| 6151 | 用于模锻曲轴零件、机械零件与生产轧制环导水雷与机械部件,供既要求有良好的可锻性能、高的强度,又要有良好抗蚀性之用 |
| 6201 | 高强度导电棒线与线材 |
| 6205 | 厚板、踏板与高冲击的挤压件 |
| 6262 | 要求抗蚀性优于2011和2017合金的有螺纹的高应力机械零件(切削性能好) |
| 6351 | 车辆的挤压结构件 |
| 6463 | 建筑与各种器械型材,以及经阳极氧化处理后有明亮表面的汽车装饰件 |
| 6A02 | 飞机发动机零件,形状复杂的锻件与模锻件,要求有高塑性和高抗蚀性的机械零件 |
| 7005 | 挤压材料,用于制造既要有高的强度又要有高的断裂韧性的焊接结构与钎焊结构,如交通运输车辆的桁架、杆件、容器;大型热交换器,以及焊接后不能进行固溶处理的部件;还可用于制造体育器材如网球拍与垒球棒 |
| 7039 | 冷冻容器、低温器械与储存箱,消防压力器材,军用器材、装甲板、导弹装置 |
| 7049 | 用于制造静态强度与7079-T6合金的相同而又要求有高的抗应力腐蚀开裂能力的零件,如飞机与导弹零件的起落架齿轮箱、液压缸和挤压件。零件的疲劳性能大致与7075-T6合金的相等,而韧性稍高 |
| 7050 | 飞机结构件用中厚板、挤压件、自由锻件与模锻件。制造这类零件对合金的要求是:抗剥落腐蚀、应力腐蚀开裂能力、断裂韧性与疲劳性能都高。飞机机身框架,机翼蒙皮,舱壁,桁条,加强筋,肋,托架,起落架支撑部件,座椅导轨,铆钉 |
| 7072 | 空调器铝箔与特薄带材;2219、3003、3004、5050、5052、5154、6061、7075、7475、7178合金板材与管材的包覆层 |
| 7075 | 用于制造飞机结构及其他要求强度高、抗蚀性能强的高应力结构件,如飞机上、下翼面壁板,桁条,隔框等。固溶处理后塑性好,热处理强化效果特别好,在150℃以下有高强度,并且有特别好的低温强度,焊接性能差,有应力腐蚀开裂倾向,双级时效可提高抗SCC性能 |
| 7175 | 用于锻造航空器用的高强度结构件,如飞机外翼梁,主起落架梁,前起落架动作筒,垂尾接头,火箭喷管结构件。T74材料有良好的综合性能,即强度、抗剥落腐蚀与抗应力腐蚀开裂性能、断裂韧性、疲劳强度都高 |
| 7178 | 供制造航天器用的要求抗压屈服强度高的零部件 |
| 7475 | 机身用的包铝的未包铝的板材。其他既要有高的强度又要有高的断裂韧性的零部件,如飞机机身、机翼蒙皮,中央翼结构件,翼梁、桁条,舱壁,T-39隔板,直升机舱板,起落架舱门,子弹壳 |
| 7A04 | 飞机蒙皮、螺钉以及受力构件,如大梁桁条、隔框、翼肋、起落架等 |
| 7150 | 大型客机的上翼结构,机体板梁凸缘,上面外办主翼纵梁,机身加强件,龙骨梁,座椅导轨。强度高,抗腐蚀性良好,是7050的改良型合金,在T651状态下比7050的高10%~15%,断裂韧性高10%,抗疲劳性能好,两者抗SCC性能相似 |
| 7055 | 大型飞机的上翼蒙皮,长桁,水平尾翼,龙骨梁,座轨,货运滑轨。抗压和抗拉强度比7150的高10%,断裂韧性、耐腐蚀性与7150的相似 |
更多关于材料方面、材料腐蚀控制、材料科普等方面的国内外最新动态,我们网站会不断更新。希望大家一直关注中国腐蚀与防护网http://www.ecorr.org
责任编辑:韩鑫
《中国腐蚀与防护网电子期刊》征订启事
投稿联系:编辑部
电话:010-62313558-806
邮箱:fsfhzy666@163.com
中国腐蚀与防护网官方 QQ群:140808414
免责声明:本网站所转载的文字、图片与视频资料版权归原创作者所有,如果涉及侵权,请第一时间联系本网删除。
官方微信
《中国腐蚀与防护网电子期刊》征订启事
- 投稿联系:编辑部
- 电话:010-62313558-806
- 邮箱:fsfhzy666@163.com
- 中国腐蚀与防护网官方QQ群:140808414



