高氯化聚乙烯具有优良的耐侯性、耐久性、难燃性、抗渗透性、耐化学腐蚀性、耐水和酸碱盐,漆膜坚韧耐磨,热膨胀系数小,在涂料方面主要用作阻燃、建筑、桥梁、船舶及化工设备等钢结构重防腐涂料。
本研究用高氯化聚乙烯树脂为涂料主要成膜物,用化学镀技术制成的银包铜粉为导电填料而得到的防腐导电涂料,解决了铜系导电涂料中铜粉暴露在空气中易被氧化而降低导电性的问题,使导电性达到银的标准而成本却大大低于银。涂层不但具有优良的导电性,而且还能够在-20℃~50℃条件下带锈涂装,干燥速度快,具有优良的耐水、耐油、耐磨、耐候、防霉、防腐和阻燃性,同时还具有优良底面配套性和重涂性,还可回收重复使用。施工简便,可用喷、刷、浸、辊等方法进行涂装,易实现工业化自动涂装,特别适合外型复杂的异型体表面涂装。它将银、铜和高氯化聚乙烯三者的优势相结合,是一种具有发展前途的高导电、抗电磁干扰特种导电涂料。
1、实验部分
1.1、主要原料与仪器
高氯化聚乙烯(HCPE-65M,濮阳市诚惠化工有限公司)、超细紫铜粉(800目,无锡顺达金属粉末有限公司)、硝酸银(分析纯,天津金创贵金属有限公司)、三羟甲基丙烷(赣州市奇天化工有限公司)、己二酸(上海南翔试剂有限公司)。
数字欧姆表(SD2002型,上海乾峰电子设备厂)、涂膜冲击器(QCJ-120,深圳市三诺电子仪器有限公司)、漆膜附着力试验仪(QFZ,武汉格莱莫检测设备有限公司)、漆膜摆式硬度计(GB-X,天津试验机厂)、柔韧性测试仪(QTX-1731,天津市精科材料试验机厂)。
1.2、制备工艺
1.2.1 增韧改性树脂合成
在装有搅拌器及温度计、回流冷凝管的三口瓶中,依次加入各种原料,缓慢升温至200℃,保持回流到合格,然后用甲苯兑稀,搅匀后包装,简称HSR。检测指标:粘度50±5s(格氏管25℃),固体份80±2%,羟基含量3±0.5%,酸值≤10mgKOH/g,树脂配方见表1。

树脂配方
1.2.2 银包铜导电粉末的制备
(1)各种反应液配制
主盐溶液:在0.9L蒸馏水中加入20gAgNO3,搅拌至完全溶解,并在搅拌下滴加NH3H2O,产生黑褐色沉淀,再继续滴加NH3H2O直至沉淀恰好完全溶解成透明溶液为止,接着加入60mL25%的NaOH溶液,又形成沉淀,再滴加氨水,使溶液恰好清澈透明后,再过量数滴氨水。
还原溶液:在1L蒸馏水加入45g葡萄糖(C6H12O6),10g酒石酸(C4O6H6),加热沸腾10min,冷却后加入25g聚乙二醇,100mL乙醇,搅拌均匀。
(2)铜粉表面处理
取一定量800目超细紫铜粉,加适量丙酮,研磨15min,静置10min,浸出丙酮液,在铜粉中加入适量10%的稀硫酸,搅拌0.5h,抽滤,并用蒸馏水冲洗至无Cu2+为止,取出铜粉,60℃真空烘干,待用。
(3)化学镀银
将20g经表面处理的铜粉与还原溶液混合10min,再加入主盐溶液,搅拌,在室温条件下超声分散20min,镀银完成后,用蒸馏水洗涤若干次后过滤,60℃真空干燥后得到银包铜金属粉末,简称Ag/Cu。
1.2.3 导电涂料的制备
(1)在60℃下将HCPE溶解成外观透明的40%HCPE甲苯液,待用。
(2)将自制银包铜粉末用KH550处理后低温烘干,得到改性银包铜粉末。
(3)将改性银包铜粉用少量溶剂和润湿分散剂浸润,再添加到增塑改性树脂中,搅拌,然后再添加40%HCPE液和适量稀释剂,搅匀即可,参考配方见表2。

高氯化聚乙烯防腐导电涂料配方
1.3、漆膜主要性能检测
按GB1727-92和GB/T9271-88中规定的马口铁板、玻璃板、钢板规格进行选材、底材处理和检测样板制备,在23±2℃,RH50±5%下干燥并检测。
2、结果与讨论
2.1、增韧改性物质的选择
HCPE树脂单独使用脆性大,易剥落,需改性。用于增韧改性的物质可以是柔性聚合物,也可以是高沸点难挥发的溶剂或固体,本试验选用HSR和CP-52分别与40%HCPE甲苯液和Ag/Cu进行复配,颜基比为1:1.5,其它物料配比不变,以说明树脂型增塑剂与高沸点溶剂型增塑剂增塑效果的差异,见图1。

增塑剂增塑效果
可以看出:CP-52增塑效果显著,少量添加,漆膜就迅速变软,但漆膜光泽低,丰满度差,且易挥发,易渗出,耐久性差。HSR增塑效果柔和,涂层光泽、丰满度、冲击强度和附着力等性能随着用量增加而逐步改善,若过量,涂层主体性能将逐步由HCPE转向HSR,所以综合考虑漆膜装饰性、防腐性和其它各项性能,应配合使用树脂型和溶剂型增塑剂。
2.2、稀释剂对涂料性能的影响
稀释剂对导电涂料至关重要,其作用虽然是溶解树脂和改善涂料粘度,但它却决定了涂料的储存稳定性、施工性、金属粉体分布均匀性和涂层最终性能。对本试验所用的高氯化聚乙烯树脂来说,芳烃、卤代烃、酯类和酮类都是真溶剂,由于溶解力和挥发速度不同而对涂料性能影响很大,见表3。

有机溶剂对涂料性能影响
可以看出在配方不变的情况下,若单独使用各种有机溶剂进行兑稀,若溶解性强,涂料粘度低,粉体易沉底,造成储存稳定性降低;挥发性强,干燥速度快,表干时间短,漆膜易产生桔皮、气孔和气泡,同时易造成Ag-Cu粉分布不均匀,从而影响涂层外观、附着力和导电性等性能,所以稀释剂的选择必须综合考虑各项性能和成本,应设计一种具有适宜溶解性和挥发梯度的混合溶剂,以确保涂料高固体分低粘度和高导电性能,确保树脂在涂料施工过程中始终保持良好的溶解状态。本试验选用丙酮、甲苯、醋酸乙酯和丁酯组成的混合溶剂作为稀释剂。
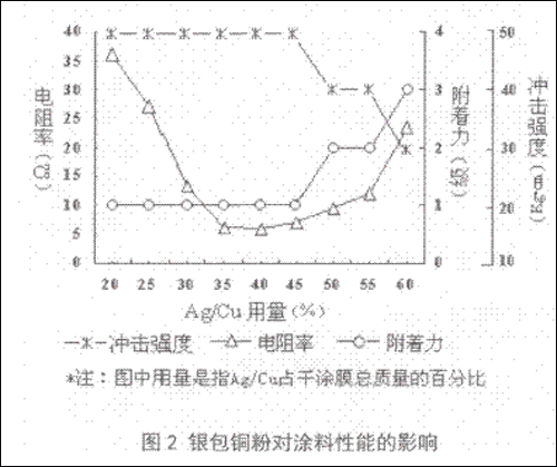
2.3、银包铜用量对涂料性能的影响
HCPE本身是绝缘的,其导电性源于银包铜粉,它的品质和用量是涂层导电的关键。本文在配方中其它原料保持不变的情况下,改变Ag/Cu用量,考查对性能的影响,见图2。

银包铜粉对涂料性能的影响
涂料导电通常通过导电粒子直接接触和隧道效应来传输,所以要想获得电导性,导电粉体用量必须达到临界值,即渗逾值,这里Ag/Cu渗逾值为20%,小于此值,金属粒子间相隔较厚树脂膜,不连续而呈断路,只能导静电甚至绝缘;当达到渗逾值时,两金属颗粒间相隔一层很薄的树脂膜,表现出电阻较大,随着用量增大,树脂层逐渐变薄,电阻下降,最终使金属粒子因相互挤压而紧密接触,成为导体,涂层导电性达到极限,但继续增大到一定程度时(>55%),树脂不足以包裹金属粉体时而使颗粒疏散,涂层导电性、附着力和冲击强度下降急剧下降,所以当Ag/Cu用量为干膜总质量的40±5%,涂层综合性能最佳。
3、结论
本试验选用防腐性能优异并且快干的高氯化聚乙烯树脂为涂料主要成膜物,用自制高固体树脂为增韧改性树脂,以提高涂层柔韧性、光泽、附着力和冲击强度等性能;用丙酮、乙酯、甲苯和醋酸丁酯组成的混合溶剂作为稀释剂,以提高涂料储存稳定性和施工性,确保涂层具有优良的外观、光泽等各项性能;用KH550处理的Ag/Cu为导电填料,克服了铜粉易被空气氧化而造成导电性下降的缺陷,又解决了纯银粉价格贵且在涂层中易迁移的问题,制成的防腐导电涂料具有优良导电性、防腐性和化学稳定性等综合性能,是一种具有发展前途的新型导电涂料。
更多关于材料方面、材料腐蚀控制、材料科普等方面的国内外最新动态,我们网站会不断更新。希望大家一直关注中国腐蚀与防护网
http://www.ecorr.org.cn/。
责任编辑:班英飞
《中国腐蚀与防护网电子期刊》征订启事
投稿联系:编辑部
电话:010-62313558-801
邮箱:ecorr_org@163.com
中国腐蚀与防护网官方 QQ群:140808414
官方微信
《中国腐蚀与防护网电子期刊》征订启事
- 投稿联系:编辑部
- 电话:010-62313558-806
- 邮箱:fsfhzy666@163.com
- 中国腐蚀与防护网官方QQ群:140808414


