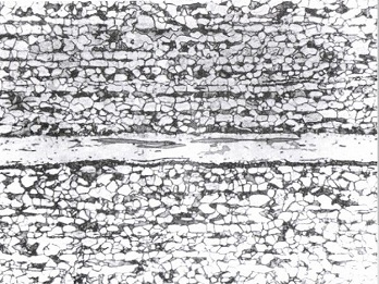
Q235钢金相图谱
2013-06-20 09:39:48 作者:曹雪来源:

Q235钢,200×,4%硝酸酒精溶液,热轧后缓冷,鬼线,铁素体及珠光体呈带状分布