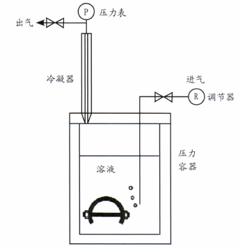
通常采用单轴拉伸试样的恒载荷试验是对各向同性材料进行实验的首选方法,如图1所示。试验过程中,将试样的整个标距段浸泡在试验液中,并且保证新鲜的H2S气体不断的补充到实验容器中。对于常温常压的实验条件,可以用应力环装置来进行,而高温高压下的试验则必须要在高压釜内进行并配以可施加持续载荷的实验机装置进行加载。
对于耐蚀合金系列材料,进行恒载荷和持续载荷试验时,所施加的强度为材料在试验温度下真实屈服强度的90%。在试样的准备及实验的过程中需要注意:试样标距部分和密封面的光洁度;加载时防止过载;试样接触溶液的部分与其他金属绝缘(GHSC试验时除外);容器中所加入的溶液体积与试样的表面积的比值在30±10m1/cm2范围内。

通常判定试样在720h内为发生断裂即为合格,反之若在小于720h内产生标距内断裂则认为不合格。如果断裂位置不在标距范围内,试验失效。
四点弯曲和C环试验是通过施加恒定的总应变(挠度)来对试样进行加载的,对于耐蚀合金系列材料,进行SSC和SCC试验时,试样应承受试验温度下试验材料的100%真实屈服强度。值得注意的是,对于在试验温度及载荷下可能由于蠕变而松弛的材料不适合用这种总应变的方法进行评估。
试验中需要注意的是,由于四点弯曲和C环试验是试样整体浸泡在测试溶液中,四点弯曲样品的加持部件与试样绝缘,C环的紧固螺纹应与试样选择同一种材料或者绝缘,以避免电偶作用产生的影响。当然在考虑电偶作用时除外。
通常判定试样在720h内为发生断裂即为合格,反之若在小于720h内产生标距内断裂则认为不合格。

IS015156中指出可以替代上述恒载荷或者恒应变试验方法的动态试验方案,即双悬臂梁(DCB)试验和慢应变速率(SSR)试验。DCB试验主要是对开裂机理进行研究的—种方法,而SSR试验是近年来被采用的—种相对快速简便的方法。SSR试验可以用来对金属材料抗各种环境开裂如SCC、氢脆及液态金属开裂性能进行评估。SSR试验已成为许多实验室进行耐蚀合金用于井下部件材料评估越来越常见的实验方法。对于不锈钢和镍基合金材料在模拟高温油田环境下的抗SCC性能,SSR试验是一种非常有效的方法。EFC17中也将SSR试验作为SSC/SCC试验的补充方法。
SSR试验—般以2.5×10-9 ~2.5×10-7m/s这种相对较慢的速率(对于标距为25.4mm的试样,相应的应变速率为1×10-7~1 ×10-5m/s)进行拉伸试验,试验进行到拉伸断裂为止。
在耐蚀合金系列油管材料中,对马氏体不锈钢材料可以采用1×10ˉ6m/s的应变速率进行试验,而对于镍基合金及其他奥氏体材料可以采用4×10-6m/s的应变速率进行试验。
SSR试验可以得到失效总时间、面积收缩率及延伸率等实验结果。将模拟环境下的实验结果与室温空气气氛下的实验结果相对比,通过比值的大小就可以对材料的抗SCC性能进行评估。同时还可以对试样的断口形貌进行观察,并根据韧脆断裂的百分数比之进行评级。例如对于固溶冷加工的镍基合金系列材料,比值不小于0.80即认为材料通过了SSR试验。
耐蚀合金油并管研究现状
据API网站公布的资料,截至2006年7月4日,我国已取得和正在申请API5CT证书的企业共133家,占全世界的50%左右。因此,无论从生产能力还是从生产企业的数量上看,我国已经是名副其实的油井管生产大国。但是我国出口的油井管大多属于低端产品,对于高技术含量、高附加值的高端油井管,如高韧性超高强度油井管、不锈钢及镍基合金油套管、特殊螺纹接头油套管、膨胀套管等基本依赖进口。
目前耐蚀合金油井管的生产企业主要集中在日本、欧洲和美国。主要的厂家包括:日本的住友、欧洲的VAM、瑞典的Sandvik、美国特钢以及德国的克虏伯等。这些厂家在耐蚀合金油井管的研究与生产上积累了大量的经验,在产品上都形成了系列的产品。
在我国,耐蚀合金油井管的研制近几年取得了很大的起步,具有规模生产能力的钢种有超级13Cr系列马氏体不锈钢油套管、镍基合金油套管产品等。随着勘探开发的难度加大,勘探开发环境越来越恶劣,国内外油田用户对耐蚀合金油井管的需求量也在不断的增加。因此加快我国耐蚀合金油井管产品的批量化供应能力,对提升我国钢管行业的制造水平和对耐蚀合金的学科认识具有重要的意义。
免责声明:本网站所转载的文字、图片与视频资料版权归原创作者所有,如果涉及侵权,请第一时间联系本网删除。
-
标签: 腐蚀耐蚀合金
官方微信
《腐蚀与防护网电子期刊》征订启事
- 投稿联系:编辑部
- 电话:010-62316606-806
- 邮箱:fsfhzy666@163.com
- 腐蚀与防护网官方QQ群:140808414



