一、显微组织辨识程序概述
钢铁材料的显微组织辨识需要遵循一个基本的识别程序:
确定实验钢的牌号和化学成分。 了解实验钢的加工履历及物理状态,例如铸造 、锻压、焊接、热处理等工艺。 选择检测设备进行观察,例如光学显微镜(OM)、扫描电镜(SEM)、透射电镜(TEM)、扫描隧道显微镜(STM)、激光扫描共聚焦显微镜(LSCM)等 ,由于检测设备不同,成像原理不同,放大倍数不同,因此所得的图像形貌色调不同或灰度不等。 熟悉钢的相图,了解实验钢的临界点、动力学曲线,例如等温转变(time-temperature-transformationdiagram,TTT)图、连续冷却转变(continuouscoolingtransformation,CCT)图等,作为分析判断的依据。 掌握钢的相变机制,熟悉实验钢在相应工艺条件下的相变过程。 将有关材料、相变等知识翔实而系统地储存在“脑海”里 ,形成 一个 “软件”,能够随时从“脑海”中调出来,作为分析的工具,即应用“智能软件” 识别显微组织。
金属材料微观组织图像无论是贝氏体,还是马氏体,其图案是以不同程度的灰度来呈现的,除了形貌、层次不同的灰、白线条,就是层次不同的灰、白区域。要辨别他们属于那种组织首先要以钢的化学成分或者具体的钢号作为判断基础数据。如果不明确成分就难以准确识别组织类型。
图1 两种合金的片状组织的比较 :(a)Cu-11.8%Al合金的共析组织(OM);(b)T8钢的片状珠光体组织(OM)
图2 各种钢的网状组织(OM)a)20MnSiNb钢的网状铁素体+珠光体组织;b) T7钢的网状铁素体+珠光体组织;c) GCr15钢的网状渗碳 体+珠光体组织
钢材不同的加工工艺也会得到不同的组织形貌,因此,还要调查了解实验钢的加工过程,例如铸造、锻压、焊接、热处理等,了解其工艺参数,才能判断在该工艺下应当得到什么组织,为准确识别显微组织类型提供实验背景或前提条件。
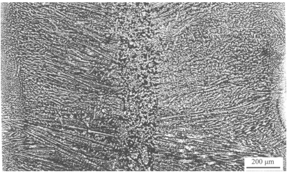
图3 钢中的各种条带状组织(a)OM;(b)TEM;(c)SEM
图3 钢中的各种条带状组织(a)OM:1 6Mn2VNb经热轧空冷后的“流线”形貌,实际上是带状组织,白色区域是贫碳带,黑色区域是富碳、富含合金元素的区域,珠光体组织较多,是由枝晶偏析造成的;(b)TEM:Fe-Mn-Si-Al合金的孪晶组织,是在挤压成形过程中形成的形变孪晶;(c)SEM:为超低碳贝氏体钢经热轧-控制冷却得到的极细小的条片状贝氏体组织。
依据检测要求,预测样品将得到的组织类型,选择检测设备。如果预测组织粗大,则可采用光学显微镜、激光扫描共聚焦显微镜进行观察。有时先进行光学显微镜观察;再进行激光扫描共聚焦显微镜观察,需要观察更细的组织结构时,则用扫描电镜或透射电镜,做检测时最好熟悉多种设备的使用方法。一般钢材的铸造组织比较粗大,可采用光学显微镜或激光扫描共聚焦显微镜进行观察。如需进一步观察钢带的柱状晶或等轴晶内部的亚结构,需要选择扫描电镜或透射电镜;此外,若要求观察断口形貌,需采用扫描电镜;若还得观察样品表面的浮凸及其尺寸,则需要采用扫描隧道显微镜、原子力显微镜等。
图4 铸造 304不锈钢薄带横截面的枝晶组织(OM)
图5 采用透射电镜观察到的层错结构
金属显微组织是相变产物,因此需要我们掌握钢材的五大转变规律,洞悉金属固态相变理论,熟悉不同实验条件下发生的组织转变类型、相变过程及组织形貌的变化规律,还需要掌握钢铁的临界点、相图、动力学曲线(TTT图、CCT图)等,并将这些知识在脑海中形成相变知识系统,在进行分析、判断和识别组织时随时调用。
二、奥氏体组织辨识
奥氏体的定义:钢中的奥氏体是 C 或各种化学元素溶入γ-Fe 所形成的固溶体。实际工业用钢中的奥氏体是指具有一定碳含量,有时特意加入一定含量的某些合金元素而形成的固溶体。奥氏体中还常存在少量杂质元素,例如 Si,Mn,S,P,0,N,H等。因此奥氏体是多种化学元素构成的一个整合系统。在铁-碳相图中奥氏体相区处于临界点A1温度以上,是珠光体在高温下逆共析转变而成的。
奥氏体是面心立方结构,原子呈密排堆垛结构,是最密集的原 子堆垛方式。当其 {111}晶面暴露在样品表面时,比暴露在表面的铁素体的{011}晶面能量低,电极电位高,故硝酸酒精溶液难以腐蚀,在显微镜下呈现不同的灰度,这是鉴别显微组织类型的依据之一。
图6 a)50CrVA钢经 1100°C加热形成的奥氏体组织,是 C、Cr、V等元素溶入γ-Fe的固溶体;(b)奥氏体不锈钢1Cr18Ni9Ti在室温时的奥氏体组织,是, γ -Fe中溶入了C、Cr、Ni等化学元素形成的固溶体,可见,奥氏体晶粒中有许多孪晶。
奥氏体组织中存在孪晶、层错、位错等亚结构。
退火孪晶是在奥氏体晶粒长大过程中形成的。一个奥氏体晶粒具有一定取向,晶粒的各向异性导致在其长大过程中,相邻晶粒受到胁迫,产生第三类应力。在晶粒形成或原子迁移过程中,发生(111)晶面的错排,就会形成孪晶。在奥氏体亚晶界的迁移过程中也可以形成退火孪晶。孪晶在长度方向上随着晶 界的迁移而长大,在厚度方向,则以台阶式长大。
图7 3041不锈钢中的奥氏体孪晶(TEM)
图8 奥氏体钢中的退火孪晶(OM):(a)OCrl8Ni9;(b)Inconel-600合金
退火孪晶的形貌特征:
① 在晶界交角处(界隅)的孪晶,有一条孪晶线;
② 横贯奥氏体 晶粒的孪晶;
③ 台阶型孪晶;
④ 不完整的半截型孪晶等。
另外,珠光体(铁素体+渗碳体)逆共析形成奥氏体时,比体积变小,是体积收缩的相变过程,这必将产生应变和应变能。奥氏体晶粒在沿着<111>晶向的生长过程中,由于收缩造成的应变越来越大,为了调整应变能,系统自组织功能可改变长大方向,沿着另一个<111>晶向生长,因此形成了孪晶。孪晶的特征是具有平直的界面,即孪晶界,相对于某一晶面的原子排列是镜面对称的。高分辨透射电镜(high-resolution transmission electronmicroscopy, HRTEM)下可清晰地观察到镜面对称的形态。
图9 (a)面心立方晶体中的孪晶关系;( b)Sm-Co合金的高分辨晶格像(HRTEM)
奥氏体的层错能较低,因此,奥氏体中还存在层错亚结构。层错是晶体缺陷,但层错能较低,可在一定条件下稳定存在。例如,将含氮奥氏体不锈钢样品加热到1100℃,保温30min,水冷进行固溶处理,在透射电镜下观察发现,含氮奥氏体晶粒中存在大量层错。
图10 含氮奥氏体不锈钢中的层错(TEM)
三、铁素体组织辨识
铁素体的定义:铁素体是各种化学元素溶入α-Fe中形成的固溶体。
铁素体属于体心立方结构,与奥氏体晶格相比,铁素体采用次密集的原子堆垛方式。铁素体在平衡状态下呈等轴多边形晶粒。铁素体软而韧,硬度为 30-100HB。在Fe-C合金中,它是C在α-Fe中的固溶体。在钢中,尤其是合金钢中,它是C和各种元素在α-Fe中的固溶体。在光学显微镜的光线照射下,铁素体为多面体晶粒,晶界呈灰黑色。每个晶粒浸蚀后的平面与原来的磨面倾斜了不同角度,在垂直光线照射下各个晶粒平面对光线的反射、折射不同,呈现灰度不同的晶粒。
图11 (a)铁素体的多面体晶粒;(b)纯铁的铁素体等轴状晶粒(OM)
图12 (a)晶粒腐蚀后的平面;(b)硅钢铁素体组织(OM)
在退火状态下,随着钢中碳含量的增加,铁素体量相对减少,珠光体量逐 渐增加,低碳钢中的铁素体呈等轴状晶粒,中碳钢的铁素体将以网状形态分布,此时为网状铁素体+珠光体组织,铁素体沿着晶界分布。图13所示为随着碳含量的增加铁素体组织形态的变化,此照片是低碳钢渗碳后缓冷的组织照片,表层碳含量高,是共析钢成分,组织是珠光体,因看不到片层结构而呈黑色。
图13 随着碳含量的增加铁素体形貌的变化(OM)
在含铜钢(Fe-1.5%Cu)中也发现了块状组织。该钢加热后分别进行空冷和冰盐水淬火,金相观察发现,空冷时形成等轴状铁素体晶粒,经冰盐水冷却,得到块状铁素体组织。图14(a)所示为空冷得到的等轴状铁素体晶粒组织,图14(b)所示为950℃加热后在冰盐水中冷却获得的块状铁素体组织,其晶粒细小,且晶界形状不规则。
图14 (a)Fe-1.5%Cu合金的等轴状铁素体 ;(b)块状铁素体
铁素体晶粒中存在亚晶,亚晶界面是小角度晶界,由位错组成,如图15所示。在低碳钢的铁素体组织中,不仅有位错线,而且有位错网,如图16所示。位错亚结构是线缺陷,位错线上有应变,采用透射电镜观察时,不能满足衍射条件,呈黑色线条。
图 15 汽车用钢的铁素体中的亚结构(TEM):(a)铁素体小角度晶界;(b)铁素体晶粒中的位错线
图 16 纯铁的铁素体中的位错线、位错网(TEM)
四、碳化物组织辨识
钢中的碳化物种类繁多,形态各异有片状、粒状、柱状、球状、网状、条片状、鱼骨状、卵石状、针状、方块状、短棒状、点列状、树林状、丛针状等。钢中的碳化物有渗碳体(Fe3C)、合金渗碳体【(Fe,M)3C】及各种特殊碳化物,例如MC型(VC,TiC,NbC等)、M2C型(Mo2C,W2C等)、M23C6型 (Cr23C6等)、M6C型(Fe3W3C等)。
图17 (a)高碳钢的片状珠光体组织(SEM);(b)Fe-2.6%Cr-0.96%C合金的珠光体组织(TEM)
图17(a)所示为高碳钢(0.75%C,0.65%Mn,0.15%Si,0.39%Cr)的片状珠光体组织。在扫描电镜下可观察到渗碳体片层的立体形貌像,其照片是二次电子像,凹下部位呈灰黑色,较为凸出的部位是渗碳体,呈灰度很小的灰白色。图17(b)所示为Fe-2.6%Cr-0.96%C合金的珠光体组织的透射电镜照片,两相的灰度正好与图(a)相反,灰白色是铁素体片,黑色线条区域是渗碳体片。这是电子束衍射成像的结果。在电子束照射下,铁素体相符合布拉格衍射条件,呈白亮色,而渗碳体相不符合布拉格衍射条件呈黑色。
钢在不完全退火或高温回火时,其中的碳化物往往呈颗粒状或球状析出, 形成球状珠光体或粒状珠光体组织。
1)H13钢的球化组织
钢在不完全退火或高温回火时,其中的碳化物往往呈颗粒状或球状析出, 形成球状珠光体或粒状珠光体组织。
图18所示为H13钢的球化退火组织,碳化物呈球状或颗粒状,基体为铁素体。H13钢球化退火后,制成薄膜样品,在透射电镜下观察,铁素体基体被电 子束穿透衍射成像,图像为白亮色,而碳化物颗粒耐腐蚀,较厚,电子束难以穿透,故呈黑色。即使碳化物薄且能被电子束穿透,但由于取向关系不同,因此不符合布拉格衍射条件,也呈黑色。
2)高碳钢的退化组织
高碳钢退火得到粒状珠光体组织,其中分布着不规则形貌的颗粒状渗碳体,如图19所示,是光学成像的照片。可见,渗碳体和铁素体基体均呈白亮色或灰白色。
图19 高碳钢的颗粒状渗碳体形貌(OM):(a)T10钢的退火组织 ;(b)Fe-1.4%C 合金的退火组织;(c)Cr2钢的退火组织;(d)GCr15钢的球化组织
3)非调质低碳钢的碳化物形貌
含钒(V)非调质钢中的碳化物是 VC或V4C3。V4C3是C原子缺位的VC, 在铁素体基体上呈细小颗粒状不规则分布,有时呈短棒状。图20所示为0.29%C+O.88%V钢经1000℃加热后正火的透射电镜照片。由图20(a)可以看出,VC颗粒细小,弥散在铁素体基体上,分布不规则。图20(b)为其透射电镜的暗场像,白亮点为VC颗粒。
图20 铁素体基体上的VC球状颗粒(TEM)
针状碳化物并不多见,以图21针状二次渗碳体形貌进行识别程序。
图21 高碳钢轨钢的魏氏组织(OM)
1) 确定钢的牌号 :U71Mno钢锭心部偏析区的碳含量达1.4%(质量分数)。
2) 工艺:钢锭心部的偏析区凝固缓冷。
判定:该组织为高碳钢的魏氏组织。渗碳体呈针状析出。
解释:由于选择性结晶,钢锭心部的碳含量达1.4%,为过共析成分,在缓冷过程中,沿着粗大奥氏体晶界析出先共析渗碳体(二次渗碳体),呈网状特征(白亮色),继续冷却,沿奥氏体晶界,渗碳体向晶内沿着惯习面生长,呈针状(立体形态可能为片状),形成魏氏组织。粗大的针状渗碳体的电极电位较高,难以被硝酸酒精溶液腐蚀,在光学显微镜下呈白亮色。当温度降低到临界点A1以下时,余下的奥氏体则共析分解为片层状珠光体组织,这种魏氏组织中的渗碳体形貌多样,有网状渗碳体、针状渗碳体,在片层状珠光体中有片状渗碳体。
除了较为典型的片状碳化物、粒状碳化物、网状碳化物、针状碳化物等外,碳化物的形貌实际上是非常复杂的,可因转变条件不同而形成形形色色的形貌。图22为H13钢中的碳化物形貌,有短棒状、树林状、丛针状,实际上是珠光体的不同形貌,基体是铁素体。黑色的区域是碳化物,白亮色的区域是铁素体基体。
图22 H13钢的珠光体组织(TEM):(a)短棒状;(b)树林状 ;(c)丛针状
铸铁、超高碳钢、中高碳合金模具钢等其钢液凝固结晶时,可能形成莱氏体碳化物+奥氏体,其碳化物呈鱼骨状,这种莱氏体组织中的奥氏体在冷却过程中可转变为马氏体组织。图23所示为高铬铸铁的淬火组织。其中,白色鱼 骨状物为碳化物 ,这种碳化物是从液体铁水中结晶出来的一次碳化物,呈树 枝状长大, 在二维金相上呈鱼骨状。碳化物夹缝中是针状马氏体 +残留奥氏体 。其中,马氏体片为灰黑色 ,已经自回火,经氯化高铁盐酸水溶液浸 蚀后呈灰黑色,马氏体片夹缝中存在白色的残留奥氏体。而碳化物和奥氏体未受浸蚀。
图 23 高铬铸铁的碳化物+马氏体整合组织(OM)
H13钢是中碳中合金钢,其钢锭中容易出现液析碳化物,锻造时可被碎化 ,并且沿着压延方向分布。钢中的枝晶偏析,会形成带状组织,也沿着锻轧方向分布。图24所示为H13钢的带状组织及液析碳化物。带状组织和液析碳化物均降低钢的韧性,也容易在模具淬火时导致裂纹产生,必须消除。清除带状组织和液析碳化物的最好的方法是将钢锭或锻坯进行均质化退火,即加热到 1250-1300℃保温 30h。
图24 H13钢的带状组织及液析碳化物(OM)
五、珠光体组织辨识
组成珠光体的相有铁素体、渗碳体、合金渗碳体、各类合金碳化物等。珠光体组织有片状、细片状、极细片状、点状、粒状、球状、 渗碳体形态不规则的类珠光体以及相间沉淀等多种组织形态。
珠光体的定义:珠光体是过冷奥氏体分解为共析铁素体和共析渗碳体( 或碳化物)的整合组织。珠光体由两相组成,但铁素体相对量大是基体,渗碳体或碳化物相的形态各异,因而构成了珠光体不同的形貌。
将共析钢加热到奥氏体相区,充分奥氏体化,缓慢冷却后可得片状珠光体组织。识别组织首先要核对其化学成分。
图 25 71Crl锯片用钢的索氏体组织(SEM)
图25为71Crl锯片用钢的锻后珠光体组织。该钢的主要成分为:w(C)=0.75%,w(Mn)= 0.64%,w(Cr)=0.39%,确认该钢是含有少量合金元素的共析钢。该钢锻造后空冷可得片状珠光体组织,由铁素体+渗碳体两相组成。
图26 高碳钢的片状珠光体的组织形貌:(a)片状珠光体的立体形貌(SEM);(b)T8钢的索氏体组织(OM)
图26所示为高碳钢的片状珠光体的组织形貌,该钢的主要成分为:w(C)=0.75%,w(Mn)=0.50%,w(Si)=0.15%。图 (a)所示为高碳钢在扫描电镜二次电子像中观察到的珠光体形貌,灰黑色的为铁素体,灰白色的为渗碳体片。(b)为高碳钢的光学显微镜照片,基体的灰白色区域是铁素体,而渗碳体是黑色片条,是索氏体组织。珠光体以铁素体为基体,渗碳体所占的体积分数较少, 即渗碳体片厚度较薄,在高倍下观察才能知道渗碳体片厚度。当物镜的分辨能力小于渗碳体片厚度时,则只能看到一条黑线。
图27 (a)片状珠光体 ;(b)浸蚀后的样品表面
图27(a)所示为片状珠光体,图(b)所示为浸蚀后的样品表面的凹凸形貌(箭头所示),可见渗碳体片较为凸出。
图28 高碳钢的片状珠光体组织:(a)钢轨钢的珠光体+先共析渗碳体组织(OM); (b)T8钢的片状珠光体表面浮凸(STM);(c)高碳钢 Fe-2.6%Cr-0.96%C的片状珠光体组织(TEM):(d)T8钢的片状佚光体+先共析铁素体表面浮凸(SEM)
如图28所示,同样是珠光体组织,分别采用光学显微镜、扫描隧道显微镜、透射 电镜、扫描电镜观察时,得到的图像形貌不同。
当过冷度较大时,过冷奥氏体在珠光体转变c曲线的鼻温以下可能转变为类珠光体组织,其碳化物形状不规则,不呈现平直而连续的片状,较难以识别。
图29 所示为X45CrNiMo4钢(德国钢号)的类珠光体组织照片。
可见,在灰白色铁素体基体上分布着形状不规则的碳化物,有片状的,也有颗粒状的。图(b)所示为该钢的薄膜样品的透射电镜照片,可见,白亮色的(灰度近于 0%)是铁素体基体,碳化物呈黑色或灰黑色(灰度不等,有时在90%以上)的不规则片状。
P92钢的类珠光体组织
P92钢奥氏体化后,在珠光体鼻温处进行等温转变,其产物的形貌特殊以往没有报道,是研究P92钢固态相变过程中的新发现。
图30 P92钢的铁素体+珠光体+碳化物的整合组织(SEM)
辨识程序如下:
1)钢的牌号:P92(美国),1OCr9MoW2VNb(我国)。
2)钢的主要化学成分(质量分数 ):w(C)=0.08%-0.12 %,w(Cr)= 8.0%-9.5%,w(Mo)=0.3%-0.6%,w(W)=1.5%-2.0%,w(V)=0.18%-0.25%,w(Nb)=0.06%-0.1%。
3)临界点和C曲线:临界点温度偏高,A,=826T,铁素体一珠光体转变C曲线的鼻温约为730℃,共析分解温度较高(660-820℃)。
P92钢的TTT图
4)热处理工艺:奥氏体化温度为1050℃,于745℃等温 10h
以上可以确认铁素体+珠光体+碳化物的整合组织。
其灰黑色区域是先共析铁素体(在图中标注为F),白亮的颗粒是碳化物。在灰黑色基体上分布着呈短棒状或颗粒状的灰白色相,此区域是珠光体,也是一种类珠光体组织(在图34a中标注为P,a)所示的珠光体呈长柱状,碳化物尺寸较长b)为这些长柱状的碳化物的横截面形貌。
在特定的奥氏体化和冷却条件下,过冷奥氏体向珠光体转变时也能形成粒状珠光体。粒状珠光体由铁素体基体和颗粒状碳化物组成,碳化物呈颗粒状弥散地分布于铁素体基体上。粒状珠光体在机械性能和工艺性能方面有一定优越性。图35为Fe-1.4%C合金及GrCr15钢的粒状珠光体组织。
图35 (a)Fe-1.4%C合金的粒状珠光体组织;(b)GrCr15钢的粒状珠光体组织(OM)
图36 4Cr5MoV1Si钢的球化退火组织:(a)TEM;(b)SEM 图36所示为4Cr5MoV1Si(H13)钢于 870°C加热,保温,再于 750°C等温 ,缓冷后得到的粒状珠光体组织的电镜照片。(a)所示为透射电镜照片,黑色球状颗粒是未溶碳化物,基体是铁素体。图(b)所示为在扫描电镜下测定的碳化物颗粒尺寸 ,可见其在 30-80nm之间,分布较为均匀。同时 , 退火锻轧材料获得软化(180HB)。 获得粒状珠光体的途径还有两个 :一个是片状珠光体低温退火,使片状碳化 物逐渐球化 ; 另一个是马氏体或贝氏体组织高温回火 (低温退火 )。 如果原始组织为片状珠光体,将其加热到临界点A1,稍下的温度长时间保温,这时温度较高,原子具有扩散能力,片状珠光体具有较高的表面能,转变为粒状珠光体后系统能量(表面能)会降低,片状珠光体则自发地转变为粒状珠光体。片状珠光体由共析渗碳体片和铁素体片构成 。渗碳体片的亚晶界处具有凹陷的沟槽,如图37所示。 图37 渗碳体片的球化示意图
六、贝氏体组织辨识
贝氏体组织的形貌和亚结构是研究贝氏体相变理论的重要组成部分,正确地认识贝氏体的组织结构具有重要的理论意义和工程应用价值。
按贝氏体在中温区形成的位置分类 按贝氏体在中温区形成的位置,可将贝氏体分为上贝氏体和下贝氏体。在较高温度(Bs点到贝氏体的鼻温)形成上贝氏体,在贝氏体鼻温以下至Ms点附近的较低温度区域形成下贝氏体。 图1 (a)X80钢的上贝氏体组织;( b)9SiCr钢的下贝氏体组织(OM)
钢的TTT图和CCT图是判断组织转变的重要数据,是辨识显微组织的重要依据之一。
按贝氏体组成相分类 贝氏体组织中存在贝氏体铁素体(BF)、碳化物、残留奥氏体等相。按照有无碳化物分为无碳化物贝氏体和有碳化物贝氏体,其中无碳化物贝氏体包括准上贝氏体、准下贝氏体、粒状贝氏体等。在贝氏体铁素体基体上分布着渗碳体或ε-碳化物的贝氏体属于有碳化物贝氏体。 按贝氏体组织形态分类 按贝氏体组织形态,可将贝氏体分为羽毛状贝氏体、粒状贝氏体、柱状贝氏体、板条状贝氏体、针状贝氏体、片状贝氏体、竹叶状贝氏体、正三角形贝氏体、N形贝氏体、蝴蝶形贝氏体等。 按贝氏体碳含量分类 按贝氏体碳含量,可将贝氏体分为超低碳贝氏体、低碳贝氏体、中碳贝氏体 、高碳贝氏体。
贝氏体与珠光体、马氏体的显著区别是贝氏体组织具有明显的过渡性。
图2 组织形貌的过渡性图解(箭头指向即温度降低方向):(a)珠光体 (OM);(b) 羽毛状贝氏体;(c)无碳化物贝氏体 ;(d)下贝氏体(OM);(e)准下贝氏体 ;(f)下贝氏体;(g)马氏体(SEM)
钢贝氏体的定义
钢中的贝氏体是过冷奥氏体的中温转变产物,它以贝氏体铁素体为基体,铁素体内部有亚单元及较高密度的位错等亚结构,有时存在渗碳体、残留奥氏体等相构成的整合组织。
钢中贝氏体相变的定义
钢中的贝氏体相变是以贝氏体铁素体形核-长大为主要过程,有时析出渗碳体(或ε-碳化物),或形成 M/A岛,存在残留奥氏体等相,形成多种形貌的贝氏体组织,是过冷奥氏体在中温区发生的具有过渡性特征的一级相变。
1)从片状珠光体到羽毛状贝氏体的过渡性特征
羽毛状上贝氏体与在晶界处形核并长大的珠光体有相似之处,贝氏体铁素体均呈条片状,仅碳化物分布形态有所区别。
图3(a)所示为 GCr15钢在 950℃加热奥氏体化,然后于450℃等温,得到羽毛状上贝氏体组织,可见酷似片层状的珠光体 ;与图3(b)中的共析钢的片状珠光体组织比较 ,颇有相似之处。
图3 (a)GCr15钢的羽毛状上贝氏体组织 ;(b)共析钢的片状珠光 体组织(SEM)
2)从下贝氏体到片状马氏体的过渡性特征
下贝氏体可在奥氏体晶界形核,有时也在晶内形核,具有片状或针状特征。 针状下贝氏体与片状马氏体相似,图4(a)所示为GCr15钢在 950℃加热奥氏体化,然后于300℃等温,采用光学显微镜观察到的针状(或片状)下贝氏体组织 ,酷似片状马氏体。图4(b)所示为低碳钢的渗碳层局部的淬火马氏体组织(自回火),可见,金相形貌非常相似,都有残留奥氏体(灰白色部分)。
图4 (a)GCr15钢的羽毛状上贝氏体组织 ;(b)共析钢的片状珠光 体组织(SEM)
3)亚结构的过渡性特征
贝氏体中的孪晶不具备普遍性,只有在某些高碳高合金钢等材料中,在其下贝氏体组织中才可能观察到孪晶亚结构。一般来说,孪晶在300℃以上保温一段时间(相当于回火),孪晶会消失。因此, 在350℃以上得到的上贝氏体中没有观察到孪晶亚结构。
图5 下贝氏体与片状马氏体的比较(OM):(a)GCr15钢的针状(或片 状)下贝氏体组织;(b)低碳钢的渗碳层局部的淬火马氏体组织
图6 贝氏体的各类亚结构:(a,b)贝氏体亚单元;(c)贝氏体亚片条;(d)贝氏体孪晶
上贝氏体组织形貌复杂,但基体是贝氏体铁素体,其上分布着 M/A岛的, 称为粒状贝氏体;其上分布着碳化物的,则多为羽毛状贝氏体;其上只有残留奥氏体的,则称为无碳化物贝氏体。
1)粒状贝氏体
低碳钢的粒状贝氏体组织 12CrMo钢薄样品加热到 950℃奥氏体化,然后分别淬入 530℃和 400℃的硝盐浴中等温,得到贝氏体组织,下图为为贝氏体铁素体+残留奥氏体两相的整合组织。当等温温度低时,贝氏体铁素体片条细小一些。图中的灰白色块状区为残留奥氏体,灰黑色区为基体,是贝氏体铁素体组织。 图7 12CrMo钢的无碳化物贝氏体(SEM):(a)530℃等温;(b) 400℃等温 35CrMo钢经淬火后形成贝氏体,经硝酸酒精溶液浸蚀后, 贝 氏体铁素体相易受腐蚀,较为低凹,故在扫描电镜二次电子作用下呈灰黑色, 而奥氏体受腐蚀轻 ,较为凸出,故在二次电子作用下呈灰白色。 图8 35CrMo钢的无碳化物贝氏体(SEM) 低碳微合金钢的粒状贝氏体组织 图9 低碳微合金钢的粒状贝氏体组织(OM) WB36(15NiCuMoNb5)钢是德国开发的一种焊接性能好 、热电企业应用的耐高温的 Ni-Cu-Mo型合金钢,属于低碳低合金贝氏体钢。图10a所示为WB36钢的粒状贝氏体组织,是扫描电镜二次电子像照片。灰黑色基体为贝氏体铁素体,其上分布的颗粒状或岛状物即为 M/A岛,呈灰白色。当冷 却速度缓慢时,WB36钢的奥氏体中将析出先共析铁素体组织。在随炉冷却过程中,冷却速度非常慢,奥氏体中将先析出等轴状铁素体,继续降温冷却,转变为贝氏体组织。在图b中可以看到取向不同的铁素体晶粒和条片状的贝氏体组织。 图10 (a)WB36钢的粒状贝氏体组织(SEM,二次电子像);(b)WB36钢的铁素体+贝氏体组织(LSCM) 超低碳钢的贝氏体组织 超低碳钢的碳含量小于 0. 08%,一般含有 V,Ti,Nb等强碳化物形成元素,与碳原子形成 MC型的特殊碳化物,碳原子被禁锢,这种钢的过冷奥氏体相变实际上是γ-->α的相变,可以转变为无碳化物贝氏体或板条状马氏体组织。超低碳贝氏体实际上都是无碳化物贝氏体。如图11所示,示 为含 1.4%-1.6%Mn,Nb,Cu,Ni,Mo,B元素总含量为0.8%-1.2%的超低碳钢的贝氏体组织,以此冷却速度分别为0.5℃/s、10℃/s、30℃/s。可见, 随着冷却速度的提高,转变温度由600℃降低到450℃,组织由块状铁素体演化为条片状的贝氏体。 图11 超低碳钢的贝氏体组织(OM) 超低碳贝氏体实际上是无碳化物贝氏体,钢中所含的微量碳 形成了特殊碳化物(MC)而被禁锢起来 ,或者碳原子偏聚在位错处,被大量位错所吸纳。X70,X80,X90等钢种通过控轧和控冷均可获得超低碳贝氏体组织。 图12 超低碳钢控轧、控冷后的贝氏体组织(OM) X80钢在1200℃奥氏体化后,再在950℃轧制后控制冷却,得到贝氏体组织如图13a所示。贝氏体呈条片状或板条状,与板条状马氏体的形貌相似难以区分,需要从其亚结构上分析,因为贝氏体与马氏体的亚结构不同,当冷却较慢时,会沿着奥氏体晶界首先析出网状铁素体组织,继续冷却, 在奥氏体晶粒内转变为贝氏体组织,如图b所示,可见为贝氏体+网状铁素体组织。 图13 (a)X80钢的贝氏体组织(OM);(b)X80钢的贝氏体十网状铁素体组织(OM) 2)羽毛状贝氏体 羽毛状贝氏体为上贝氏体,是一种典型形貌的贝氏体组织,属于有碳化物贝氏体一类,其组成相为条片状贝氏体铁素体+短棒状渗碳体,沿着奥氏体晶界析出,向晶内生长,渗碳体分布在贝氏体铁素体片条之间,呈短棒状断断续续地分布,构成羽毛状的贝氏体组织。 图14所示为GCr15钢的羽毛状贝氏体的扫描电镜照片,可见,羽毛状贝氏体沿着奥氏体晶界向两侧生长,尚未转变的奥氏体在淬火后转变为马氏体组织。 图14 GCr15钢(a)羽毛状贝氏体(SEM);(b)经过450℃等温得到的羽毛状贝氏体(SEM) 图15 (a)高碳钢轨钢的羽毛状贝氏体组织(OM);(b)Q235钢的羽毛状贝氏体组织(OM) 下贝氏体分为有碳化物下贝氏体和无碳化物下贝氏体(或称为准下贝氏体)。 1)有碳化物下贝氏体组织 有碳化物下贝氏体主要由贝氏体铁素体+碳化物相组成,碳化物的分布形态是其主要特征。在光学显微镜下,下贝氏体一般呈针状或竹叶状。由于存在碳化物,易受硝酸酒精溶液浸蚀 ,在光学显微镜下呈黑色或灰黑色,下贝氏体中的碳化物一般是渗碳体,有时是ε-Fe2.4C,具有密排六方结构。 辨识下贝氏体时,一要看其金相形貌,例如呈黑色针状或竹叶状;二要看其内部分布的碳化物,其中的碳化物往往与贝氏体片主轴方向呈交角分布。 图16GCr15 钢的下贝氏体(OM) 如图17所示,下贝氏体片被碳化物分割为许多亚片条(或亚单元),亚片条间分布着碳化物,这些碳化物与贝氏体片主轴方向不平行,有不同大小的交角,在 0-90°之间变动。 图17 Fe-0.9%C-1.5%Cr合金的下贝氏体组织(SEM) 图18 GCr15钢的下贝氏体组织(SEM) 总之,下贝氏体碳化物的形貌复杂,有短棒状、短片状、纤 维状、层片状等形貌,存在于贝氏体片内部,碳化物颗粒粗细不等,长短不一。碳化物与贝氏体铁素体片主轴方向的交角也不等,既有平行的,也有呈不同角度分布的。 2)无碳化下贝氏体组织 含硅元素较多的钢,其下贝氏体是无碳化物下贝氏体。无碳化物下贝氏体由贝氏体铁素体和残留奥氏体组成。下贝氏体是在贝氏体转变温度区的下部(贝氏体C曲线鼻温以下)形成的, 呈单个条片状,片条间经常互相呈交角分布。 图19 60Si2CrV钢的下贝氏体组织:(a)OM;(b)SEM 80Si3MnAl钢经 950℃奥氏体化保温后,迅速投入到温度为 300℃的盐浴炉中,等温淬火得到下贝氏体组织,如图20所示,由许多亚片条组成,可见,下贝氏体呈针状或竹叶状,凹下去的灰黑色组织为贝氏体铁素体亚单元,凸起的灰白色组织为残留奥氏体(箭头所指),最终得到贝氏体铁素体+残留奥氏体的整合组织,即无碳化物贝氏体。 图20 80Si3MnAl钢的下贝氏体组织:(a)OM;(b)SEM 由于石墨球几乎没有强度,因此其与奥氏体晶粒的相界面相当于表面,表面或相界面是容易形核的地方,下贝氏体首先在石墨球与奥氏体的界面上形核 ,然后向奥氏体晶内长大 ,如图21所示,下贝氏体呈细长的针状 ,在石墨球表面上形核,然后向奥氏体晶内长大,在石墨球相界面长出许多细小的黑色针状贝氏体。 图21 下贝氏体在石墨球与奥氏体的界面上形核,向晶内长 大:(a)OM;(b)SEM 亚结构指在电镜下所能分辨的贝氏体铁素体片条内部的细节,例如亚片条、亚单元、超细亚单元、位错、精细孪晶等的形态、尺寸、界面结构等。 1)亚片条、亚单元 大量实验表明,条片状的贝氏体铁素体是由亚片条、亚单元组成,亚片条由更小的单元组成,亚单元有方形、多边形等形貌,尺寸在 10-200nm范围内。亚单元通常在已经形成的贝氏体铁素体端部附近形核,通过纵向伸长与增厚的方式长大。下贝氏体片条由亚片条组成,亚片条由亚单元组成,亚单元由若干个超细亚单元组成。 图22所示为下贝氏体组织的金相照片,可见,下贝氏体为针状形貌,呈黑色,看不清内部的亚结构。图22(b)是将图22(a)在扫描电镜下放大观察的结果,可以清晰地看到贝氏体铁素体片由亚片条组成。 图22 Fe-1.0%C-4.0%Cr-2.0%Si钢的下贝氏体组织:(a)OM;(b)SEM 铁素体亚单元 、亚片条的尺寸随着温度的降低而减小 。亚单元的宽度随着温度的升高而增大,亚片 条的长宽比随着温度的升高而减小 ,铁素体片中亚单元的数量随着温度的升高而减 少。位错密度随着温度的升高而减小,如图23所示 。 图23 亚结构尺寸与转变温度的关系 2)较高密度的位错、孪晶 贝氏体组织中也有较高密度的位错,个别高碳合金钢中可观察到孪晶亚结构。图24(a)所示为超低碳合金钢贝氏体铁素体中的位错墙;图24(b)所示为该组织中的高密度的位错网络。 图24 超低碳合金钢贝氏体铁素体中的位错墙(a)及位错网络(b)(TEM) 随着转变温度的降低, 贝氏体铁素体中的位错密度增大。贝氏体铁素体中的位错密度与转变温度 的关系如图25所示,可见,位错密度随着转变温度的升高而减小 。 图25 贝氏体铁素体中的位错密度与转变温度的关系 七、马氏体组织辨识 马氏体的定义: 马氏体是经无需扩散的、原子集体协同位移的晶格改组过程,得到具有严格晶体学关系和惯习面的,相变产物中伴生极高密度的位错、精细孪晶或微细层错等晶体缺陷的整合组织。 马氏体相变的定义: 原子经无需扩散的集体协同位移进行晶格改组,得到的相变产物是具有严格的晶体学位向关系和惯习面,极高密度的位错、层错或精细孪晶等亚结构的整合组织,这种形核-长大的一级相变称为马氏体相变。 按碳含量分类 按碳含量可将马氏体分为: ①超低碳马氏体,即碳含量小于0.08%的钢 淬火得到的马氏体; ②低碳马氏体,即碳含量为0.09%-0.25%的钢淬火得到的马氏体; ③中碳马氏体,即碳含量为0.25%-0.5%的中碳钢淬火得到的马氏体 ; ④高碳马氏体,即碳含量为 0.55%-1.2% 的高碳钢淬火得 到的马氏体 ; ⑤超高碳马氏体, 即碳含量大于 1.3%的超高碳钢淬火得到的马氏体,也包括铸铁的淬火马氏体 。 按组织形貌分类 马氏体组织形貌形形色色,非常复杂,较为典型的形貌有板条状马氏体 、片状马氏体、蝶 状马氏体 、透镜片状马氏体、薄片状马氏体 、隐 晶马 氏体 等 。 按亚结构分类 马氏体中具有极高密度的位错、精细孪晶、微细层错。近年来 ,通过透射电镜观察发现 ,钢的马氏体组织中也有层错。因此,按亚结构分类,钢的马氏体分为位错型马氏体、孪晶型马氏体 、层错型马氏体。 按晶体结构分类 按晶体结构可将马氏体分为体心立方 (bc)马氏体、体心正方 (body-centeredtetragonal,bct)马氏体、“ε-马氏体(hcp)等。 碳含量小于 0.08%(质量分数 )的马氏体称为超低碳马氏体 。当钢 中合金元素含量少 时 ,过冷奥氏体的稳定性差,马氏体点较高 ,一般工业冷却条件下难以获得新鲜的淬火马氏体组织。需要采用小样品或极薄样品,应用特殊冷却设备,以极快的冷却速度激冷。当钢中含有较多合金元素时,奥 氏体较为稳定,淬火也可获得板条状马氏体组织。在含有 V,Ti,Nb等元素的低碳合金钢中,由于碳原子与合金元素形成 MC 型碳化物, 碳原子被禁锢, 故其淬火马氏体晶格中几乎不含碳, 为体心立方晶格。 图26 所 示 为 O M n V T iN b 超 低 碳 钢 薄 样 品 经 1 2 0 0 °C 加 热 , 冰 盐 水 淬 火 , 得 到 的板 条 状马 氏体 组织。由于组 织细 腻 ,在光 学显微镜照片中,难以辨识其 形貌特征 ,可大致看 到 有 许 多板 条 状 马 氏体 领 域 。在 一个 板 条 状 马 氏 体 领域 中,板 条状 马 氏体细 长且 大致 平行 排列 。一 个奥 氏体 晶粒 中可形成几个板 条 状 马氏体领域。 图26 OMnVTiNb钢的淬火马氏体组织(OM) 对于某些超低碳高合金钢 ,合金元素大大提高了过冷奥氏体的稳定性,马氏体点也较低,空冷即可获得马氏体组织。OCr17Ni4Cu4Nb钢 (碳含量小于0.05%)的马氏体相变温度较低,Ma=121°C ,Mf=32°C,经1040°C固溶处理后空冷到室温可得板条状马氏体组织。图27所示为该钢的马氏体 组织 , 图27(a)所示为固 溶 +时 效 后 得 到 的 马 氏 体 组 织, 灰 白 色 区 域 和 灰黑 色 区 域 均 为 马 氏 体 组 织 , 只 是 取 向 不 同 ; 图27(b)所 示 为 固 溶 +调 整 处 理+ 时 效 后 得 到 的 板 条 状 马 氏 体 组 织 。 图27 OCr17Ni4Cu4Nb钢的马氏体组织(OM) 在超低碳钢 的马氏体组织 中 ,除了高密度的位错亚结构 ,也发现了少许孪晶和层错亚结构。 图28所示为含有 0.029%La的纯铁马氏体组织及孪晶的照片。从图28(a)中 可见有孪晶片, 进一步放大观察, 发现孪晶片中存在精细孪晶, 孪晶片间距约为10 nm。 图28 含有0.029%La的纯铁马氏体组织及孪晶(TEM) 在超低碳钢 的马 氏体组织 中还发现存在层错亚结构。超 高强度 的C r N iC o M 。马 氏 体 时 效 不 锈 钢 在 透 射 电 镜 下 观 察 发 现 , 板 条 状 马 氏 体 中 存 在 大 量堆垛层错,如图29所示。在体心立方结构的马氏体中,层错的错排次序常出现在密排晶面{110}或{112}上。 图 29 超高强度的 CrNiCoMo马氏体时效 不锈钢中板条状马氏体的层错(TEM) 板条状马氏体是超低碳钢、低碳钢 、中碳钢以及马氏体时效钢、超低碳不锈钢和低碳不锈钢中的一种典型的马氏体组织。碳含量为0.06%-0.25%的钢淬火得到的马氏体为典型的板条状形貌。一般认为碳含量小于 0.2%的马氏体为体心立方结构 。 图30(a)所示为10Mn2NiMoVB钢的板条状马氏体组织的光学显微镜照片。原奥氏体晶界清晰可见,在奥氏体晶粒内部存在许多取向不同的板条群, 每个板条群由许多细长的条片状的板条组成,这些板条薄厚不等,长短不一, 每个板条并非平直,排列大致平行,一般称为板条状马氏体。30(b)所示为板条状马氏体组织的形貌特征。 图 30 (a)1OMn2NiMoVB钢的板条状马氏体组织(OM);(b)板条状马氏体组织特征的示意图 图31 板条状马氏体组织形貌(SEM);(a)20Cr2Ni4;(b)20CrMo 近年来应用高分辨电镜观察发现,板条状马氏体中也存在孪晶,只是孪晶 量较少而已,此外还发现存在微细的层错。说明马氏体相变不是切变过程,用切变机制不能解释马氏体中层错的形成。图32(a)所示为12Cr1MoV钢于950℃加热后水冷淬火得到的板条状马氏体组织,板条宽度可达0.1-1μm。图(b)为在透射电镜下观察到板条内部为极高密度的缠结位错。 图32 12Cr1MoV钢的淬火马氏体组织:(a) OM;(b)TEM 图33(a)所示为P92钢的板条状马氏体形貌和其中的缠结位 错组态。马氏体片形成时,由于比体积增大而膨胀,造成的应力会使其周边的铁素体或马氏体产生应变而出现位错。图(b)所示为超低碳钢(0.06%C,0.5%Mn, 0.1%Si,0.015%P,0.016%S)的马氏体片周边铁素体中形成 的位错亚结构,可见,马氏体片中的缠结位错密度极高,而其周边的铁素体中受挤压变形而产生的位错密度较低,可见到一些位错线。 图33 (a)P92钢的板条状马氏体形貌和其中的缠结位错;(b)超低碳钢的马氏体片周边铁素体中的位错线(TEM) 随着碳含量的增大,马氏体组织转变过程为低碳钢的板条状马氏体-中碳钢的板条状+片状有机结合构成的马氏体组织-高碳钢的片状马氏体组织-透镜片状马氏体组织。工业用钢的碳含量大多在 0.1%-0.6%之间,其马氏体的形貌皆为板条状+片状有机结合构成的整合组织。 图 34所示 为45钢的马氏体组织形貌,其形貌似乎介于板条状和片状之间,图b中片条长度与其淬火加热时的奥氏体化温度有关,温度越高,奥氏体晶粒越粗大,成分也越均匀,马氏体板条越长。 图34 45钢的马氏体组织:(a)OM;(b)TEM 工业上常用的40Cr钢的马氏体点为355℃,其正常淬火组织-马氏体组织较为细小,不易观察。将其加热到1200℃后淬火得到的马氏体组织如图35所示,以板条状为主要特征,板条内部存在高密度位错,同时可见存在少量孪晶亚结构,如图35(b)中箭头所指。 图35 40Cr钢的板条状马氏体组织 (a)和少数孪晶(b)(TEM) 在高分辨电镜下观察发现,在板条状马氏体片中不仅存在高密度位错,还有微细层错。图36所示为35CrMo钢的马氏体板条内的微细层错(马氏体织织中的微细条纹),图36(a)的左下角是层错处的衍射花样 ,表明是单一的α相 ,不是孪晶。这些层错条纹微细,平行排列,其中还夹杂着位错,理 论上和实验上均表明位错和层错往往相伴共生,图36(a,b)中均有位错和层错 。 图36 35CrMo钢的马氏体板条内的微细层错(TEM) 碳含量为0.6%-1.3%的马氏体形貌一般认为是片状的。实际上,高碳钢马氏体形貌也很复杂,例如有针状、竹叶状、片状、蝶状、透镜片状以及隐晶马氏体等形形色色的形貌 。由于马氏体的形成温度不同,样品经硝酸酒精溶液浸蚀后,淬火组织中的马氏体颜色也往往深浅不一,在较高温度先形成的马氏体可能发生自回火而呈黑色或灰黑色,后形成的由于温度较低不易发生自回火而呈浅灰色或灰白色,且常和残留奥氏体相邻而有机地结合在一起,颜色稍暗,但能隐约看到马氏体的形貌。 图37所示为 T8钢的淬火马氏体组织。从图中可见,在奥氏体晶粒内先形成的马氏体片较长,几乎跨越了整个奥氏体晶粒,后形成的马氏体片越来越短小。样品在高温下奥氏体化,然后淬入200℃的盐浴中等温 1h。由于该钢的马氏体点为 245℃,因此得到少量的变温马氏体。这些马氏体在等温时被回火,然后取出淬火,抛光后用硝酸酒精溶液浸蚀,金相观察看到,初始形成的马氏体片由于被回火而呈灰黑色,后冷却淬火转变的马氏体呈灰白色。 图37 T8钢的奥氏体晶粒内形成的片状马氏体(OM) 为了清楚地观察高碳马氏体片的形貌,采用特殊热处理工艺:将 Fe-1.22%C等铁碳合金加热到 1200℃奥氏体化,得到粗大的奥氏体晶粒,后于 NaCI水溶液中淬至发黑,立即转入温度在 Ms点稍下的硝盐浴中等温 1h,取出淬火冷却到室温。这样处理后,在Ms点稍下转变得到的少量的变温马氏体片被回火,析出碳化物,容易被硝酸酒精溶液浸蚀,在显微镜下观察呈黑色,而等温后淬火的马氏体组织为灰白色。这样就能够清晰地观察到在 Ms点稍下 变温转变的马氏体条片的形貌。图38所示为 Fe-1.22%C合金高碳马氏体形貌的光学显微镜照片,可见,高碳马氏体呈片状,而且马氏体片以一定角度相交,构成蝶状马氏体形貌。 图38 Fe-0.88%C合金的马氏体组织(OM) 图39所示为T10钢高温加热淬火得到的片状马氏体组织。由于完全奥氏体化,淬火组织中没有未溶渗碳体颗粒。马氏体片之间存在明显的交角,马氏体片往往中间较厚,两头尖细,这是高碳片状马氏体组织的特征,与板条状马氏体不同。 图39 T10钢的片状马氏体组织(OM) 图40所示为 T12钢的片状马氏体+残留奥氏体组织形貌。 图40 T12钢的片状马氏体+残留奥氏体组织(OM) 从上述各照片可见,高碳片状马氏体形貌的特点是马氏体 片长短不一,有的很长,有的短小,大多是中间厚,两头尖,呈交角分布,相交的马氏体片呈 60°-120°分布,或呈闪电状、"Z”字形分布。淬火高碳钢的新鲜马氏体(未经回火或自回火)是单相组织,具有体心正方结构,样品经硝酸酒精溶液浸蚀后呈灰白色。由于奥氏体也是单相组织,具有面心立方结构,较马氏体耐腐蚀一 些,因此呈白色,灰度较小。因此,在光学显微镜下观察,残留奥氏体总是呈灰度很小的灰白色形貌,而马氏体组织的灰度大一些,一般呈灰白色,当回火或自回火后则呈黑色或灰黑色。马氏体和残留奥氏体的灰度和形貌均不同,较易于区分。 碳含量大于 1.3%的钢称为超高碳钢,由于其脆性较大,工业上应用不多。超高碳马氏体的形貌一般为透镜片状,存在于超高碳钢、Fe-Ni(>29%Ni)合金中,在文献中也称为针状马氏体、片状马氏体、孪晶马氏体等,其二维形貌特征是透镜片状,中间厚,两端尖细,样品磨面上的二维形貌呈双透镜片状, 相邻马氏体片常呈交角排列,有时呈闪电状或“z”字形排列。 图41(a)所示 为Fe-1.5%C合金的马氏体形态。透镜片状马氏体以闪电状形态形成。在马氏体片中间还可以看到中脊。图41(b)所示为 Fe-1.9%C合金的透镜片状马氏 体形貌,马氏体片呈闪电状或“Z“字形,片中间有一条中脊线,称为马氏体中脊。观察经硝酸酒精溶液浸蚀的样品可见,马氏体片均呈灰黑色,灰度较大, 是自回火的缘故。这种马氏体的亚结构主要是孪晶+高密度位错。马氏体片之间夹着残留奥氏体 ,呈白色或灰白色。 图41 高碳钢透镜片状马氏体形貌(OM) 图42所示为铸铁的粗大片状 马氏体组织 ,可看到中脊。铸铁 中的马氏体片粗大,而且在光学显微镜下即可看到中脊和孪晶片,如图42(b)所示。 图42 铸铁的片状马氏体组织:(a)SEM;(b)OM 马氏体的金相形貌是中间厚、两端尖的透镜的横截面形状,一般称为透镜片状马氏体。图43(a)左下角的小图为其示意图,图43(b)所示为马氏体片的立体形貌-扁针状。 图43 透镜片状马氏体的二维、三维形貌分析图 高碳钢不完全淬火会得到隐晶马氏体组织,它是在马氏体的基体上分布着剩余碳化物颗粒的整合组织。由于这类钢一般在 Ac1-Acm温度之间加热,处于奥氏体+未溶碳化物两相区,奥氏体晶粒细小,碳和合金元素分布不均匀,以至于在淬火时马氏体片难以长大,在光学显微镜下看不到马氏体的条片状形 貌,而是在奥氏体晶粒内呈一片灰白色,其上分布着未溶碳化物颗粒。 将W18Cr4V高速钢加热到1280℃,保温后在油中淬火,得到隐 晶马氏 体组织,抛光后用 4%硝酸酒精浸蚀,观察淬火组织形貌,如图44所示。从图可见,原奥氏体晶界清晰可见,在晶内和晶界上分布着未溶碳化物颗粒,晶 粒内是隐晶马氏体,显然看不到马氏体片的具体形貌。 图44 W18Cr4V高速钢的淬火隐晶马氏体(OM) 将高碳钢在正常加热温度下淬火,即在奥氏体+碳化物两相区加热淬火, 将得到隐晶马氏体组织,在光学显微镜下观察,看不到马氏体片的具体形貌, 呈一片灰白色。其实,隐晶马氏体并非真正隐晶,它也是片状马氏体,当用硝酸酒精溶液进行深腐蚀后在激光扫描共聚焦显微镜下放大倍数观察或在电镜下 观察 ,仍然可观察到马氏体的片状形貌特征。图45所示为T10钢、T11钢淬火得到的隐晶马氏体组织。 图45 T10钢(a),T11钢(b)的隐晶马氏体组织(TEM) 图46所示为GCr15钢的隐晶马氏体在原奥氏体晶界和渗 碳体/奥氏体相 界面处形核。箭头 M1所指为沿着奥氏体晶界形成的马氏体片,呈灰黑色,未溶的Fe,C颗粒呈灰白色,这是由于在 150℃热油中等温保持而回火所致,回火马氏体容易被硝酸酒精溶液浸蚀,而渗碳体颗粒不易被浸蚀。从图中可见, 在未溶渗碳体颗粒周围形成的马氏体片也同样被回火,容易受浸蚀,在扫描电 镜下观察 ,受浸蚀多的微区低洼 ,因此其二次电子像呈灰黑色。 图46 GCr15钢的隐晶马氏体在界面处形核(SEM) GCr15轴承钢加热到不同温度,奥氏体的碳含量分布不同。在正常淬火温度下得到的马氏体组织其基体碳含量为0.52%-0.55%(质量分数),这时,马氏体板条模糊,为隐晶马氏体。奥氏体中碳含量的不均匀分布是形成隐晶马氏体的主要原因。 工业用高碳钢马氏体组织中有时也可观察到中脊,但不普遍。在普通钢铁材料中应用高分辨电镜观察马氏体中脊的报道不多。在超高碳、高镍钢的片状马氏体中经常能见到中脊。用硝酸酒精溶液浸蚀后可使中脊变黑,说明中脊处能量较高,易受腐蚀,在显微镜下观察是具有一定宽度的腐蚀带。碳含量越高,中脊越宽。 CrWM钢样品于 1200℃淬火,制取金属薄膜,在电镜下观察马氏体组织, 发现马氏体片的中脊是一条宽为50-100nm的带状物,图 47所示为一个大马氏体片中中脊的形貌,其厚度为0.05-0.1μm。 图47 CrWMn钢的淬火马氏体片中的中脊(TEM) 将 Fe-1.5%C合金淬火得到片状马氏体,马氏体中存在中脊和高密度缠结位错,如图48(a)所示,在高分辨电镜下观察马氏 体形貌,发现马氏体片中的亚结构是高密度位错,存在中脊,中脊由孪晶片构成,如图48(b)所示,照片中的箭头所指处为中脊区,可见,中脊中的孪晶片薄厚不等,未扩展到马氏体片边缘 。 图48 (a)Fe-1.5% C合金的马氏体中脊;(b)W6Mo5Cr4V2高速钢的马氏体片及其中脊(TEM) 图49所示为 W6Mo5Cr4V2高速钢隐晶马氏体片的中脊结构 ,可见,马氏体片中的亚结构由高密度缠结位错组成,马氏体片中部存在中脊。观察表明,中脊由孪晶构成。孪晶在中脊面上形成,然后向中脊两侧生长,呈矛头形 状。中脊上的孪晶不够整齐,孪晶片厚度不等。中脊区到马氏体片边缘均分布着高密度缠结位错,马氏体片不具备全孪晶结构。 图49 W6Mo5Cr4V2高速钢隐晶马氏体片的中脊结构(TEM) 马氏体表面浮凸自1924年被发现以来,观察研究较多,并将其与马氏体 相变的切变机制紧密地联系在一起。20世纪时,马氏体浮凸引起较高重视,将其视为马氏体切变机制的实验依据。21世纪以来,从实验事实上和理论上均证明了马氏体相变不是切变过程,由切变衍生出来的对马氏体实验现象的解 释和计算都是错误的,不符合实际的,应当予以抛弃。 图50(a)所示为采用光学显微镜观察到的浮凸。将高碳钢在高温下加热后淬火,得到粗大片状马氏体,将样品垂直的两面抛光后浸蚀,在光学显微镜下观察,得到马氏体片与表面相交的形貌。从图中显而易见,形成马氏体片的部位,其样品表面只有鼓 出,没有下陷,马氏体片(m)夹着残留奥氏体(A)一起鼓出了样品表面,这足以证明是体积膨胀的结果,该浮凸显然是帐篷形(^)形貌,并非 N形。如果是N形切变,如图50(b)所示则鼓出量和下陷量应当相等. 图 50 (a)高碳马氏体表面浮凸(OM);(b,c)N形图 图51所示为 Fe-15%Ni-0.6%C合金的表面浮凸的形貌和划痕的变化,从箭头所指处可见,划痕变弯曲。箭头 1,2,3所指位置的划痕变为曲线,箭 头4,5,6所指位置的划痕有间断,不连续,说明由于条片状表面马氏体的形 成而使直线划痕变为曲线划痕 ,且有间断,不连续 。 图 51 Fe-15%Ni-0.6%C合金的马氏体表面浮凸和划痕的变化(SEM) Fe-Ni-C合金马氏体是典型 的片状马氏体,Ms点可以调整到室温以下,便于观察马氏体组织转变。采用 Fe-29.17%Ni-0.39%C合金,将其密封于石英管中,经过退火和淬火等一系列处理后,得到马氏体的表面浮凸,利用原子力显微镜的优异的纵向分辨率,可定量测定浮凸的高度,如图52所示。 图52 Fe-Ni-C 合金的马氏体表面浮凸的AFM观察 各相比体积不同和体积不均匀胀缩是产生浮凸的根本原因。奥氏体在 向珠 光体、贝氏体、马氏体转变时,比体积均增大,体积均膨胀。 在共析分解为珠光体时,奥氏体向渗碳体转变比奥氏体向铁素体转变时的比体积变化大。就铁素体和渗碳体分别相对奥氏体的比体积差计算可知,渗碳体 与奥氏体的比体积差是铁素体与奥氏体比体积差的2倍。由于渗碳体的比体积大于铁素体的,因此浮凸中渗碳体鼓出表面较多,铁素体鼓出表面较少 ,这样应用扫描电镜二次电子像观测时,白亮色片条即为渗碳体,灰黑色片条即为铁素体。 表1 钢中各种相和组织的比体积 比体积不同,因此,奥氏体转变为马氏体时,体积膨胀是表面浮凸的成因。 如果样品表面层的奥氏体晶粒转变为马氏体时,各向(X,Y,Z)均匀地膨 胀 ,则在样品表面不会观测到浮凸。浮凸是各相在表面层不均匀膨胀造成起伏 的结果。马氏体片条在样品表面的存在方位多种多样,厚薄程度都不相同,而 浮凸的高度与样品表层马氏体片的厚度有直接关系,马氏体片越厚,膨胀量越大,浮凸凸起越高,如图 53所示。 图53 马氏体表面浮凸形成及体积膨胀示意图 本文内容出自《合金钢显微组织辨识》 参考文献: 【1】刘宗昌,任慧平,计云萍.固态相变原理新论 仁M].北京:科学出版 社,2015. 【2】钢铁研究总院结构材料研究所,先进钢铁材料技术国家工程研究中心, 中国金属学会特殊钢分会.钢 的微观组织图像精选 【M].北京 :冶金工 业出版社,2009. 【3】刘宗昌,任 慧平 ,计云萍.固态相变原理新论 【M].北京 :科学 出版 社,2015. 【4】刘宗昌,计云萍,王海燕,等.四评马氏体相变的切变机制【J].金属热 处理 ,2011,36(8):63-66。 【5】刘宗昌,王海燕,任慧平 .过冷奥氏体转变产物的表面浮凸「J].中国 体视学与图像分析,2009,14(3):227-236.
免责声明:本网站所转载的文字、图片与视频资料版权归原创作者所有,如果涉及侵权,请第一时间联系本网删除。
官方微信
《腐蚀与防护网电子期刊》征订启事
- 投稿联系:编辑部
- 电话:010-62316606
- 邮箱:fsfhzy666@163.com
- 腐蚀与防护网官方QQ群:140808414





























































































