使用ToF-SIMS实时成像双相不锈钢微结构中氘渗透的研究概述
2026-01-28 17:46:47 作者:考拉腐蚀 来源:考拉腐蚀 分享至:

  

 

 

 

 

 

 

氢辅助材料损伤是金属结构失效的一个主要原因,已被研究超过一个世纪,但其微观机制仍未完全阐明。双相不锈钢(Duplex Stainless Steel, DSS)因其高强度和优异耐腐蚀性而广泛应用于石油化工、海上结构和油田等领域。然而,在氢环境中,DSS可能吸收氢,导致氢辅助裂纹(Hydrogen Assisted Cracking, HAC)和氢脆等失效问题。本研究聚焦于使用氘(氢的同位素)模拟氢行为,以揭示其在DSS微结构中的渗透和分布规律。

该论文发表于《Scientific Reports》(2016年),作者为O. Sobol、F. Straub、Th. Wirth、G. Holzlechner、Th. Boellinghaus和W. E. S. Unger,隶属于德国联邦材料研究与测试研究所(BAM)。研究通过in-situ实验提供了对氘在DSS中运输的直接观察,支持了氢脆机制的进一步理解。

实验方法

实验采用了一种in-situ设计:在ToF-SIMS(飞行时间二次离子质谱)仪器的超高真空腔室内安装了一个DSS制成的渗透电解池,该电解池由2205级DSS(UNS S31803,铁素体含量51%)加工而成,膜厚0.5 mm。内表面通过电化学充电引入氘(电解液为0.05 M D₂SO₄ + 0.01 M NaAsO₂,电流密度10 mA·cm⁻²),外表面暴露于真空并被ToF-SIMS成像。使用氘是为了区分实验引入的氢与背景氢。

ToF-SIMS分析使用25 keV Bi⁺初级离子束,分析区域为100×100 µm²,分辨率约250 nm。充电持续37天,直至饱和。数据处理采用主成分分析(PCA),预处理包括归一化、Poisson缩放和均值中心化。正离子模式用于相识别(基于Ni⁺、Mn⁺、Fe⁺等),负离子模式用于氘分布可视化(基于D⁻、OD⁻、CN₂HD⁻等)。

 

 

 

图1:in-situ氘渗透实验的示意图。DSS电池安装在ToF-SIMS真空腔内,氘从内表面充电渗透至外表面。

 

 

 

主要结果

实验结果显示,氘在铁素体相中的渗透速度显著高于奥氏体相。首次检测到氘需充电28天,饱和需37天。PCA分数图像表明:

正离子PCA(PC1)区分了铁素体(暗区)和奥氏体(亮区)。

负离子PCA(PC1)显示氘主要富集在铁素体相,扩散系数高出约5个数量级。

在m/z 20–50范围,PC2显示氘在奥氏体-铁素体界面和晶界处显著积累,与碳氮元素共存,表明这些界面作为陷阱。

此外,离子诱导二次电子图像确认了微结构细节。结果支持氘优先通过铁素体扩散的模型。

 

 

 

图2:ToF-SIMS PCA分数图像示例。亮区表示氘富集区域,主要对应铁素体相。

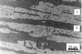
图3:双相不锈钢微结构的二次电子图像,显示铁素体和奥氏体相的分布。

 

 

 

讨论与意义

该研究提供了对DSS中氘/氢运输的直接实验证据,揭示了铁素体作为主要扩散路径的作用,以及界面陷阱对氢积累的影响。这有助于阐明HAC机制,并为工业应用中的材料设计提供依据,如优化合金成分以减少氢脆风险。局限包括SIMS对氘的检测限导致突破时间低估,以及未考虑机械载荷的影响。未来可扩展到加载应力的in-situ实验。

该方法适用于其他金属微结构的氢行为研究,对氢能存储和腐蚀防护领域具有潜在价值。

(参考:Scientific Reports 6, 19929 (2016))

扩展阅读

 

 

 

ToF-SIMS技术细节:飞行时间二次离子质谱(Time-of-Flight Secondary Ion Mass Spectrometry)
ToF-SIMS是一种高灵敏度表面分析技术,能够提供材料表层(通常前1–2个单层,约0.5–2 nm深度)的元素、分子和同位素信息,具有极高的横向分辨率(可达亚微米甚至纳米级)和质量分辨率。它特别适用于研究氢/氘在金属微结构中的分布、腐蚀机制及氢脆过程。

 

 

 

基本工作原理

 

 

 

ToF-SIMS的核心过程包括:

 

 

 

  1. 一次离子轰击:使用高能脉冲一次离子束(如Bi⁺、Au⁺或Ga⁺,典型能量20–30 keV)轰击样品表面。
  2. 二次离子溅射:碰撞导致表面原子/分子被溅射,其中少部分被电离形成二次离子(正或负)。
  3. 飞行时间分离:二次离子被加速进入无场漂移管,根据质量/电荷比(m/z)和初始动能的不同,轻离子飞行更快,从而实现分离。
  4. 检测:离子到达微通道板(MCP)或类似检测器,记录到达时间,转换为质量谱。

 

 

 

该方法属于静态SIMS(Static SIMS)模式时,离子剂量极低(<10¹² ions/cm²),几乎不破坏表面,适合分子成像;动态模式则用于深度剖析。
以下是ToF-SIMS典型仪器示意图,展示双束系统(分析束+溅射束)和飞行时间漂移路径。

图1:双束ToF-SIMS示意图。一次离子枪用于高分辨表面分析,溅射枪用于清洁或深度剖析。
另一个经典原理图,显示粒子束与样品相互作用及二次离子产生过程。

图2:ToF-SIMS基本原理示意图,包括一次离子入射、二次离子溅射及飞行时间分离。

 

 

 

仪器关键组件

  • 一次离子源:通常为液态金属离子枪(LMIG,如Bi⁺),提供高亮度、脉冲束。脉冲宽度通常<1 ns,以保证高质量分辨。
  • 提取透镜:收集并加速二次离子进入漂移区。
  • 漂移管:长度约1–2 m,无电场区,轻重离子时间差被放大。
  • 反射器:能量聚焦,提高质量分辨率(m/Δm可达5000–10000)。
  • 检测器:微通道板+延迟线检测器,实现位置敏感检测(成像模式)。

 

 

 

以下是ToF-SIMS IV型仪器的结构示意图

图3:ToF-SIMS IV仪器示意图,包括可变漂移路径(VDP)。

 

 

 

在DSS中氘实时成像的应用细节

 

 

 

在Sobol等人(2016)的突破性研究中,ToF-SIMS实现了in-situ实时监测氘在双相不锈钢(DSS)中的渗透:

 

 

 

  • 仪器:ION-TOF ToF-SIMS IV,使用25 keV Bi⁺一次离子束。
  • 分析模式:Burst Alignment模式,横向分辨率约250 nm。
  • 信息深度:仅前1–2个单层。
  • 充电设置:DSS自制渗透电池(膜厚0.5 mm),内侧电化学充电(0.05 M D₂SO₄ + 0.01 M NaAsO₂,10 mA/cm²),外侧暴露真空。
  • 数据处理:主成分分析(PCA)结合正/负离子数据,显著提升相区分(铁素体/奥氏体)和氘分布对比。
  • 关键参数:充电28天首次检测到氘,37天饱和。

 

 

 

以下是该研究中典型PCA分数图像示例,展示氘主要富集在铁素体相(亮区),以及在相界面/晶界的积累。

图4:ToF-SIMS PCA图像示例(类似研究),亮区对应氘高浓度区域,主要位于铁素体相。
另一个相关成像示例,展示氘分布的微观细节。

图5:氘在不锈钢微结构中的分布成像(参考类似实验)。

 

 

 

技术优势与局限

优势

  • 极高表面灵敏度(ppb级甚至更低)。
  • 全质量谱采集(m/z 0–数千),可同时检测元素、分子碎片、同位素。
  • 成像能力强,结合PCA等多变量分析可揭示复杂微结构。
  • 适用于氢/氘等轻元素(传统质谱难处理)。

局限

  • 二次离子产率低(尤其是氢/氘,~10⁻⁴–10⁻⁶),导致长采集时间。
  • 破坏性(虽静态模式最小化,但仍存在溅射)。
  • 定量困难,受矩阵效应影响。
  • 需要超高真空(<10⁻⁹ mbar)。

 

 

 

ToF-SIMS已成为研究氢脆、腐蚀、表面改性等领域不可或缺的工具,尤其在in-situ实验设计上的创新(如DSS渗透池),为氢行为微观机制提供了直接证据。

 

 

 

免责声明:本网站所转载的文字、图片与视频资料版权归原创作者所有,如果涉及侵权,请第一时间联系本网删除。

    标签:
相关文章
无相关信息