近年来,由于镀锌钢优异的耐腐蚀性、较高的性价比等优点,使得镀锌塔被广泛应用于制造业、食品饮料、数据中心等行业的循环水系统中。虽然具有比碳钢优异的耐腐蚀性,但应用条件控制不当时,镀锌钢也会出现较为严重的腐蚀问题,并影响设备的使用运行。随着循环水管理的精细化,用户也逐渐关注到镀锌塔的腐蚀问题及其对系统运行的影响。
1 镀锌层的快速腐蚀会缩短设备使用寿命,尤其对较薄的镀锌板,可能出现较快的腐蚀穿孔。这会增加系统运行维护成本。
2 镀锌层腐蚀会产生白锈,基底钢的腐蚀会加速锌层的剥落,白锈和锌层的剥落都容易污堵换热器,进而影响换热效率,增加能耗;增加设备停机清洗频率,增加系统非故障停车时间,降低生产效率,影响生产稳定。
3 影响设备外观。
今天,我们就来讲讲镀锌塔的前世今生,以及如何能够更好的控制镀锌塔的腐蚀,最大程度的避免问题的发生。
文章比较长,我们会分三点来介绍:
1、冷却塔镀锌材质的制造和防腐机理及早期水处理方案
2、水处理方案演变对镀锌塔腐蚀控制的影响,系统启动前期镀锌塔的维护
3、系统启动后镀锌塔腐蚀控制:不同阶段的控制指标和镀锌层修复
1 冷却塔镀锌材质的制造和防腐机理及早期水处理方案
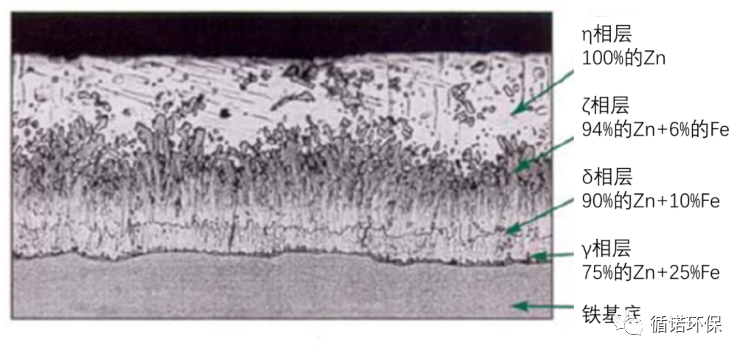
自上世纪50年代起,镀锌钢就开始用于冷却塔的制造,依赖其优良的缓蚀性能以及性价比,镀锌钢已广泛用于集成式冷却塔,蒸发式冷凝器,闭式冷却塔等多种冷却塔的制造。镀锌钢可以通过热浸镀锌、电镀锌、机械镀锌、热喷涂等多种工艺制备,其中冷却塔制备所用镀锌材质主要是通过热浸镀锌工艺制备的。热浸镀锌是将表面经过清洗处理的钢铁件浸入熔融锌浴中,通过铁锌之间的合金扩散,在钢铁表面生成镀锌层。这其中,最表层为纯锌层,锌、铁之间是锌铁合金层(图1)。

图1. 热浸镀锌层组织显微照片
热浸镀锌之后,通常会紧跟一步钝化处理工艺对镀锌表面进行处理,以促进锌层表面形成一层钝化膜,提升其使用过程中的耐腐蚀性以及使用寿命。优异的钝化工艺能有效降低及延缓腐蚀的发生,尤其对设备储存以及使用早期腐蚀的抑制。最为经典的钝化工艺是使用铬酸盐溶液,它能快速高效地在锌层上形成致密的钝化膜。
镀锌层对钢铁基底的防腐是从物理隔离保护和阴极保护两方面作用的:
一方面完整的镀锌层作为物理屏障,有效将基底的铁与外界的水、空气等隔离开,避免了基底铁金属的腐蚀;
另一方面,当部分镀锌层破损后,锌与铁基底间形成的原电池,锌作为阳极发生氧化反应,铁作为阴极被保护,即阴极保护或牺牲阳极保护。
但应当注意,锌在特定水中,尤其是在温度>65?C使用时可能发生极性反转的情况。发生极性反转时,锌的活性降低而将转化为阴极,铁变成阳极,从而会加速裸露铁基底的腐蚀速度。高温通常是发生极性反转的一个必要条件(>65?C),另外,极性反转与水质中相关离子浓度也有关。

图2. 锌层在不同pH值水中的腐蚀速率(20°C和60°C)
锌作为两性金属,在低pH值及高pH值条件下都容易发生腐蚀。室温条件下,其相对稳定的pH区间在中性左右,温度越高,稳定的pH区间越窄(图2)。
虽然锌的电极电位比铁低,金属活性比铁高,但由于锌在环境中能在表面形成一层致密锌的氧化物类的保护层,即锌的钝化膜,有效将锌与外部环境隔离,大大降低了锌的腐蚀速率。通常情况下,不论在大气环境还是水中应用,镀锌钢铁件的使用寿命要远超未镀锌的钢铁件,这也是将近一半锌的产量被用于钢铁表面作为防腐层的原因。
当锌表面形成疏松的腐蚀产物时,虽然这类腐蚀产物的成分与致密钝化膜的成分相似,但疏松的结构很难对锌起到保护作用,通常这类腐蚀产物呈现为白/灰色,胶状或蜡状结构,俗称白锈。

图3. 白锈
钝化工艺中的铬酸盐,也是早期用于循环水处理中控制腐蚀的化学药剂。由于铬酸盐不仅能促进锌层表面快速形成钝化膜,且其方案通常是在中性及弱酸性条件下运行,这与镀锌材质的稳定pH值范围重合,这些特性使得铬酸盐方案能有效抑制镀锌材质的白锈问题。
但由于其对环境的危害巨大,循环冷却水处理已经禁止使用铬酸盐方案。磷酸盐作为替代方案逐渐用于循环水处理的缓蚀剂,可是随着时代的发展,环保要求的变化,磷的使用浓度也受到了限制。
2 镀锌塔循环水处理方案的演变对镀锌塔腐蚀控制的影响,系统启动前期镀锌塔的维护
上面讲到,自上世纪80年代起,由于对环境的危害巨大,循环冷却水处理已经禁止使用铬酸盐方案。
磷酸盐作为替代方案逐渐用于循环水处理的缓蚀剂。早期的磷酸盐方案是通过加酸控制水质pH在中性左右以降低系统水质的结垢压力,并通过磷酸盐控制系统腐蚀,即稳定磷酸盐方案。
磷酸盐能促进镀锌层表面的钝化,早期使用的磷酸盐浓度也较高,同时使用的pH值范围也利于锌层的稳定,这个阶段的水处理方案也能有效抑制锌层腐蚀。但随着加酸带来的安全压力以及用水成本的上升,冷却水处理逐渐向高pH值、高浓缩倍数控制方向发展。
80年代后期开发的高性能聚合物分散剂和有机膦阻垢剂的使用大大提升了这个方向的发展速度。通过高性能的阻垢药剂(有机膦药剂、分散剂)维持较高pH值运行,降低了水质的腐蚀性,并进一步通过磷酸盐方案来优化腐蚀控制,但磷酸盐的浓度却大大降低。pH值的上升和磷酸盐浓度的下降,也导致了镀锌冷却塔白锈问题从这个阶段开始频繁出现,并逐渐引起业内人士的关注。
1、节水与环保双重压力下镀锌塔循环水处理的新挑战
随着环保要求的逐步提高,磷的使用浓度进一步受到限制,低磷或无磷的处理方案也被客户广泛要求和使用。随着提升水的利用效率的要求,成分复杂的工业水以及盐分很低的反渗透回用水也逐渐作为循环水的补水使用,使得循环水水质更为复杂多变。
苛刻的水质条件(高pH、氯离子、硫酸根)以及环保要求的提升(低磷、无磷方案的应用)进一步加剧了冷却塔的白锈问题。虽然已有不少针对锌的缓蚀剂的研究工作,但目前市场上还没有见到具有成功意义的案例,冷却塔白锈的控制仍旧需要综合设备制造加工和后期运行维护两个方面进行优化。
白锈作为松散的腐蚀产物,对锌层并没有保护作用。相反,作为沉积物,白锈会促进其底部的锌层的腐蚀。而锌作为活性较高的金属,在形成不了较为有效的钝化膜时,其腐蚀速度会大大提升,而最终发展为镀锌层局部腐蚀穿孔而裸露基底的碳钢材质。虽然镀锌层会进一步以牺牲阳极的方式保护裸露的碳钢材质,但这种保护的作用距离往往在毫米级别,不能有效保护较大区域的碳钢基底,最终可能导致碳钢基底缺乏有效保护而腐蚀穿孔,大大缩短了镀锌设备的使用寿命。
2、要做好镀锌塔的腐蚀控制需要考量和控制的关键阶段
(1)设计阶段
在系统设计阶段,业主、冷却塔供应商以及水处理供应商应根据系统运行条件、水质条件以及环保要求等多方面的因素确定镀锌冷却塔是否能满足相应的运行要求。若由于各种原因,镀锌塔不能满足现场应用要求,应考虑其它材质的冷却塔,如不锈钢、玻璃钢、塑料或具有环氧涂层的镀锌材质等。在设备的制造过程中,应确保使用的镀锌材质经过相应的钝化工艺处理,以提升材质在后期存放及使用时的耐腐蚀性。在设备投用前,应保持设备处于干燥通风的状态,以避免潮湿空气以及水滴对镀锌层的腐蚀(潮湿储存锈斑)。
(2)投用前镀锌设备的储存阶段
因为很多设备本身镀锌就是为了提升在自然环境中的耐腐蚀性,人们往往容易忽视镀锌设备在使用前的腐蚀问题。当镀锌设备或材料保存不当,长期处于潮湿且较为密闭的环境中时,容易导致锌层表面长期存在一定的液滴,进而产生了水-空气-锌三相界面,形成了氧气的浓差电池,促进液滴下面锌层的腐蚀。比如密集堆放在室外的镀锌材料,雨水过后在材料夹缝的水很难及时流走或被流动空气吹干,就容易出现白锈。
轻微的白锈在设备或材料更换为合适的运行环境后,会逐渐被修复转化为钝化层,但严重的白锈或者甚至有黑色腐蚀产物出现时(图4),说明镀锌层已局部被严重或者完全破坏,这时必须去除腐蚀产物并进行必要的修复才能让设备投入使用,否则后期容易导致局部的腐蚀穿孔。镀锌设备或材料在保存时需要注意:
1.尽量放在阴凉、干燥、通风的地方;
2.堆放的材料可以使用垫木使其相互隔离以促进空气流动,保持一定的倾斜度以利于水从表面排走;
3.切勿直接放在土壤地面或草地植被之上,应架空放置;
4.对密闭空间应吹干并放置干燥剂保存;
5.使用钝化过的镀锌材质;

图4. 较为严重的锌层腐蚀状况
3 系统启动–日常运维–停机
三个阶段的控制要点
锌的电极电位较低,属于活性较高的金属,其主要通过在表面形成致密的钝化层来保护基底,降低腐蚀速率,且作为两性金属,偏高或偏低的pH值都会破坏钝化膜而加速腐蚀的发生。除了pH值外,水中的可溶性离子也会影响锌的腐蚀:
● 低硬度的水对锌具有更强的腐蚀性;
● 碱度除了与pH值关联外,也会参与钝化膜的形成,适当浓度的碱度能有效抑制锌的腐蚀,过高的碱度会提升pH而增加水质对锌的腐蚀性;
● 氯离子、硫酸根会促进镀锌腐蚀,氯离子的影响会更大一些;
● 0.1ppm的铜离子就会促进锌层表面形成电偶腐蚀;
由于目前并没有针对锌腐蚀的优良缓蚀剂,当系统投入使用后,循环水的水质控制以及运行维护对镀锌冷却塔的腐蚀控制就至关重要了。根据循环水运行的工况,可分成启动、日常运维以及停机等三种阶段,每个阶段都有需要注意的控制指标以及注意事项。
1、系统启动阶段
系统启动阶段是白锈最容易发生的阶段,良好的启动过程将为后期的运行维护以及延缓镀锌材质的白锈打下良好的基础。
系统启动前或初期,应对镀锌材质进行必要的钝化预膜操作。与常规系统类似,钝化预膜操作能有效降低金属表面活性,避免系统初期的快速腐蚀。与碳钢类材质不同的是,镀锌材质的钝化预膜过程对水质及系统运行情况的要求更为严格:
01 建议钝化、预膜在冷态或低负荷条件下进行。钝化结束向日常运维切换过程中以及切换早期,建议逐渐提升热负荷。
02 控制水质pH值在6.5-8.0之间,保持>50ppm的钙硬(以CaCO3计)。当使用次氯酸钠类氧化型杀菌剂时,应控制每次投加的浓度,建议余氯控制在0.5ppm(以Cl2计)以内。建议采取长时间缓慢投加而非冲击性大量投加以避免高浓度余氯对锌层的冲击。也可投加非氧化性杀菌剂来降低次氯酸钠的使用量。
03 磷酸盐目前仍旧是镀锌材质最为合适的钝化药剂,维持合适的磷酸盐以及钝化时间,能有效帮助锌层表面的钝化。系统有铜材质时,需要添加铜缓蚀剂来避免铜离子在锌层表面引起的电偶腐蚀。与碳钢材质不同的是,锌层的钝化往往需要更长的时间,良好的钝化操作需要几周以上的时间。在此期间需要尽可能维持冷态或较低负荷运行,或采取逐渐缓慢提升负荷方式运行。
04 在系统内投加化学药剂时,尽可能远离镀锌材质以降低对锌层的冲击性腐蚀。很多化学药剂酸性或碱性都较强,药剂在系统内分散混匀之前,会产生局部较为苛刻的水质环境,比如低pH值或高pH,这些局部苛刻的水质环境对锌的腐蚀性也较强。
05 做好系统监测。可以通过肉眼观察,拍照或者挂腐蚀挂片的方式监测钝化预膜的操作。当然在系统钝化预膜前,应对系统镀锌层进行必要的检查,排除或修复贮存期间发生的腐蚀或破损问题。可以选择几个不同位点,通过定期拍照记录的方式监测钝化过程。
2、日常运维阶段
一旦系统预膜结束,就要逐步切换到日常运维阶段。虽然钝化预膜打下了良好的基础,但日常水质仍需要严格控制。
(1)维持合适的水质控制范围,建议:
a)pH 最优7-8.3, 不应超过9.0;
b)钙硬>50ppm(以CaCO3计)
c)碱度100-300ppm(以CaCO3计)
d)氯离子<250ppm (以Cl计),硫酸根<250ppm (以SO4计)
e)余氯<0.5ppm (以Cl2计)
系统钝化预膜结束切换到运维阶段的早期,应逐渐提升热负荷,以降低浓缩倍数提升的速度和pH提升的速度。当系统水质碱度、pH较高时,可通过加酸或者对补水进行必要的预处理等方式降低系统水质pH。维持次氯酸钠长时间平稳的投加而非短时间冲击性高浓度投加。
(2)避免高浓度药剂与锌层直接接触。
加药点(缓蚀阻垢剂、杀菌剂、酸、碱等)附近区域在加药过程中往往都具有较高的药剂浓度,水质条件相对苛刻,对锌层的腐蚀性也较高。禁止将固体药剂直接放置在锌层表面。维持合适的水处理药剂浓度,过高或过低的药剂浓度都会影响锌层的腐蚀控制。
(3)做好系统监测。
可以通过肉眼观察,拍照或者挂腐蚀挂片的方式监测锌层腐蚀。
当系统开始出现镀锌腐蚀,应及时排查原因并优化处理方案和水质控制指标,尽可能将腐蚀控制在轻微状态。若长时间维持在较高pH运行,并发现锌层腐蚀控制开始恶化,应适当调控水质来缓解,可采取降低浓缩倍数或加酸等操作。当系统出现较为严重的腐蚀时,应对腐蚀区域进行修复、钝化后再投入使用。
3、系统停机阶段
停机状态的腐蚀是最难控制的,药剂和腐蚀产物扩散都受到限制,微生物的滋生会进一步恶化腐蚀控制。具体停机状态的整体操作可参见循诺环保公众号文章《数据中心循环水系统低负荷运行及停机操作要点》。对镀锌材质需要注意:
01 停机期间,有条件排空的,尽量排空镀锌塔内的水,这可保持镀锌塔在停机期间表面处于干燥状态。
02 若无条件排空,则需维持合适的水质,水质范围与运维控制范围一致。
03 定期需要启动循环泵让系统内水循环,并根据水质情况置换部分水质,补充杀菌剂和缓蚀阻垢剂。
04 长时间停机再启动,应对系统做必要的清洗预膜操作。
总的来说,循环水的水质控制直接影响镀锌材质的腐蚀控制,在启动阶段、日常运维阶段以及停机阶段都需要维持合适的水质条件(表1)

镀锌层的修复
当锌层表面有明显的腐蚀白锈时,应对白锈进行清除并进行修复。在此之前应当判断表面的白色/灰色沉积物是不是由于锌层腐蚀产生的白锈,因为在循环水系统中,结垢或者沉积也会在金属表面形成一层白色/灰色物质。可对垢样进行必要的成分分析或者揭开垢样观察底部金属的腐蚀状态来确定垢样的来源。对中小尺寸的白锈,一般可通过硬的鬃毛刷去除。对较大尺寸或大面积的白锈,可以通过一些具有络合能力的酸性清洗剂清洗,但应注意用化学药剂清洗后要用水进行充分的冲洗,以避免残留的化学品对镀锌层以及基底的腐蚀。对一些老系统表面形成的较为致密的白锈,应谨慎判断是否需要去除。一方面这些白锈可能已为下面金属基底提供良好的保护作用;另外,白锈下也可能严重腐蚀、甚至穿孔,需要全面排查后做出判断并做好相应的修复准备。
镀锌层的修复有热喷涂锌,涂敷富锌漆,融敷锌合金等方法,修复前还应对待修复表面进行必要的打磨及清洗处理,具体修复操作可参考GB13912,GB9793和ASTM A780等相关标准或咨询设备厂家。修复后应对修复区域进行检查,确保修复层的完整以及和周边区域的紧密贴合,避免贴合不严引起渗漏及诱导的局部腐蚀问题。
免责声明:本网站所转载的文字、图片与视频资料版权归原创作者所有,如果涉及侵权,请第一时间联系本网删除。
官方微信
《腐蚀与防护网电子期刊》征订启事
- 投稿联系:编辑部
- 电话:010-62316606-806
- 邮箱:fsfhzy666@163.com
- 腐蚀与防护网官方QQ群:140808414



