切换导航
首页
资讯中心
行业聚焦
网站动态
会展动态
热点资讯
数据共享
数据服务
权威专题数据
自然环境腐蚀数据
业界视点
高端访谈
深度解析
专题专栏
行业专题
会议专题
科普专题
产经专栏
企业理事会
供需平台
业界动态
会员风采
科普专栏
科普动态
科普活动
科普PPT
科普视频
科普讲堂
试验资源
试验台站
检测分析
环试服务
检测服务
防护技术
技术应用
技术成果
信息资源
科普期刊
专家库
企业库
招聘信息
其他信息
培训信息
成果鉴定
关于我们
网站简介
网站机构
联系我们
搜索
首页
>
导航
>
防护技术
>
技术应用
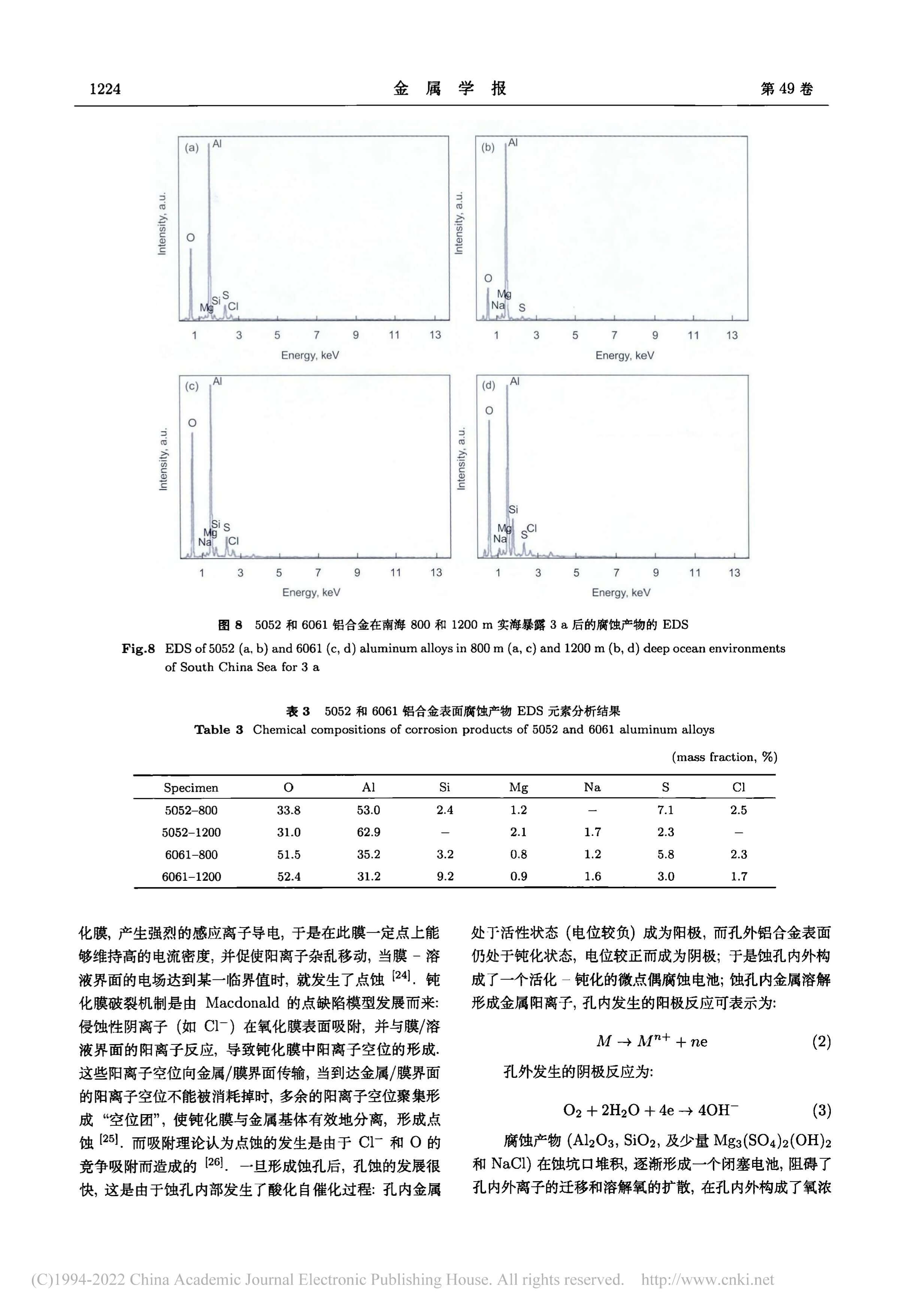
5052和6061铝合金在中国南海深海环境下的腐蚀行为研究
2022-05-19 11:49:15
作者:孙飞龙,李晓刚,卢琳,程学群,董超芳,高瑾
来源:金属学报
分享至:
免责声明:本网站所转载的文字、图片与视频资料版权归原创作者所有,如果涉及侵权,请第一时间联系本网删除。
标签:
铝合金
,
点腐蚀
,
深海
,
实海
相关文章
超声滚压对 7075 铝合金耐腐蚀性能的影响
铝合金表面等离子纳米陶瓷化复合改性技术及应用
分享 | 铝合金、锌合金、镁合金、钛合金对比
重要突破!铝合金异质形核机理新认识与晶种新技术
模拟海洋大气环境下7B04铝合金板-TC16钛合金铆钉搭接
海洋工程用铝合金的腐蚀与防护研究进展
【知识】铝合金的金相分析
电弧增材制造航空AA2024铝合金的微观结构及其腐蚀行为
AZ91D 镁合金和 2002 铝合金在 0.5 mg/L 氯化钠溶液中
铝合金中厚板焊接接头显微组织及其疲劳损伤
官方微信
《腐蚀与防护网电子期刊》征订启事
投稿联系:
编辑部
电话:
010-62316606-806
邮箱:
fsfhzy666@163.com
腐蚀与防护网官方QQ群:
140808414
文章推荐
英北海油气管道因腐蚀泄露 业内危机感加...
防治船舶锚链锈蚀损坏简便易用方法...
腐蚀环境对暖气片性能的影响...
防腐蚀材料多数易燃易爆 注意远离明火...
点击排行
35642
1
2017年双一流大学最终名单(教育部双一流大学名单)
8643
2
侯保荣院士:“腐蚀调查”为防腐新技术推广应用打响第一炮
7318
3
2021年各省市杰青优青拟立项最新名单:近千人入选!
6943
4
2021年度全国『杰青优青』最新立项名单汇总发布!
6514
5
2021年度全国『杰青、优青项目』评审立项最新名单
5993
6
一文读懂高熵合金
5915
7
2017年最新版中科院SCI期刊分区发布!
5650
8
2020年国家自然科学基金委员会评审重要时间节点安排
PPT新闻
“海洋金属”——钛合金在舰船的
点击数:8148
腐蚀与“海上丝绸之路”
点击数:6486