1、概述
腐蚀是危及炼油厂装置安全平稳运行的重要隐患,它能够造成设备泄漏或失效,严重时会导致装置停工及火灾、爆炸等事故。因此炼油厂一般都采取一定的措施,对腐蚀进行控制。
传统的腐蚀控制方法主要是从选材、工艺防腐等角度出发,防止腐蚀的发生。随着工业自动化技术和检测仪器的发展,腐蚀监测技术逐渐在炼油行业防腐中占据了越来越重要的地位。
所谓腐蚀监测技术,就是利用各种仪器工具和分析方法,确定材料在工艺介质环境中的腐蚀速度,及时为工程技术人员反馈设备腐蚀信息,从而采取有效措施减缓腐蚀,避免腐蚀事故的发生。
通常,腐蚀监测主要有以下几个目的:
(1) 判断腐蚀发生的程度和腐蚀形态。
(2) 监测腐蚀控制方法的使用效果(如选材、工艺防腐等)。
(3) 对腐蚀隐患进行预警。
(4) 判断是否需要采取工艺措施进行防腐。
(5) 评价设备管道使用状态,预测设备管道的使用寿命。
(6) 帮助制定设备管道检维修计划。
因此,通过腐蚀监测,工厂不仅可以预防腐蚀事故的发生,还可以及时调节腐蚀控制方案,减少不必要的腐蚀控制费用,获得最大的经济效益。
2、常用腐蚀监测技术
齐鲁石化公司胜利炼油厂从二十世纪70年代开始进行腐蚀监测工作,先后采用了腐蚀挂片、电阻探针、定点测厚、现场腐蚀试验装置、冷凝水分析等腐蚀监测技术,为炼油厂的设备防腐提供了大量的数据。
2.1 腐蚀挂片监测
腐蚀挂片监测作为腐蚀监测最基本的方法之一,具有操作简单,数据可靠性高等特点,可作为设备和管道选材的重要依据。目前胜利炼油厂采用的腐蚀挂片技术主要有两种方式。一是利用装置停工检修,在装置设备内部重点腐蚀部位挂入腐蚀挂片,待运行一个生产周期,装置再次停工检修时取出,测量挂片腐蚀失重情况,计算腐蚀速度,这种方法被称为现场腐蚀挂片监测。该方法监测周期以装置运行周期为准,通常为2到3年。第二种方法是采用挂片探针技术(图1、2)

图1 探针挂片示意图
在装置运行过程中,对重点腐蚀部位进行监测,监测周期通常为一到二个月。腐蚀挂片监测操作周期比较长,所测得的数据为装置设备在一段时间内的平均腐蚀速度,不能反映设备在某一点的腐蚀速度,因此无法用于实时在线分析。腐蚀挂片监测数据主要用于设备选材和监测工艺防腐措施的应用效果,也可作为其他腐蚀监测数据比较的基础。

图2 探针挂片在常压塔顶空冷器上的应用
(1)探针挂片的结构型式
探针挂片器主要由探针杆、密封填料盒、锁紧环等组成。与安装在现场管道上的阀门配合可进行带压装卸操作,因此可随时取出监测挂片进行腐蚀测量。示意图如下:
挂片探针的装卸需要与一个PN40、DN25的闸阀相配合,开口位置应当有较大的空间,有利于监测操作。示意图如下:

图中:
1-单丝头,PN40DN25,与工艺管道同材质,无丝一端连在工艺管道上,焊接。有丝一端与阀门相连拧紧后焊接。
2-阀门,Z11H-40-25闸阀。由于各厂家生产的闸阀有所不同,选阀门时注意在阀门全开时应能顺利通过直径20mm的圆棒。
3-挂片探针,与阀门丝扣连接,可随时拆装。
(2)试片规格
尺寸(长×宽×厚mm) 25.0×10.0×2.0,距两端5mm各有一f4.0孔。
试片材质选择国产20号优质碳素钢(GB 699—65),化学成份应符合以下标准:

(3)试片的加工
a 试片应采用板材加工。
b试片应用机床切削、铣、磨等机械加工方法,以免引起金相变化和产生应力。其棱边(含钻孔)不准有毛刺。
c 加工好的成批试片采用防锈密闭包装。
d 平行试验所用试片表面状况应当一致。试片表面的粗糙度规定为?1.6。
(4)试片的试前准备
a 生锈或回用试片应进行砂磨,砂磨选用砂布应先粗后细,最后规定采用GZ 120号砂布。打磨的方向应该在换砂纸(布)时,改变90℃,每次打磨到前一次打磨痕迹消失为止。不可用同一张砂布研磨不同材质的试片。
b 试片在试前用小号钢字在一端打字编号。打字时用力不可过大,以免产生过大的应力。
c 仔细测量和计算试片的表面积。其标准偏差不可超过1%。
d 将试片浸入石油醚中用棉球擦洗脱油(采用密闭包装的标准试片用水清洗表面)。
c 浸入无水乙醇中清洗,然后再移入清洁的无水乙醇中浸泡片刻,取出试片,用滤纸吸干,用风吹干,放入干燥器内至少存放30min,称重。称重时应准确至0.0002g。
(5) 试片的试后处理
a 试后应小心取出试片,观察记录表面状况,有代表性的试验结果,应照相存档。
b 清除试片上的腐蚀沉积物。对腐蚀沉积物较多的试片,在化学清洗前应先用竹片或塑料片进行物理清理。根据试片材料按表1选择化学清洗配方与控制清洗时间。
c 化学清洗后的试片应立即用自来水冲洗,再用无水乙醇清洗。然后用滤纸吸干,用风吹干,放入干燥器内保存。
d 干燥好的试片用分析天平称重,准确度应和试前一致。求出试验后的腐蚀失重。
c 仔细观察和记录试片表面的腐蚀形态和特征,发现有点蚀时应注意蚀坑的大小、形状、数目和分布情况。测出最大和最小坑深,对有代表性的试验结果应照相存档。
表1 金属试片常用化学清洗法

(6) 数据处理
对于腐蚀试验的结果,通常按均匀腐蚀的平均值表示。常用的单位如:毫克/米2·天(mg/m2·d),能直观的表示腐蚀进行的快慢;毫米/年(mm/a)能用以估计设备的使用寿命,其可靠性决定于腐蚀的均匀程度。计算腐蚀速度的通式如下:

表2 不同腐蚀速度单位的常数C值

(7) 注意事项
a 脱脂除污效果检验:脱脂除污效果采用水膜试验进行检验。即把脱脂处理后的试片放入水中,然后取出。如果脱脂完全,试片表面应保持一层完整的水膜,如果还有油脂存在,该处则为干斑。
b 称重:为了保证所有的试片都达到稳定的表面状态,一般规定在干燥器中放置24小时后再称重。
c 经清洗之后的试片要用镊子夹取,不能用手直接拿取试片。
2.2 电阻探针监测
电阻探针腐蚀监测是通过测量金属元件(称探头)在工艺介质中腐蚀后的电阻值变化,计算金属在工艺介质中的腐蚀速度。当探头受腐蚀后,横截面积减小,造成电阻增加。电阻增加与金属损耗有直接关系,因此,通过一定的公式,可以换算出金属的腐蚀速度。
电阻探针技术是炼油厂采用最广泛的在线监测技术,它将多个探头安装在不同的部位,通过监测仪器显示腐蚀速度的变化。此外,探针测量元件可以根据现场需要采用不同的材料。电阻探针的另一个优点是适用范围广,几乎可以用于炼油厂所有的介质环境中,包括气相、液相、固相和流动颗粒。
电阻探针信号反馈时间短、测量迅速,能及时反映出设备管道的腐蚀情况,使设备管道的腐蚀始终处于监控状态。因此对于腐蚀严重的部位和短时间内突发严重腐蚀的部位,这种方法是不可缺少的监测控制手段。但由于仪器测量灵敏度的限制,其所测得的数据受工艺介质腐蚀速度变化的影响较大,测量结果有时会发生偏差。
(1)单点监测电阻探针
单点监测电阻探针就是每次只能监测一个点的腐蚀率。胜利炼油厂采用的电阻探针监测仪器为自行开发设计的DF型电阻探针腐蚀监测仪,该腐蚀监测仪由两部分组成:电阻探针(传感器)和腐蚀监测仪(见图3)。为保证电阻探针在现场便于拆卸,将探针部分设计为可伸缩式,同时配备了探针装卸器。电阻探针在胜利炼油厂主要用于常减压装置常减顶低温系统腐蚀监测、工艺防腐试验的腐蚀监控、加氢装置催化剂再生时腐蚀监控等方面。

图3 电阻探针腐蚀监测仪
(2)多点在线监测式电阻探针
a 基本原理
胜利炼油技术研究所开发的在线腐蚀多点监测技术是将多个电阻探针的腐蚀信号通过模数转换、远程传输、数据处理、软件集中控制等实现多路在线自动腐蚀监测,如下图4所示意。

图4-多点在线腐蚀监测技术原理图
计算机是监测控制中心,它根据设定参数自动控制监测过程,实现实时绘制腐蚀率曲线,自动把数据存盘等。下图是软件控制界面。

图5-多点在线腐蚀监测控制软件
b 现场条件要求

图6 现场电缆布线示意图
● 数据显示方面的要求
如图3所示:下位机直接连接在探针尾部,计算机安放在操作室内。腐蚀监测信号通过下位机已转换为数字信号,通过探制软件显示于计算机中。如果要接入控制室的DCS系统中,DCS硬件系统中需具备RS232接口卡,并根据DCS的具体情况进行软件组态,使腐蚀数据显示在DCS中。
● 电阻探针开口及安装的要求
如同挂片探针一样,现场应开好监测口,焊上PN40DN25的闸阀以便进行探针的装卸操作。选阀门时注意在阀门全开时应能顺利通过电阻探针(约Φ22)。
● 电源线及信号线的要求
图6中:计算机与下位机之间的实线代表电源线,24伏直流供电。虚线为双芯屏蔽信号线,连接微机与下位机。所有线缆应走布线管(槽),引入到工作室或操作室。设计布线管(槽)时,为了减少工作量,应在现场合适的地方设置集线盒,各分支线在集线盒内与总线相并联。根据监测点的远近,可设置多个。
2.3 现场腐蚀试验旁路
现场腐蚀试验装置主要安装在高温设备管道腐蚀严重的部位,在装置正常开工过程中可以自由切换,进行现场腐蚀监测、腐蚀试验等,可取得准确的现场腐蚀数据。
A 等流速试验旁路
即试验过程中,试样处于同一介质流速中,不能同进进行多种流动状态下的腐蚀试验。

图7 第三套常减压装置减三线腐蚀监测旁路
图7所示的为胜利炼油厂第三常减压装置减三线上的一条腐蚀试验旁路,它是为了监测炼制高硫原油给装置高温部位带来的腐蚀。该装置结构简单,主要设备为一不锈钢压力釜,釜内装有试处悬挂架用来安装各种试验试处。釜盖上装有探针监测口,可以实现探针监测。通过此旁路可以方便地完成腐蚀挂片、涂料挂片、腐蚀探针等多种现场试验或腐蚀监测任务。
A 变流速试验旁路
这是一种一次可进行多种流速状态试验的装置,它可以一次完成五种介质流速下的腐蚀试验,且一轮试验可得出最多9种钢材在5种介质流速下的腐蚀数据。装置上设有药剂注入点,可以进行化学药剂的效果评定。试验装置的原则流程见图8。

图8 变流速腐蚀试验旁路图
它有5个试验段组成,图中标号为I-V。从I到V,试验段的管径依次变粗,所以同一流量下可以得到5种介质流速。每个试验段中可最多安装9只环形试件。试验时介质依次流经I-V试验段及流量计,通过调节进出口阀门及节流阀门的开度,可以得到预期的介质流速。在进油阀后设有缓蚀剂入口,可以进行注剂试验。介质流量通过流量计读出。根据试验段的管径可换算出各段的介质流速,计算公式如下:

全开节流阀,关闭进出口油阀,打开蒸汽吹扫阀退油后,可拆卸出试验环,完成试验。
试片为环形试件,试件外表面进行镀铬处理以防腐蚀,只让试件内表面腐蚀。共5种规格,见图9。

图9 变流速腐蚀试验旁路的环形试件
● 试验操作步骤
A 环形试件称重
首先测量环形试件的内径、高度,然后打钢号,清洗干净后称重,记录数据。
B 环形试件装配
将同种规格的9只环形试件与前支持环及后固定环叠扣成一管状,用螺栓连接固定。
C 现场安装
把试验环组件的前支持环套在试验段内的前导流管上,后拉紧环夹在试验段两法兰之间,然后上紧法兰螺栓。
D 试漏
五个试验段装好后,先进行蒸汽吹扫试漏。将装置上的10kg/cm3蒸汽阀慢慢打开,然后将退油线阀也慢慢打开,将脏物排出后关闭退油阀试漏。如果发现密封不严,应重新进行紧固。经检查无漏点后,关闭蒸汽阀,打开退油线阀,排空蒸汽与水后,关闭退油线阀。
E 进油
慢慢打开试验装置上的介质出口阀,然后稍开进口阀,预热缓慢升温,观察连接部件是否泄漏。待介质稳定后,察看流量计,是否符合预先要求的流量。如果不符,可调节进油阀及生产工艺管线上节流阀的开度以调节流量,直到符合要求。
F 试验时间
试验时间不受生产装置开停工的影响,可根据需要自行拟定,一般不少于1个月。
G 拆卸
试验完毕后,将工艺管线上的节流阀全开,关闭进油阀、出油阀,打开退油线阀及蒸汽行退油。干净后,关闭蒸汽阀及退油阀。然后拆开试验段取出试验环。
H 试后称重
将试件去油污,清洗,称重,记录。
● 试验结果评价
A 腐蚀率计算
ri =8.76×106×(W1-W2)/(7.85×Di×Li×H×π),mm/a
其中:
ri--- 第i个试验段的腐蚀率,i=1,2,3,4,5,mm/a;
W1 --- 试前试环重量,g;
W2 --- 试后试环重量,g;
Di --- 第i个试验段的试件内径,i=1-5,mm;
Li --- 第i个试验段的试件长度,i=1-5,mm;
H --- 试验时间,小时;
若9只试验环中有相同材质的试件,可取各只试环的腐蚀率算术平均值作为此种材质的腐蚀率。
B 绘制关系曲线
根据介质流速Vi及腐蚀率ri可绘制出Vi及ri的对应关系曲线,可得出流速与腐蚀之间的规律。
该装置为胜利炼油厂研究所自行研制,安装于第二套常减压装置减压二线蜡油系统,主要用于现场腐蚀试验和筛选评定材质,同时也用于现场腐蚀监测。它对摸清环烷酸的腐蚀规律起到了很大的作用。
2.4 管道定点测厚
管道测厚主要用于监测管道腐蚀速度,包括普查测厚和定点测厚。定点测厚分为在线定点、定期测厚和检修期间定点测厚。管道的普查测厚应结合压力容器和工业管道的检验工作进行。普查测厚点应包括全部定点测厚点。
● 一般原则
测厚监测主要针对设备、管道的均匀腐蚀和冲刷腐蚀,对于氢腐蚀、应力腐蚀等应通过其它检测手段进行监测。在高温硫腐蚀环境下,应重点对碳钢、铬钼合金钢制设备、管道进行测厚监测。新建装置或新投用的设备及管道,在投用前就应确定定点测厚的位置,并取得原始壁厚数据。
● 定点测厚管理
A 生产装置上的测厚检查原则上都应定点。重要生产装置(包括常减压蒸馏、延迟焦化、催化裂化、加氢裂化、加氢精制、减粘裂化等)必须建立本装置的定点测厚布点图〔或单体图),其它生产装置也应逐步建立本装置的定点测厚布点图(或单体图)。
B 定点测厚点必须有明显的标示和编号。在裸管上的测厚点,可用耐候耐温漆涂一个直径为3cm的圆作标记;有保温层的设备及管道上的测厚点,应安装可拆卸式保温罩(盒)(如图10所示)并标上编号。

图10 管道定点测厚用活动保温套
C 装置检修期间应对装置所有的定点测厚点进行常温测厚。
D 定点测厚布点由设备管理部门组织车间的设备及工艺技术人员根据工艺工况及介质的腐蚀性和历年的腐蚀检查情况确定,应能覆盖全厂的腐蚀部位。
E 应对腐蚀减薄量超过设计腐蚀裕度的数据及时核对数据的准确性,如确认无误,应分析原因,提出处理建议。
● 定点测厚布点原则
1)下列易腐蚀和冲刷部位应优先考虑布点:
2)管线腐蚀冲刷严重的部位:弯头、大小头、三通及喷嘴、阀门、调节阀、减压阀、孔板附近的管段等;
3)流速大(大于30m/s)的部位,如:常减压转油线、加热炉炉管出口处、机泵出口阀后等:
4)环烷酸腐蚀环境下的气液相交界处和液相部位:
5)硫腐蚀环境下气相和气液相交界处:
6)流体的下游端(包括焊缝、直管)容易引起严重冲刷的部位:
7)同一管线的热端;
8)换热器、空冷器的流体入口管端;
9)塔、容器和重沸器、蒸发器的气液相交界处;
10)换热器、冷凝器壳程的入口处
11)流速小于1m/s的管线(包括水冷却器管束),有沉积物存在易发生垢下腐蚀的部位
12)盲肠、死角部位,如:排凝管、采样口、调节阀副线、开停工旁路、扫线头等。
13)输送腐蚀性较强介质的管道,直管段长度大于20m时,—般纵向安排三处测厚点,长度为10—20m时,一般安排两处,小于l0m时可安排一处。
14)介质腐蚀性较轻的管道一般在直管段(两个弯头间的连接管)安排一处测厚点,在弯头处安排一处测厚点。
15)管线上的弯头、大小头及三通等易腐蚀、冲蚀部位应尽可能布置测厚点。
16)考虑现场实际,一般不要将在线测厚点选在测厚人员不易操作的位置(腐蚀特别严重,需特别重视的部位除外)。
17)对大小头、弯头、三通管、调节阀或节流阀后、集合管等有关管道常见结构的布点位置可参考图11-图18。
18)管道上同一截面处原则上应安排4个测厚点,一般布置在冲刷腐蚀可能严重的部位和焊缝的附近(主要在介质流向的下游侧)。

图13 三通,设置在流向的正面和两侧

图14 阀门或孔板节流部位

图17 分支管进口附近

图18 盲头或封头测点位置
注:管道测点位置应在以上各测点截面四个方位上测四个点,至少在管道底部(或冲刷面)及两侧测3点。
● 测厚频率的确定
A 当腐蚀速率在0.3—0.5mm/a或剩余寿命在1—1.5年之间时,应每三个月测定一次。
B 当腐蚀速率在0.1—0.3mm/a或剩余寿命在1.5—2年之间时,应每六个月测定一次。
C 当腐蚀速率小于0.1mm/a时,可在每次停工检修时测定一次。
D 对腐蚀极为严重(腐蚀速率大于0.5mm/a)或剩余寿命小于1年的部位应进行监控,对监控部位应增加测厚频率(测厚频率及位置由测厚管理部门、车间和检测单位共同确定)。
E 停用设备及管道重新启用前应增加一次测厚。
F 当原料中硫含量发生明显变化时,应适时调整测厚频率。
● 测厚方法及数据处理
A 测厚仪器采用超声波测厚仪,精度不低于0.1mm,测量误差应在土(H%+0.1)mm范围内(H-壁厚,mm)。
B 应根据被测设备及管道的温度选择适当的探头和耦合剂。
C 每次测厚前,应对测厚仪器进行常温标定,同时对被测对象进行表面处理,保证被测对象的材质和表面状况与标定试块基本一致。
D 推荐采用二次测厚法,即在探头分隔面相互垂直的两个方向上(对管道测厚,探头分隔面应与轴线垂直或平行)测定两次,以最小值为准。如果两次测厚值的偏差大于0.2mm,应重新测定。
E 对中高温条件下(100℃—500℃)的测厚,所测数据比实际值偏大,应注意进行修正。
F 测厚腐蚀速率(mm/a) = 某两次所测得的常温厚度差(mm)/对应两次测厚间隔时间(a)
G 剩余寿命估算:用所测得的剩余壁厚常温值减去按照GBl50和SH3059所确定的最小壁厚,所得差值除以平均腐蚀速率即为钢制炼油设备及管道的剩余寿命。该剩余寿命的可靠程度取决于测厚数据的可靠程度,且只能用于均匀腐蚀,可指导确定检测频率,不宜作判废依据。
H 定点测厚的有关数据资料,如测厚数据、管道测厚图、管道基本参数等最好用计算机软件进行管理,使数据处理规范化科学化。图19为一管理软件界面。

图19 胜利炼油厂管道定点测厚数据管理软件
2.6 加热炉的监测
石油炼制企业总是想用最小的能量消耗来满足正常生产要求。能量损耗除了一般的设备表面散热损失,最重要的是加热炉热效率低,燃料消耗多。近年来对低温烟气的能量回收措施得以加强,但由于排烟温度低,加上烟气中硫化物增多,使能量回收设备产生较重的硫酸露点腐蚀。
2.6.1 加热炉热效率
A 定义
加热炉的热效率是指为达到规定的加热目的,供给能量利用的有效程度在数量上的表示。即有效能量对供给能量的百分数:

根据供给能量和损失能量所包括的内容不同。加热炉热效率可分为热效率和综合热效率。
热效率表示加热炉体系中参与热交换过程的热能的利用程度。它的供给能量中一般只包括燃料低热值和燃料、空气及雾化蒸汽带入的显热。损失能量包括排烟带走的热量和散失的热量。它便于计算燃料耗量,是衡量加热炉燃料利用情况的一项重要指标。因此可称它作“燃料效率”。以前通用的管式炉热效率就是按此定义来计算出的。按照此定义计算的热效率可以根据烟气成分分析和排烟温度直接算出,便于安装热效率仪表对炉子的运行状况进行监视。所以在国家标准给出了广义的全面的热效率定义的情况下,仍有保留过去惯用的热效率定义的必要,称之为“热效率”。
按照国家标准GB2588《设备热效率计算通则》中定义的热效率,内容比上述热效率η1全面,它规定供给能量中还应包括外界供给体系的电和功(例如鼓风机、引风机和吹灰器电耗、吹灰器蒸汽消耗等)。对于管式加热炉体系来说,这些电和功一般不转换成有效能,几乎全部变成由于磨擦等原因而引起的能量损失。因此热平衡式的供给能量中应增加表示电和功的项,以N表示,而损失能量中也增加一项数值与N相等的损失能量,以N‘表示。按照这样定义的热效率,全面地表示了管式加热炉所有供给能量的利用程度,是一项综合性的技术经济指标,实质上是“能效率”。它对改革生产工艺,提高设备制造工艺、改善管理和降低产品能耗等具有重要意义。为了和惯用的“热效率”η1区别,命名为“综合热效率”,用η2表示。

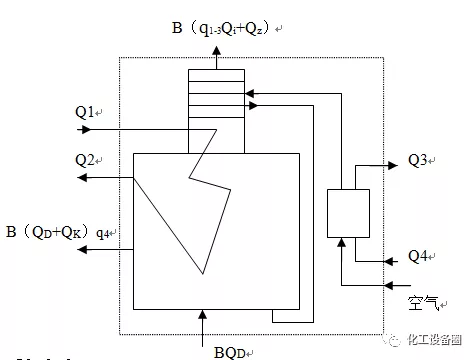
注:BQk=Q4-Q3
图1 烟气余热预热空气式加热炉
如图1所示,带有空气预热器的加热炉的热效率:

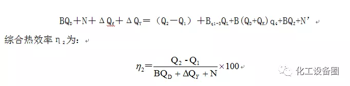
(Q4-Q3)为外界热源提供的热量,可包括低温位(如130℃以下低温油品)热量ΔQf和高温位热源提供的热量ΔQY两部分。则能量平衡方程式可写成:
BQD+N+ΔQf+ΔQY=(Q2-Q1)+Bq1-3QL+B(QD+QK)q4+BQZ+N'
综合热效率η2为:

式中:
B-燃料用量,kg/s;
QD-每公斤燃料带入体系的低热值、燃料显热、雾化蒸汽带入的显热之和,MJ/kg燃料;
QK-空气带入体系的显热,MJ/kg燃料;
Q2-Q1-有效热量,即炉子的热负荷,MW;
q1-3-排烟损失的热量与燃料低热值之比;
q4-散热量与供给热量之比;
QZ-排烟中雾化蒸汽带走的热损失;MJ/kg燃料。
热效率η1和综合热效率η2应根据同一划定的体系来计算,η1总是大于η2。
B 加热炉热效率测定
管式炉热效率的测定有标定测定和操作测定两种。标定测定时应对正、反平衡计算式所涉及的各参数都进行准确的测量,由于工作量大又比较麻烦,因此一般只在评价某台炉子或为获得设计数据时才采用。操作测定则比较简单,它只测量反平衡计算式中涉及的各参数,一般只对烟气离开体系时的组成和温度进行分析和测量,用反平衡法计算出热效率或用连续测定仪直接显示出热效率,以作为调节操作参数的依据。
热效率的操作测定主要是为调整以及考核炉子的操作状况而进行的。一般只测定排烟损失,估计一个散热损失便可计算出炉子的热效率。排烟损失的测定有定期(一天或数天)人工采样分析和用热效率仪连续测定两种方法。
1)人工采样法
人工采样分析是在体系出口处人工采集烟气样,作色谱分析,得到烟气的组成(CO2、O2、CO等),从而计算出排烟处的过剩空气系数α:

式中: O2、CO2、CO、SO2、H2、CH4 - 分别为干烟气中相应成分的体积百分数。
根据α、排烟温度tg和基准温度tb,可以从有关图中查出q1,并根据烟气分析所得CO、H2、CH4等未完全燃烧成份用有关公式计算出q2,机械不完全燃烧q3一般由烟色对比给出,而散热损失q4一般是估计的。有了这些数据便可计算出热效率η1。
2)热效率仪表
在燃料成分一定的情况下,烟气各组分间存在着对应关系,即O2(或CO2)含量代表着过剩空气系数α。因此,可以建立起热效率同排烟温度和烟气中O2(或CO2)含量之间直接的函数关系。各种热效率仪表就是利用电子技术来模拟这种关系而直接显示炉子热效率。其中散热损失是根据估计值直接给定的。化学不完全燃烧是根据烟气中CO、CH4等的含量,由仪表对热效率值自动给以修正。机械不完全燃烧一般是根据烟色比较(烟气通过滤纸时留下的炭黑使滤纸变黑,将此滤纸同标准色样比较)得出热效率修正值,然后由人工将此值输入热效率仪。
目前国内管式炉常用的热效率仪中分析烟气成分的仪表有氧化锆测氧仪、磁导式氧分析仪和二氧化碳测定仪等。
● 氧化锆测氧仪是将氧化锆探头直接插入烟气中,而不用将烟气引出炉外。探头是一个氧化锆小磁管,管内、外壁的某相对应处涂上并烧结一层多孔的铂电极,管内通以标准气(空气)。这样管外气体(烟气)和管内标准气体之间氧浓度差构成一个氧浓差电池,使铂电极输出电讯号而测出烟气中的氧含量。由于氧化锆氧浓差电池的内阻随温度的降低而升高,因此氧化锆探头的工作温度一般在600℃以上。实际使用中常用恒温法或温度补偿法来避免烟气温度波动的干扰。另外,其变送器需采用集成线性放大器组成,否则测量精度难以保证。
● 磁导式氧分析仪的工作原理是利用氧气具有极高的磁化率而制成的。在非均匀磁场的作用下,具有高磁化率的氧气形成所谓热磁对流(或称磁风),敏感元件(电桥臂)产生冷却作用而改变其电阻值,使电桥两端产生不平衡电压,此不平衡电压随被测气体中氧的浓度而变化,通过二次表指示出氧含量。
磁导式氧分析仪需要用负压泵(气抽子)将烟气从烟囱(或烟道)引出,经分水器、干燥器和流量计而进入测量环室。为了避免烟气中的水分冻结引气管和分水器等,冬季必须采取防冻措施,一次仪表箱应设置暖气,使仪器在5-45℃的环境中工作。
● 多用途加热炉烟气分析仪:一般多为进口仪器,如testo fs500为德国产多用途烟气分析仪。是一台用于巡检或现场测量的便携式测量仪,配有一体化差压探头和一个探头插孔。该探头插孔可以连接许多种探头,分别用来精确测量温度、湿度、流速、紊流度、压力、转速、电压、电流等。图形显示器可以同步显示6个测量通道。每一个既定测量点可以保存250,000个读数值,并且可以利用一体化打印机在现场直接打印出来或通过串行口传输给PC机。用户可以利用软件对这些数据进行分析或归档处理。
testo fs500可以测定烟气中O2、CO2、CO、NO、NO2、NOX、SO2同时计算出过剩空气系数及加热炉热效率。现在胜利炼油厂每月对30多台加热炉进行检测,就是用此仪器进行。
2.6.2 烟气露点
随着节能工作的不断发展,要求管式炉的排烟温度越来越低。但是往往在空气预热器、余热锅炉等余热回收设备的换热面上产生强烈的低温露点腐蚀,甚至在不到一年的运转时间内,换热面就严重腐蚀穿孔,使管式炉不能正常运行。可以说,低温露点腐蚀已成为降低管式炉排烟温度、提高热效率的主要障碍。
● 腐蚀机理
A SO3的生成
一般燃料油(或气)中均含有一定量的硫,硫燃烧后全部生成SO2。由于燃烧室中有过量的氧气存在,所以会有少量的SO2进一步再与氧化合成SO3。在通常的过剩空气系数条件下,全部SO2中约有1-3%转化成SO3。在高温烟气中SO3不腐蚀金属,但当烟气温度降到400℃以下,SO3将与水蒸汽化合生成硫酸蒸汽,当硫酸蒸汽凝结到炉子尾部受热面上时就会发生低温硫酸腐蚀。同时,这些酸液还会粘附烟气中的灰尘形成不易清除的粘灰,使烟气通道不畅产生堵塞。
SO2与水蒸汽化合生成亚硫酸蒸汽,它的露点温度较低,一般不可能在炉子内凝结,对炉子无危害。所以烟气露点腐蚀过程中最重要的因素是SO3的生成。SO2转化成SO3的机理较复杂,现在有两种理论,即:烟气中的SO2被原子氧所氧化;烟气中的SO2被分子氧所氧化。
原子氧氧化理论认为,在炉膛高温火焰中有原子氧产生:
O2→ 2O
或 CO+O → CO2(活性的)
CO2(活性的)+O2 → CO2+O+O
SO2+O → SO3
分子氧氧化理论认为SO3是被氧分子所氧化的:
SO2+1/2O2 → SO3+96.3kJ/mol
这是个可逆反应,由于反应的放热性,当降低温度时,平衡向右方(生成SO3的方向)移动。一般认为,燃烧区温度高于1127℃以上时不会有SO3存在,而燃烧区温度越低,转化成SO3的机率就越大。
由SO2转为SO3的量与过剩空气系数及燃料含S量有很大关系。含硫量越多,过剩空气系数越大,SO3的生成量就越多,其关系可参照有关图表。
B 影响烟气露点温度的因素
烟气露点温度除与烟气中影响SO3量的过剩空气系数和燃料中的硫含量有关外,还随烟气中水蒸汽的含量增多而升高。在以燃料油为主的加热炉中,烟气中水蒸汽的体积含量一般约为10-12%。在这种条件下,露点温度就主要随SO3量的增加而升高。另外,由于烟气中水蒸汽和SO3体积含量有变化,在冷壁面上冷凝硫酸的浓度亦不同。在一定的SO3含量下,水蒸汽含量增加,酸浓度降低;反之,在一定的水蒸汽含量下,SO3含量增加,酸浓度升高。其关系可参考有关图表。
C 腐蚀速度与壁温的关系
烟气中的硫酸蒸汽和水蒸汽在遇到冷面时就会开始冷凝,并且冷凝液中的硫酸浓度很大。由于部分蒸汽冷凝后,使烟气中硫酸和水蒸汽的浓度都有所降低,因此烟气的露点也有所下降。由于烟气在继续向前流动中会遇到更低的冷面,烟气中的蒸汽还会继续凝结,但凝结出的液体中硫酸的浓度逐渐降低。因此烟气中的硫酸蒸汽和水蒸汽在冷的换热面上结露是在相当长的范围内进行的,结出的“露”中硫酸的浓度是逐渐变低的。
烟气凝结液中硫酸的浓度对换热面腐蚀的速度影响最大。浓硫酸对钢材的腐蚀速度很慢,但稀硫酸对钢材的腐蚀速度很快。浓度为50%左右的硫酸对碳钢材料的腐蚀速度最大。
实际运转中,腐蚀速度还与设备的壁温有关。在壁温较高而未结露时,腐蚀速度很低;开始结露时,硫酸浓度很大,但腐蚀速度也还不很高;对温度再低一些的换热面,结露中硫酸的浓度变稀,腐蚀速度加快,在某处达到一最大值(一般认为在低于露点温度10-40℃处);此后,由于硫酸浓度较低,温度也较低,腐蚀速度下降。最后由于壁温很低,水蒸汽大量凝结,腐蚀速度又比较强烈。具体情况可参考有关图表。
● 露点温度的确定
由于影响烟气露点温度的因素很多,而且各因素又与实际操作条件有关,所以用理论方法进行准确计算是很困难的,所以一般用经验方法确定。
A 计算烟气露点温度的方法
① 根据烟气组分求露点温度
★ 烟气中的SO2的量。根据燃料油的含硫量,并通过燃烧得出烟气中的SO2的量。一般当过剩空气系数为1.1-1.2、燃料油中的含硫量为1%时,烟气中SO2的体积含量约为500ppm。燃料油中的含硫量改变时,烟气中的SO2量成比例增多或减少。
★ 烟气中的SO3量。根据过剩空气系数和燃料油中的含硫量,可参照有关图表查出烟气中SO3的体积含量。一般SO3的转化率按3%估算。
★ 烟气中的H2O含量。根据燃料油的化学组分、过剩空气系数和雾化蒸汽的用量可以算出烟气中水蒸汽的含量。烟气中水蒸汽的体积含量一般约为12%。
★ 确定烟气露点温度。根据烟气中的H2O体积量和SO3转化率即可从有关图表中查出露点温度。
② 根据燃料油含硫量可直接从有关曲线中查得露点温度。此方法比较粗略,一般是在缺乏必要的计算数据时才使用此方法。
B 用酸露点仪进行实际检测
由于影响烟气露点温度的因素很复杂,所以对于运转中的加热炉,一般要使用露点仪进行测定。现在使用最多的是英国LAND燃料公司生产的酸露点仪,数据比较准确可靠。
以LAND S-660型酸露点仪为例进行简单说明。S-660型的标准探头为1.2米的不锈钢结构,探测单元位于探头的顶端,在探头尾部带有电子和空气连接机构。探测单元有两个铂电极埋入玻璃表面下,使用时两电极之间任何冷凝硫酸液的电子传导系数都会被测量出,内部两个电极形成铂热电偶,用来测量探头的表面温度。当酸液的冷凝速率与酸液的蒸发速率相同时,两电极间的电流将趋于稳定状态,这时探头所测出的温度即为烟气的露点温度。
测量时需要给探头连上空气冷却机构,用来降低探头的表面温度,冷却空气量应能足以使酸液能在其上冷凝。探头的型号不同,所要求的最高使用温度也不同。S-660型的最高使用温度为400℃,应用时应注意。现在胜利炼油厂对加热炉的烟气露点温度的测量就是用S-660露点仪来完成。
3 腐蚀监测方案的制定
由于炼油厂工艺介质环境比较复杂,单纯采用某一种腐蚀监测方法一般不能实现对设备管道腐蚀状态的全面掌握,要获得良好的腐蚀监测效果,必须制定相应的腐蚀监测方案。通常一个腐蚀监测方案包括腐蚀监测位置、腐蚀监测方法及腐蚀监测频率的确定。
3.1 腐蚀监测位置的确定
腐蚀监测位置的确定直接决定着腐蚀监测效果的好坏。一般来说,对设备管道真正造成威胁的是局部腐蚀,因此如何监测到设备管道腐蚀相对严重的部位,即腐蚀监测位置的选择就显得十分重要。这些部位随着设备管道工艺条件、材质、结构等的不同而变化,通常需要注意以下几个腐蚀严重的部位:
(1)有水凝结的部位,尤其是水凝结开始的部位,如常减压塔顶冷凝冷却系统空冷器出口及水冷器出入口。
(2)腐蚀介质被浓缩的部位,如循环冷却水系统。
(3)设备管道高湍流区域,如管道的弯头等。
(4)高温高压腐蚀严重的部位。
(5)事故发生频繁的设备管道。
(6)下周期计划备换的设备管道。
3.2 腐蚀监测方法的确定
在现实生产过程中,采用单一的腐蚀监测方法不能满足用户的要求,通常需要同时采用多种方法才能获得比较准确可靠的腐蚀监测信息。例如,电阻探针腐蚀监测数据通常需要用腐蚀挂片数据进行校正,以防止由于探头污染等因素造成的数据偏差。另外,工艺介质分析和腐蚀产物分析也十分重要,可以反映出腐蚀发生的主要原因和腐蚀状况,与腐蚀监测数据相关联后,这些数据可以用于显示预测可能发生的腐蚀及程度。胜利炼油厂常减压装置常减压塔顶冷凝冷却系统就采用了包括腐蚀挂片、电阻探针、冷凝水分析等在内的多种腐蚀监测方法。
3.3 腐蚀监测频率的确定
腐蚀监测可以周期性进行,也可以连续性进行,其监测频率由腐蚀监测方法、被监测部位腐蚀程度及腐蚀监测费用三方面确定。腐蚀监测方法决定着腐蚀速度的响应时间,如腐蚀挂片通常需要一个月以上的监测周期,而电阻探针的监测周期可以缩短到几小时至几天。此外,被监测部位腐蚀加重时应加大腐蚀监测频率,而腐蚀比较轻微的部位其监测频率应相应减少。腐蚀监测费用对于炼油厂来说也十分重要,过于频繁地采用高成本的腐蚀监测方法,其费用是相当巨大的。在目前阶段,连续性在线腐蚀监测费用比周期性腐蚀监测费用高,因此,炼油厂多采用后一种方法,并且在允许的情况下尽量减少监测频率。
4 结语
(1)炼油厂采用腐蚀监测技术对装置设备管道的腐蚀控制工作起到了重要的指导作用。
(2)应进一步加强腐蚀监测技术的开发应用工作,提高腐蚀监测精确度,降低腐蚀监测成本,为企业创造更大的效益。
(3)随着自动化控制技术的发展和腐蚀监测仪器的不断更新,炼油厂未来的腐蚀监测应朝着实时、在线、连续、数据远程网络化管理的方向发展。
免责声明:本网站所转载的文字、图片与视频资料版权归原创作者所有,如果涉及侵权,请第一时间联系本网删除。
官方微信
《中国腐蚀与防护网电子期刊》征订启事
- 投稿联系:编辑部
- 电话:010-62316606-806
- 邮箱:fsfhzy666@163.com
- 中国腐蚀与防护网官方QQ群:140808414



