摘要
利用方波极化技术模拟阴极保护电位波动,通过正交试验方法研究不同电位波动参数,如电位波动频率 (f)、电位波动幅度 (E)、占空比 (δ)、电位总加载时间 (tt) 等,对酸性土壤环境中X100管线钢表面点蚀行为的影响程度大小。结果表明,电位波动参数对点蚀密度影响的顺序为:tt>δ>f>E。当f为0.5 Hz,E为-0.95~-0.7 V,δ为50%和tt为3 d时,宏观点蚀密度最大,即X100管线钢抗局部腐蚀性最差。同时,宏观点蚀密度随f增大而增大,随E升高而增大,在δ为50%时达到最大值,随tt的延长而增大。
关键词: 正交试验; 阴极保护; 管线钢; 点蚀
通常,埋地管线钢使用外部屏蔽层 (涂层) 和阴极保护 (CP) 共同作用来阻止腐蚀,但是腐蚀依旧可能发生[1,2]。由于土壤的自然属性,埋地管线钢在土壤中的腐蚀行为较为复杂[3]。在宏观环境 (如降雨、干旱、地下水运动等),或者土壤微环境变化 (如含水量变化、氧含量变化等) 过程中,埋地管线上加载的CP电位可能会发生偏移,而不会保持在设定值,影响其保护效率。另外,杂散电流,包括交流电流[4-6](AC) 和直流电流[7,8](DC),同样会影响阴极保护系统的效率和稳定性,加速管线钢的腐蚀。这就意味着,在土壤环境中,管线钢上加载的阴极保护电位会因环境变化偏离设定值,并且处于不稳定状态,导致腐蚀的发生。
许多学者的研究表明,不稳定的CP电位,如波动态的阴极保护电位,将会导致管线钢上产生点蚀。Gupta等[9]在利用方波极化 (SWP) 使阴极保护电位在-1200 mVAg/AgCl到-750 mVAg/AgCl波动时,观察到不同的波动频率会造成溶液介质中的碳钢产生不同量的点蚀坑。Liu等[10-12]研究了SWP状态下NS4溶液中X70和酸性土壤环境下X80的腐蚀行为,其发现SWP的电位波动幅度对点蚀的萌生和长大有着重要的影响。本文前期的工作[13]研究了不同SWP电位波动频率 (f ) 和电位总作用时间 (tt) 状态下酸性土壤溶液中X100管线钢的点蚀行为,发现了电位波动频率与宏观点蚀密度间的半定量关系。这些工作均表明,阴极保护电位波动参数将对埋地管线的点蚀行为产生较大影响,并且这些参数与宏观点蚀密度有半定量关系。
但是,电位波动参数对点蚀行为的影响程度的大小并未确定,在工程中出现阴极保护电位波动后,如何减少点蚀量还不清楚。故本工作选择使用方波极化 (SWP) 模拟阴极保护电位波动,并改变f、E、δ和tt等影响电位波动因素,通过四因素三水平正交试验,研究模拟酸性土壤环境中阴极保护电位波动对X100管线钢点蚀行为的影响,以期为X100管线钢以及阴极保护技术的应用提供一定的参考。
1 实验方法
实验材料采用的是武汉钢铁集团热轧成型的X100管线钢试验钢,其对应的屈服强度 (ReL) 为695 MPa,抗拉强度 (Rm) 为830 MPa,符合API-5L标准的要求。X100管线钢的主要合金成分为 (质量分数,%):C 0.05,Si 0.29,Mn 2.01,P 0.019,S 0.007,Cr 0.25,Ni 0.47,Mo 0.30,Cu 0.56,Al 0.033,其余为Fe。试样切割尺寸为10 mm×10 mm×5 mm,试样的一面焊上导线之后,用环氧树脂进行密封,试样暴露面积为1 cm2 (10 mm×10 mm)。然后用SiC砂纸逐级磨制至1200号,抛光至镜面后用蒸馏水清洗,并用无水乙醇脱水、丙酮除油后冷风吹干,放入干燥皿中备用。
腐蚀介质根据典型酸性土壤——鹰潭土壤的理化性质配置模拟溶液,其化学成分 (g/L) 为:CaCl2 0.222,NaCl 0.936,Na2SO4 0.284,MgSO4·7H2O 0.394,KNO3 0.586,NaHCO3 0.302。用醋酸将溶液pH值调至4.0~4.5。实验进行前,通入高纯氮气除氧2~4 h至无氧状态,在实验过程中,氮气一直保持均匀慢速通入状态。所有测试在室温进行。
采用Metrohm Autolab PGSTAT302F型电化学工作站进行电化学测试,采用三电极体系进行。X100管线钢制作的电极为工作电极 (Working Electrode,WE),标准甘汞电极 (SCE) 为参比电极,铂电极为辅助电极。
采用方波极化的方法模拟阴极保护电位波动状态,如图1所示,实验中所施加的电位均是相对于SCE而言的。由于是阴极极化,故方波极化最高电位低于材料在该环境中的自腐蚀电位 (Ecorr,-0.596 V)。方波极化电位波动的最大电位值定义为上电位 (Eu),波动的最小电位值定义为下电位 (El),上电位和下电位间的差值即为方波波动幅度 (E)。Eu和El持续时间分别记做t1和t2,t1和t2之和为SWP周期T,即t1+t2=T。周期T和频率f互为倒数关系,即f=1/T。t1在周期T中所占比例定义为占空比,即δ=t1/t1+t2。方波极化电位作用在工作电极上的总加载时间记为tt。方波的变化时通过调节波动参数,如周期T (或频率f ),上电位和下电位值Eu、El,占空比δ,总加载时间tt来实现的。

图1 方波极化电位模拟阴极保护电位波动的示意图
采用四因素三水平正交试验方法进行腐蚀实验,研究不同因素水平对酸性土壤环境中X100管线钢局部腐蚀 (点蚀) 行为的影响,其因素水平见表1。表1分别用A、B、C、D代表频率、电位波动范围、占空比、总加载时间等因素;用1、2、3分别代表每个因素所取的从小到大的3个水平。
表1 正交试验的因素水平表

实验结束后,使用除锈液快速擦洗试样表面,后用蒸馏水和酒精超声振荡清洗,干燥后观察试样表面的点蚀状态。点蚀形貌使用FEI Nove 400 NanoSEM型扫描电镜 (FE-SEM) 的二次电子 (SE) 模式观察,而统计需要的点蚀大小和数量的图片使用SEM的背散射电子 (BSE) 模式观察,使用Image-Pro PLUS软件对BSE模式图片进行识别和统计。对于每一种试验组合,需提供多于30个随机视场供软件进行统计,统计得到点蚀数量后,可计算得到点蚀密度数值。
2 结果与讨论
2.1 正交试验点蚀形貌图
图2表示在按照正交试验设计分组极化之后试样表面点蚀的宏观形貌图。从图中可以看出,经过不同波动参数组合极化后的电极表面会出现大量的、数量不等的点蚀坑。将形貌图中点蚀坑用软件统计得到点蚀密度,用正交方法对其进行分析,可得到不同波动参数对点蚀行为影响程度的大小。

图2 试验后界面宏观点蚀形貌图
2.2 正交试验结果与极差分析
利用正交试验极差分析法可以确定同一因素的不同水平对试验指标的影响,并由此判断影响程度的大小。正交设计试验组号、试验结果及其极差分析见表2。
表2 试验点蚀统计结果及极差分析

表2中相同因素下不同水平量值之和用K值表示,同一因素下Kmax值与Kmin值之差为该因素极差R,电位波动参数的变化对试验结果影响的大小与极差R值呈正相关的关系[14,15],即极差R值越大,该电位波动参数对试验结果影响越大,该波动参数即为最主要的影响点蚀密度因素[16,17]。由表2可见,在认为电位波动因素单独影响点蚀密度的状态下,即不考虑因素间的交互作用情况下,tt对X100管线钢的宏观点蚀密度影响最大,其次是δ,然后是f,而E的影响是最小的。
在试验范围内,f为0.5 Hz,E为-0.95~-0.7 V,δ 50%,tt为3 d时X100管线钢点蚀密度最大,即说明,若在此波动参数组合下对管线钢加载阴极保护,酸性土壤环境中X100管线钢的局部腐蚀 (点蚀) 性最大。在实际出现阴极保护电位波动时候,应避免电位波动参数趋向于该组合,在发现阴极保护电位波动后,需及时干涉,使加载的阴极保护电位趋向平稳,将会大大减少点蚀发生的概率。
为了更直观地反映因素对试验指标的影响规律和趋势,用因素作为横坐标,试验指标的平均值 (K) 作为纵坐标,绘制出因素与指标的趋势图,如图3所示。趋势图可为进一步试验时选择因素水平指明方向。

图3 因素 (f,E,S和tt)-指标趋势图
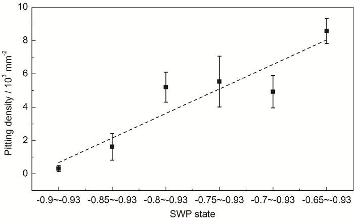
由图3a和d可知,当f减小时,X100管线钢点蚀密度是减少的;而随着tt延长,点蚀密度是增加的,这与作者前期研究相符[13]。在前期研究中,在给定的电位波动频率f下,宏观点蚀密度会随着tt的增加而增大 (如图4)。而在tt确定的情况下,宏观点蚀密度会随着f的下降而下降 (图5)。由图3b可知,当方波波动的El不变时,Eu逐渐正移,点蚀密度会线性增大,这同样符合作者已开展研究的规律[18],如图6所示。

图4 电位总加载时间为1 d时不同电位波动频率下宏观点蚀密度统计图

图5 电位波动半周期为1 s时不同电位总加载时间下宏观点蚀密度统计图

图6 上电位Eu上升时的宏观点蚀密度统计结果
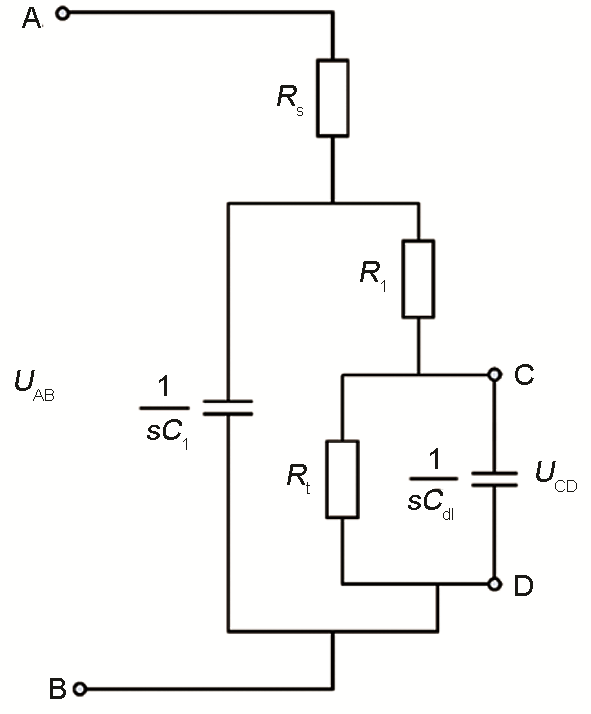
将管线钢所在电极体系抽象为模拟等效电路,如图7所示,其是典型的R(C(R(CR))) 模式的电路[13]。若在电极体系上加载SWP电位时,可以认为电极/溶液双电层处的电位或者电流会发生有规律的变化,这种变化会影响着点蚀行为的规律,即相当于在电路AB端输入SWP信号UAB (s),其在双电层电容处 (即CD端) 的电位或者电流会发生响应变化,电位或者电流变化将使得点蚀行为发生规律性的改变。故根据电路基础知识,可以得到双电层电容处的电位或电流的变化规律,即可从数学上描述和解释点蚀行为发生变化的原因。

图7 电化学体系的等效电路图
当阴极保护电位波动时,可以通过电化学状态反转模型 (ESCM) 来解释点蚀萌生和长大的机理[10]。ESCM认为金属表面有大量的微缺陷,这些缺陷将导致阴极局部附加电位,加强局部的阴极反应[12]。如果阴极反应是由传质过程控制,那么在缺陷处阴极反应物 (如H+,HCO3-,H2CO3等) 比在完整区域消耗更快。在阴极电位场中,缺陷处与非缺陷处均在均匀的双电层中,所有的阴极反应都是与反应物的传质过程平衡,金属并不发生腐蚀。当电位开始波动,双电层结构受到扰动,反应物在缺陷处会比非缺陷处消耗的更快。因此,缺陷处出现一个临时的阳极电位,导致局部阳极溶解成核坑,而非缺陷处仍然受到阴极电位的保护。当电位波动足够大的时候,以至于阴极反应物质在整个电极表面被迅速消耗,则双电层处变为阳极。整个电极因此在阳极溶解状态,尤其在缺陷处有较高的腐蚀速率。如果电位波动长期重复存在的时候,点蚀的生长还将具有自催化作用。
根据前期研究工作[13],电极/溶液界面双电层处的频域电位U (s) 与加载在工作电极上的方波极化电位频域表达式UAB (s) 间有一定的数学函数关系。当SWP其他波动参数不变而频率逐渐增大时,根据推导的方程可知,电极/溶液界面双电层Cdl处的频域电位U (s) 会逐渐正移。U (s) 正移至比X100管线钢在此溶液的自腐蚀电位Ecorr更高的时候,点蚀就会大量发生。电位波动频率f越大,U (s) 正移越多,双电层处的电位就越正,点蚀数量增大,导致点蚀密度上升;而当电位波动频率f非常低时,U (s) 会比Ecorr低很多,在这种情况下,X100管线钢是处于阴极保护状态,点蚀几乎不会发生,故点蚀密度较小。
同样的,当SWP从El阶跃到Eu时,电极/溶液界面双电层会产生脉冲阳极电流,导致钢基体发生微量溶解。当tt延长时,加载在钢基体上的阳极脉冲电流次数会增加,使得X100管线钢发生溶解量逐渐增加,点蚀程度会加重。理论上,tt和X100管线钢点蚀密度间呈线性关系,即在电位波动频率相同的情况下,点蚀密度随SWP电位总加载时间增加。
当波动电位的El不变而Eu变化时,由推导得到的电位方程可知,电极/溶液界面双电层处频域电位U (s) 的尺度函数变化量前的系数是恒正的[18],也就是说当尺度函数变化量为正的时候,上电位会逐渐增加,双电层处频域电位U (s) 随着上电位增加而线性增加,钢基体腐蚀程度加重,点蚀密度增大。
图2c中,当δ为唯一变量,占空比为50%,即上电位与下电位作用时间一样时,钢基体表面的点蚀密度达到最大值。
2.3 正交试验方差分析
正交试验设计的极差分析简单易行,较为直观,但是其精度较差,用以判断因素的作用时缺乏一个定量的标准。而方差分析,可以将试验条件的改变引起的数据波动与实验误差引起的数据波动区分开,也就是说将因素水平的变化引起的实验结果间的差异与误差的波动所引起的实验结果间的差异区分开。其方差分析结果见表3。
表3 正交试验方差分析

由表3可知,电位总加载时间F0.1的数值大于F0.1临界值,表明随着该因素水平的变化,实验指标会对试验结果产生显著影响,并且可信度较高;其余三者F0.1数值较小,表示这三个因素选择不同的水平,实验结果有所改变,但是影响并不明显。
3 结论
(1) 阴极保护电位波动会使酸性土壤环境中X100管线钢产生点蚀,电位波动参数,如电位波动频率 (f )、电位波动幅度 (E)、电位波动占空比 (δ)、电位总加载时间 (tt),对点蚀行为的影响是不同的。
(2) 电位波动参数对宏观点蚀密度影响的顺序为:tt>δ>f>E。当f为0.5 Hz,E为-0.95~-0.7 V,δ为50%和tt为3 d时,X100管线钢点蚀密度最大。
(3) 点蚀密度会随f、E和tt的变大而增加,随δ的变化先增大后减小,在50%时达到最大值。
(4) 对正交结果进行方差分析,tt变化引起宏观点蚀密度的变化最为显著,结果可信度高。
免责声明:本网站所转载的文字、图片与视频资料版权归原创作者所有,如果涉及侵权,请第一时间联系本网删除。
官方微信
《中国腐蚀与防护网电子期刊》征订启事
- 投稿联系:编辑部
- 电话:010-62316606-806
- 邮箱:fsfhzy666@163.com
- 中国腐蚀与防护网官方QQ群:140808414



