摘要:
研究了以铸态AZ31镁合金为阳极材料的镁空气电池在加入了0.5 g/L NaPO3、0.5 g/L十二烷基苯磺酸钠 (SDBS)、0.5 g/L NaPO3+0.5 g/L SDBS作为缓蚀剂的3.5% (质量分数) NaCl电解液中的放电性能,测试了AZ31镁合金在不同缓蚀剂溶液中的自腐蚀速率、动电位极化曲线、EIS谱,并使用SEM观察了阳极材料在不同缓蚀剂溶液中的放电形貌。结果表明,加入缓蚀剂可以较好地抑制析氢腐蚀,提高阳极利用率,弱化阳极极化,提高放电电压。其中在NaPO3+SDBS缓蚀剂溶液中,镁空气电池阳极腐蚀最弱,缓蚀效率可以达到85%,阳极利用率达到43.2%。
关键词: 镁空气电池 ; 缓蚀剂 ; 阳极利用率 ; 放电电压
Mg是一种轻金属,密度为1.74 g/cm3,化学性质活泼,标准电极电位为-2.37 V (vsSHE)。以Mg为阳极组装成电池可以形成较大的工作电压,理论比容量为2205 mAh/g,仅次于金属Li和Al。且Mg及其放电产物无毒、污染小、对环境友好,是一种理想的电极材料[1]。镁空气电池具有高的理论能量密度 (6.8 kWh/kg),高的理论放电电压 (3.09 V),原材料来源丰富及成本低等特点,在移动电子设备电源、海洋水下仪器电源、自主式潜航器电源和备用电源等领域应用前景广阔,被称为21世纪最具有潜力的能源[2,3,4]。
Mg本身化学性质活泼,以镁合金作为阳极在电解液里容易发生析氢腐蚀,从而导致很大部分镁阳极的消耗未用于放电,因而利用率低,电池的能量密度远达不到理论能量密度。此外,由于其反应产物Mg(OH)2在电极表面附着,不能及时脱落,导致镁阳极的溶解不及时,造成电极极化现象,导致镁空气电池放电电压远低于理论放电电压。在电解液里加入适当的缓蚀剂,不仅操作简单而且对镁空气电池的性能有很大的提升。Dinesh等[5]以水溶性石墨烯作为添加剂加入到镁空气电池的电解液中,有效地避免了放电电压的突然下降,而且阳极材料的腐蚀速率明显降低。张赟[6]分别向镁空气电池中加入六次甲基四胺与锡酸钠,其放电电压都有较为明显的提升,比容量分别达到833.74和1029.74 mAh·g-1。按照缓蚀剂的化学组成一般分为有机缓蚀剂与无机缓蚀剂。无机缓蚀剂主要有磷酸盐、硅酸盐、铬酸盐等。其中,硅酸盐容易形成硅垢且成膜时间较长,不利于提高镁空气电池放电电压;铬酸盐有毒,易对环境造成污染。有机缓蚀剂主要包括胺类和醛类等。有学者报道了单独使用有机缓蚀剂十二烷基苯磺酸钠 (SDBS) 对镁合金的缓蚀效率提高不是很明显[7]。因此,有机、无机缓蚀剂混合使用成为镁空气电池研究的一个热点。本实验主要研究了以0.5 g/L NaPO3、0.5 g/L SDBS和0.5 g/L NaPO3+0.5 g/L SDBS作为缓蚀剂对AZ31镁合金阳极材料电化学性能的影响作用,及其所组成镁空气电池的放电性能。
1 实验方法
1.1 实验材料
阳极材料AZ31镁合金为湖南岳阳宇航新材料有限公司生产,其化学成分 (质量分数,%) 为:Al 3.12,Zn 1.04,Mn 0.44,Si 0.006,Fe 0.001,Cu 0.001,Mg余量。用线切割将试样切成40 mm×10 mm×3 mm (用于电池放电测试) 和10 mm×10 mm×8 mm (用于电化学测试和全浸泡实验) 两种尺寸。将切好的试样用400#,800#,1000#,1500#和2000#砂纸依次打磨,最后丙酮除油、酒精清洗,冷风吹干备用。电解液为3.5% (质量分数) NaCl溶液,缓蚀剂分别为0.5 g/L NaPO3,0.5 g/L SDBS和0.5 g/L NaPO3+0.5 g/L SDBS。所用试剂均为分析纯,溶液采用去离子水配制。阴极为自制的空气电极,由防水层、镍网、催化层3层组成,催化剂为MnO2。
1.2 静态失重实验
将准备好的试样称重 (W0)。在加入不同缓蚀剂的溶液中以悬挂的方式浸泡72 h;然后取出,在含铬酸的溶液中清洗5~10 min,除掉表面腐蚀产物;再经去离子水清洗后干燥,称重 (W1)。腐蚀速率V和缓蚀效率IE分别用如下两式计算:

式中,A为试样表面积 (cm2),t为浸泡时间 (h)。V和V0分别是AZ31镁合金在空白溶液 (不添加缓蚀剂的3.5%NaCl溶液) 和加入缓蚀剂的溶液中的腐蚀速率。
1.3 电化学测试
测试采用三电极系统,将准备好的AZ31镁合金用环氧树脂进行密封,裸露面积为1 cm2(工作电极),辅助电极为石墨片,参比电极为饱和甘汞电极 (SCE),电化学工作站为CHI660C。电化学阻抗谱 (EIS) 测定在开路电位下进行,开路电位的测试时间为1000 s,交流激励信号峰值为5 mV,频率范围为105~10-1Hz。极化曲线扫描速率为1 mV/s,扫描范围为-2.0~-1.0 V。将封装好的试样浸入相应溶液中,待体系稳定后进行电化学测试。缓蚀效率IE分别用式 (3) 和 (4) 计算:

式中,I0corr和Icorr分别为AZ31镁合金试样在空白和添加缓蚀剂后3.5%NaCl溶液中的腐蚀电流密度;R0t和Rt分别为等效电路图中AZ31镁合金试样在空白和添加缓蚀剂后3.5%NaCl溶液中的电荷转移电阻。
1.4 电池放电测试
将组装好的镁空气电池以20 mA·cm-2的电流放电300 min,测试系统为CT2001ALAND型放电测试系统。阳极材料在测试前后分别称重,记录放电前后的质量损失。用JSM-5610LV型扫描电镜(SEM)观察试样放电后的腐蚀形貌,用下式计算阳极利用效率:
![]()
式中,i为放电电流 (A),a为放电时间 (S),Ma为镁合金的相对分子质量,F为Faraday常数,Wi和Wf分别为电池放电前后的质量 (g)。
2 结果与讨论
2.1 浸泡失重实验
根据式 (1) 和 (2) 得出AZ31镁合金在不同缓蚀剂溶液中的腐蚀速率与缓蚀速率,如表1所示。可以看出,加入缓蚀剂后,AZ31镁合金的腐蚀速率明显降低。但是,单一添加剂对镁合金的缓蚀效果并不理想,而在NaPO3+SDBS的缓蚀剂溶液中缓蚀效率最高,达到85%。这是因为镁合金的腐蚀主要是由Cl-的侵蚀造成,AZ31镁合金可以与电解液反应生成一层疏松多孔的氧化膜,这层膜不足以抵挡Cl-的侵蚀。当Cl-侵蚀的部位暴露在电解液中,其会与电解液及周围的钝化膜组成小负极、大正极的原电池,从而加速Mg基体的点蚀。当加入NaPO3时,其与电解液中的Mg2+发生反应生成Mg(PO3)2,如式 (6) 所示。Mg(PO3)2的溶度积为1.04×10-24,相比于Mg(OH)2的1.2×10-11要小得多,因此Mg(PO3)2比Mg(OH)2要更易于沉积。沉积在镁合金表面的Mg(PO3)2膜层相对于原始的膜层显得更加致密平整。而SDBS属于吸附型缓蚀剂[8,9],可以吸附在镁基体与Mg(OH)2膜层的表面,形成有效的疏水层,从而阻挡Cl-的侵蚀。当NaPO3与SDBS同时使用时,沉积在基体相的Mg(PO3)2将使原本疏松多孔的膜层更为致密。同时,主要吸附在Mg(OH)2膜层表面、Mg(PO3)2多孔处和镁基体处的SDBS使得这层致密膜层更为稳定,NaPO3与SDBS表现出很好的协同作用,其缓蚀效果达到最好。
表1 AZ31镁合金在不同缓蚀剂溶液中的腐蚀速率与缓蚀效率

图1为AZ31镁合金在含不同缓蚀剂3.5%NaCl溶液中的腐蚀形貌。从图1a中空白溶液的腐蚀形貌可以看出,镁合金出现较多的点蚀坑,腐蚀非常严重。图1b和c为添加单一缓蚀剂溶液中的腐蚀形貌,可看出点蚀坑变小,明显可见砂纸打磨过的痕迹,但是其缓蚀效果并不是很明显。图1d为AZ31镁合金在NaPO3+SDBS作为缓蚀剂的溶液中的腐蚀形貌。可见,腐蚀非常均匀,未观察到点蚀坑,缓蚀效果最好。该结果与表1所得到的腐蚀速率和缓蚀效率都十分吻合。

图1 AZ31镁合金在添加不同缓蚀剂的3.5%NaCl溶液中的腐蚀形貌
2.2 电化学测试结果
2.2.1 动电位极化
图2为AZ31镁合金在不同缓蚀剂溶液中的Tafel曲线。可以看出,加入缓蚀剂后,自腐蚀电位Ecorr均负移,活化性能得到提高,说明缓蚀剂的加入可以提高电池的放电电压。在含NaPO3+SDBS缓蚀剂溶液中,阳极极化曲线上出现了明显的钝化平台;电位约为-1.49 V时,电流迅速增大,表现出钝化膜的破坏,此电位即点蚀电位。阴极极化曲线在添加缓蚀剂前后从形状上来说是相似的,这也就意味着阴极析氢反应过程类似[10]。根据Tafel外推法在强极化区拟合的数据见表2所示。腐蚀电流密度随着添加剂的加入表现出减小的趋势,在NaPO3+SDBS缓蚀剂溶液中腐蚀电流密度达到最小 (2.616×10-5A·cm-2)。根据式 (3) 计算得到的缓蚀效率可知,在两种缓蚀剂溶液都加入的情况下,其缓蚀效率达到92.2%,这与静态失重法获得的缓蚀效率的数据并不是完全的一致。这是因为电化学方法计算的是瞬时腐蚀速率,静态失重法算获得的是浸泡72 h的平均腐蚀速率,但缓蚀效果总体趋势变化是一致的。

图2 AZ31镁合金在不同缓蚀剂溶液中的Tafel曲线
表2 AZ31镁合金在不同缓蚀剂溶液中的Tafel曲线拟合数据

2.2.2 电化学阻抗谱
图3为AZ31镁合金在含不同缓蚀剂3.5%NaCl溶液中的Nyquist图。可以看出,在空白溶液以及含单一NaPO3或SDBS缓蚀剂溶液中,AZ31镁合金的阻抗谱相似,在高频区域为容抗弧,低频区域为感抗弧。感抗弧的出现表明阳极溶解过程中存在中间产物[11]。而在NaPO3+SDBS缓蚀剂溶液中,阻抗谱的高、低频均为容抗弧,表明电极表面由膜完整覆盖。高频容抗弧是由Rt及双电层界面电容CPE组成的阻容弛豫过程引起,弧半径的大小反映了腐蚀阻力的大小[12]。随着缓蚀剂的加入,高频容抗弧半径明显增大,说明溶液传递电阻逐渐增大,耐蚀性变好。

图3 AZ31镁合金在含不同缓蚀剂溶液中的Nyquist图
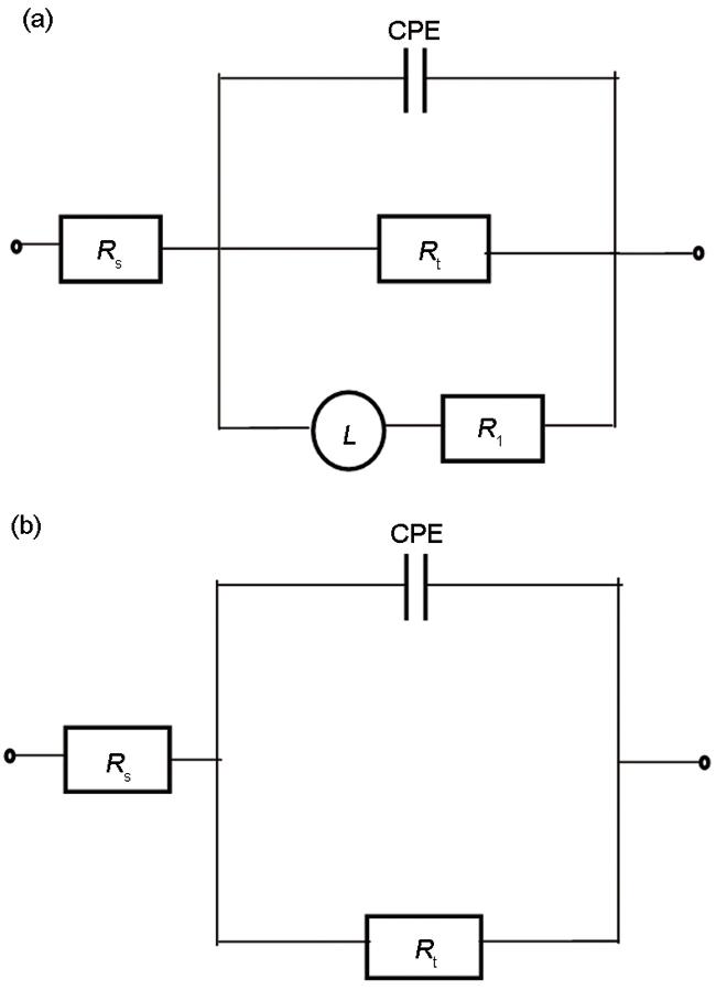
图4a为AZ31镁合金在空白溶液以及添加单一NaPO3或SDBS缓蚀剂溶液中的等效电路,图4b为在复合添加NaPO3+SDBS缓蚀剂溶液中的等效电路。其中,Rs为溶液电阻,L为电感,R1为膜值电阻。表3为拟合得到的阻抗谱数据。可以看出,随着电解液中缓释剂的加入,Rt明显增加。根据式 (4) 计算可知,AZ31镁合金在含NaPO3+SDBS的溶液中缓蚀效率最高,达到90%。

图4 AZ31镁合金在含不同缓蚀剂溶液中的等效电路图
表3 AZ31镁合金在不同缓蚀剂溶液中等效电路图的拟合数据

2.3 电池放电测试
图5为AZ31镁合金作为阳极材料与自制阴极以及不同电解液所组成的镁空气电池,在20 mA·cm-2电流密度下放电60~300 min的恒流放电曲线,图中插图为0~300 min的放电曲线。可以看出,电池放电初期电压降低,这是所谓的“电压滞后”现象[13]。其实质是因为Mg负极电化学活性较高,与电解液会生成一层钝化膜,电池刚开始工作的时候,钝化膜的存在阻碍了放电反应的正常进行;当电流击穿这层钝化膜后,反应才能顺利进行,经过一小段时间电池达到正常的工作电压。所组装成的4种空气电池放电性能参数如表4所示。可以看出,随着缓蚀剂的加入,镁空气电池的放电电压有一个增高的趋势,其中在同时加入两种缓蚀剂的情况下,放电电压达到最高 (1.081 V),阳极极化现象得到很好的弱化,腐蚀得到较好的抑制,提高了阳极利用率,达到43.5%,提高了6.9%。

图5 不同电解液镁空气电池在20 mA·cm-2条件下的放电曲线
表4 不同电解液镁空气电池在20 mA·cm-2条件下的放电参数

图6为AZ31镁合金与不同电解液组成的镁空气电池以20 mA·cm-2的电流密度放电300 min后的形貌。镁空气电池的放电形貌与放电性能有很大的关系[14,15,16]。可以看出,每种材料表面都有细小的裂缝,这些细小裂缝的存在保证镁基体与电解液有效的接触,以保证反应的正常进行。同时也可以看到,阳极表面有放电产物堆积 (如箭头所示)。从图6a看出,放电产物大量堆积而且呈片状结构,这些放电产物会堵在阳极表面的裂缝上阻碍放电反应的正常进行,导致阳极极化的发生,此外还会导致镁空气电池的内阻变大,电池放电电压较低。图6b和c分别为加入NaPO3与SDBS的放电形貌。可以看出,放电产物在试样表面的累积量明显减少,但仍然呈大片状结构。图6d为加入NaPO3+SDBS的放电形貌。可以看出,这两种缓蚀剂都加入后堆积产物明显减少,片状的放电产物被细化成微小颗粒,从而弱化极化作用,保证电池反应的正常进行,所以该镁空气电池的放电电压会有明显的提升。

图6 不同电解液镁空气电池以20 mA·cm-2的电流密度放电300 min的放电形貌
3 结论
(1) 添加0.5 g/L NaPO3+0.5 g/L SBDS对AZ31镁合金在3.5%NaCl溶液中具有较好的缓蚀效果,较好地抑制腐蚀,缓蚀效率达到85%。以0.5 g/L NaPO3+0.5 g/L SDBS作为缓蚀剂加入到所组成的镁空气电池中,阳极利用率达到43.2%。
(2) 0.5 g/L NaPO3+0.5 g/L SBDS缓蚀剂的加入,可以减少镁空气电池放电产物的堆积,细化放电产物颗粒从而弱化阳极极化,提高放电电压。以20 mA·cm-2的电流密度进行放电时,电压可达到1.081 V。
免责声明:本网站所转载的文字、图片与视频资料版权归原创作者所有,如果涉及侵权,请第一时间联系本网删除。
官方微信
《中国腐蚀与防护网电子期刊》征订启事
- 投稿联系:编辑部
- 电话:010-62316606-806
- 邮箱:fsfhzy666@163.com
- 中国腐蚀与防护网官方QQ群:140808414



