事故背景
某油井于2016年7月投产,该井最大井斜为75°,井斜深度为2851m,井垂深度为1595.01m,油井内采出原油中H2S质量浓度为116mg·L-1,CO2质量分数约为8%,油田地面原油为重质油,油层温度为53~64℃,地层水矿化度为10625mg·L-1。油井的生产层位为60~100,无注水支持,自投产以来共进行了两次酸化作业。2018年该井日产油体积为37m3·d-1,日产气体积为198.2m3·d-1,日产水体积为0.48m3·d-1,其中水的质量分数为1.1%。2018年1月工作人员在油井起出管柱和下管柱作业时发现距井口2432.56m处的2-7/8″油管存在多处腐蚀并穿孔,该油管材料为L80钢。
为查明该油管腐蚀穿孔的原因,笔者对其进行了检验和分析。
理化检验
宏观观察
宏观观察发现,2-7/8″油管处于4号封隔器以上的环空部分,且有50°左右的井斜。油管腐蚀段长度为5.85m,油管表面附有红褐色和黄褐色的腐蚀产物层和油渍。在距离油管顶端0.9m处有两个明显的腐蚀孔,分别呈雨滴状(最大直径为1.5mm)和椭圆形(长轴长度约为4mm,短轴长度约为2mm),腐蚀孔四周管壁由外向内减薄,且管壁表面附有质地疏松的腐蚀产物,如图1所示。

图1 油管腐蚀孔宏观形貌
油管失效段外壁有多处裂纹,如图2所示。

图2 油管外壁裂纹处宏观形貌
分别用石油醚和酒精清洗油管外壁后,裂纹处的腐蚀产物脱落,形成了新的腐蚀孔或腐蚀坑,如图3所示。

图3 油管清洗前后的宏观形貌
将油管在腐蚀孔密集区域沿轴向对半剖开,由图4可见,油管内壁未腐蚀,但在剖面上存在腐蚀坑,且腐蚀由管外向管内的扩展,呈现出向外腐蚀特征。

图4 油管内壁宏观形貌
化学成分分析
在失效油管未腐蚀处取样,根据API SPEC 5CT-2018 Casing and Tubing进行化学成分分析。
表1 失效油管的化学成分(质量分数)%

由表1可见,油管正常管段的化学成分符合技术要求。
金相检验
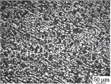
在失效油管的完好部位取样,试样经镶嵌、研磨、抛光,使用体积分数为4%的硝酸酒精溶液浸蚀后,根据GB/T 13298-2015?金属显微组织检验方法?采用Zeiss observer A1m型金相倒置显微镜观察显微组织。

图5 失效油管的显微组织形貌
由图5可见,油管的显微组织为铁素体+珠光体,未见明显的夹杂物。正常情况下,L80钢显微组织为回火索氏体+极少量铁素体+极少量屈氏体。回火索氏体是马氏体在500~650℃时回火形成的以铁素体为基体且内部分布着碳化物 (包括渗碳体)球粒的复相组织,具有更好的力学性能。由此可见,失效油管金相组织异常。
能谱分析
分别取失效油管外壁表面裂纹处、油管外壁腐蚀孔处、外壁表面黄色处和外壁表面红色处腐蚀产物试样,分别编为1,2,3,4号,采用OXRORD X-MaxN型能谱仪(EDS)对上述试样进行微区成分分析,分析位置和分析结果分别如图6和表2所示。

图6 失效油管EDS分析位置
表2 失效油管EDS分析结果(质量分数)%

由表2可见,1~4号试样中铁、氧、碳、硅、铝含量均较高,推测其中存在铁的氧化物、铁碳酸盐及砂石成分;1~4号试样中均含有少量的氯和硫,2号试样中含有较多的氟。
物相分析
在1,3,4号试样中先后加入石油醚和酒精,分别进行过滤、干燥处理后采用D8 Advance型X射线衍射仪对1~4号试样进行X射线衍射(XRD)测试,扫描角度2θ为3°~80°,采样步宽为0.02,波长为1.54056nm,结果如图7所示。

图7 1~4号试样的XRD测试结果与标准图谱对比
可见1号试样的主要物相为Fe3C、FeS,2号试样主要物相为Fe3C、Al(OH,F)3、FeS,3号试样主要物相为FeCO3、CaMg(CO3)2、SiO2,4号试样主要物相为SiO2、Fe3O4、FeCO3。
拉伸性能测试
根据API SPEC 5CT-2018,在失效油管未腐蚀部位截取尺寸为19mm(宽度)×50.8mm(标距)的试样,采用ZWICK Z600型双立柱万能材料试验机进行拉伸性能测试,结果如表3所示。
表3 失效油管拉伸性能测试结果

可见失效油管除了屈服强度低于API SPEC 5CT-2018的要求之外,其抗拉强度和断后伸长率均符合该标准的要求。
分析与讨论
由化学成分分析结果可知,失效油管的化学成分符合相关标准的要求。由能谱分析结果可知,腐蚀产物中存在碳、氧、硫、氯、氟,表明失效油管所处环境存在H2S、CO2、Cl-和F-等促进腐蚀的因素。
由物相分析结果可知,油管大面积脱落的疏松物质(腐蚀产物)主要成分是Fe3C,同时还有FeS、铁的氧化物、Al(OH)3和FeCO3。为提高油井产能,生产人员采用酸化作业来清除井筒孔眼中酸溶性颗粒、钻屑和结垢。当酸化作业结束后,未排净的残酸和原油在封隔器以上的环空底部,油管处于封隔器以上的环空部分。由于油管内壁和外壁处原油流速不同,在油管外壁形成了“静止”的区域,形成液体滞留区,而在油管内壁处原油是流动态,腐蚀速率相对缓慢,因此油管外壁先发生腐蚀。残酸中含有的H+、Cl-、F-等易诱发和促进腐蚀的离子,形成了电解质溶液。
腐蚀初期,铁在电解质溶液中首先发生了溶解,由于L80钢中的铁素体比Fe3C具有更负的电位,在腐蚀过程中铁素体相作为阳极优先溶解,Fe3C作为阴极保留下来并积聚在试样表面,形成了疏松的Fe3C。随着腐蚀时间的延长,Fe2+和CO23-的浓度超过FeC3的溶度积,从而在油管外壁表面沉积形成FeCO3保护膜,但是由于Cl-、F-吸附在油管外壁表面,这妨碍形成完整的FeCO3保护膜,而地层中存在的Ca2+、Mg2+置换FeCO3晶体点阵的Fe2+导致晶格畸变形成CaMg(CO3)2,这进一步降低了腐蚀产物的致密性。
由于油管外壁附着的不均匀的腐蚀产物和无机盐垢不致密,缺氧区的垢下金属会与垢外富氧的阴极区产生电位差形成腐蚀电流,垢下金属进一步发生阳极溶解,加速金属腐蚀。虽然环境中的H2S不直接参加阴极反应,但是会作为加速氢离子放电的催化剂加速反应。由于在环空的底部的残酸和原油处于相对静止状态,油管表面附着的微生物会释放出部分H2S,加上油管所处环境中H2S含量较高,因而发生H2S腐蚀形成FeS附着于油管外壁表层。
外壁附着的黄色腐蚀产物中有SiO2和CaMg(CO3)2,由此可推测油管外壁表面存在泥沙(酸化作业时由地层返排至环空部位),存在垢下腐蚀。通常情况下,当原油中含水率大于40%时,油管发生CO2腐蚀的倾向才较大,而该油井原油含水量小于10%,发生CO2腐蚀的倾向不大。腐蚀产物中存在一定量的CO2腐蚀产物,推测是由于油气开采时伴生CO2溶解于水中与铁腐蚀的中间产物发生反应所导致。
失效油管的显微组织为珠光体+马氏体,并非L80钢正常的显微组织(回火索氏体+极少量铁素体+极少量屈氏体),结合失效油管力学性能测试结果可知,油管材料的屈服强度偏低,随着铁在电解质中不断溶解,在环空压力和油井液柱压力的共同作用下,疏松多孔的Fe3C和与钢铁表面粘合力差的FeS被“压迫”在油管外壁的腐蚀坑处,腐蚀介质由外向内渗透,导致腐蚀进一步向管壁内表面发展,而外表面却保持比较完整。当油管的管壁被全部腐蚀,在油井液柱压力的作用下,疏松的腐蚀产物脱落,油管就形成了大面积的腐蚀孔直至腐蚀出现穿孔。
结论及建议
L80钢油管失效管段处于相对静态的环空区域,在CO2腐蚀、H2S腐蚀和垢下腐蚀综合作用下,油管外壁形成不致密腐蚀产物,残酸中含有的H+、Cl-、F-等离子加速了腐蚀进程,在油管外壁形成腐蚀坑,当油管的管壁被全部腐蚀,在油井液柱压力的作用下,疏松的腐蚀产物脱落,油管就形成了腐蚀孔直至腐蚀出现穿孔。
建议加强对油管材料的控制,同时严格控制酸化作业过程,减少酸液的残留。
免责声明:本网站所转载的文字、图片与视频资料版权归原创作者所有,如果涉及侵权,请第一时间联系本网删除。
官方微信
《中国腐蚀与防护网电子期刊》征订启事
- 投稿联系:编辑部
- 电话:010-62316606-806
- 邮箱:fsfhzy666@163.com
- 中国腐蚀与防护网官方QQ群:140808414



