淬火裂纹是指在淬火过程中或在淬火后的室温放置过程中产生的裂纹。后者又叫时效裂纹。造成淬火开裂的原因很多,在分析淬火裂纹时,应根据裂纹特征加以区分。

淬火裂纹
在淬火过程中,当淬火产生的巨大应力大于材料本身的强度并超过塑性变形极限时,便会导致裂纹产生。淬火裂纹往往是在马氏体转变开始进行后不久产生的,裂纹的分布则没有一定的规律,但一般容易在工件的尖角、截面突变处形成。
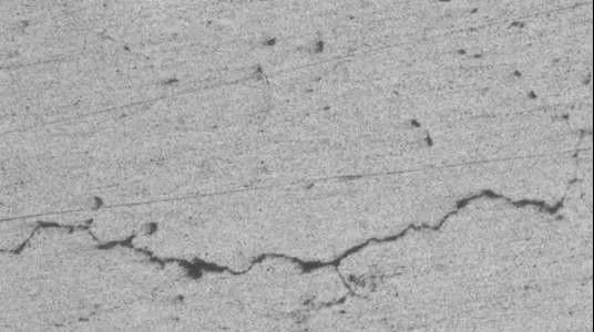
在显微镜下观察到的淬火开裂,可能是沿晶开裂。也可能是穿晶开裂;有的呈放射状,也有的呈单独线条状或呈网状。
穿晶开裂
因在马氏体转变区的冷却过快而引起的淬火裂纹,往往是穿晶分布,而且裂纹较直,周围没有分枝的小裂纹。

因淬火加热温度过高而引起的淬火裂纹,都是沿晶分布,裂纹尾端尖细,并呈现过热特征:结构钢中可观察到粗针状马氏体;工具钢中可观察到共晶或角状碳化物。

沿晶裂纹
既有平直又有曲折部分。部分是穿晶,部分是沿晶裂纹。

表面脱碳的高碳钢工件,淬火后容易形成网状裂纹。这是因为,表面脱碳层在淬火冷却时的体积胀比未脱碳的心部小,表面材料受心部膨胀的作用而被拉裂呈网状。
非淬火裂纹
淬火后发生的裂纹,不一定都是淬火所造成的,可根据下面特征来区分:淬火后发现的裂纹,如果裂纹两侧有氧化脱碳现象,则可以肯定裂纹在淬火之前就已经存在。
淬火冷却过程中,只有当马氏体转变量达到一定数量时,裂纹才有可能形成。与此相对应的温度,大约在250℃以下。在这样的低温下,即使产生了裂纹,裂纹两侧也不会发生脱碳和出现明显氧化。所以,有氧化脱碳现象的裂纹是非淬火裂纹。如果裂纹在淬火前已经存在,又不与表面相通,这样的内部裂纹虽不会产生氧化脱碳,但裂纹的线条显得柔软,尾端圆秃,也容易与淬火裂纹的线条刚健有力,尾端尖细的特征区别开来。
磨削裂纹

金属经热处理淬火后或渗碳淬火零件,在磨削时与磨削方向基本垂直的表面常常出现的裂纹。
磨削裂纹的特征 : 磨削裂纹形状特别,仅发生在磨削面上,与淬火裂纹在宏观上观察明显不同,且磨削裂纹深度较浅。较轻的磨削裂纹垂直于或接近垂直于磨削方向呈平行分布,称之为第Ⅰ类裂纹。较严重的裂纹呈龟甲状,称之为第Ⅱ类裂纹,习惯上叫做龟裂。其深度大致为0.03-0.20mm。用酸浸蚀后裂纹更加明显易见。
实例探讨
一:轴,40Cr,经锻造、淬火后发现裂纹。裂纹两侧有氧化迹象,金相检验,裂纹两侧存在脱碳层,而且裂纹两侧的铁素体呈较大的柱状晶粒,其晶界与裂纹大致垂直。
结论:裂纹是在锻造时形成的非淬火裂纹。
当工件在锻造过程中形成裂纹时,淬火加热即引起裂纹两侧氧化脱碳。随着脱碳过程的进行,裂纹两侧的碳含量降低,铁索体晶粒开始生核。当沿裂纹两侧生核的铁素体晶粒长大到彼此接触后,便向离裂纹两侧较远的基体方向生长。由于裂纹两侧在脱碳过程中碳浓度的下降,也是由裂纹的开口部位向内部发展,因而为铁素体晶粒的不断长大提供了条件,故最终长大为晶界与裂纹相垂直的柱状晶体。
二:半轴套座,40Cr,淬火后出现开裂。金相检验,裂纹两侧有全脱碳层,其中的铁素体呈粗大柱状晶粒,并与裂纹垂直。全脱碳层内侧的组织为板条马氏体加少量托氏体,这种组织是正常淬火组织。
结论:在加工过程中未经锻造,因此属原材料带来的非淬火裂纹。
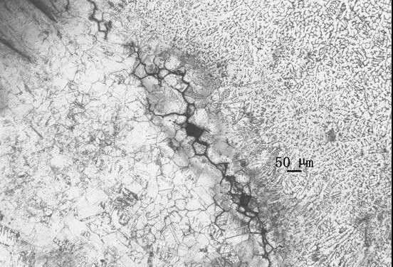
三:齿轮铣刀,高速钢,淬火后在内孔壁上出现裂纹。金相检验,发现裂纹附近的碳化物呈不均匀的带状分布。
结论:这是由于组织不均匀所造成的淬火裂纹。
当钢的显微组织中存在碳化物聚集时,这些地方碳和合金元素的含量比较高,造成临界温度降低。因此,即使是在正常的温度下进行淬火加热,对于碳化物聚集处来讲,加热温度已显得过高了。其结果是这些地方出现过热组织,降低了钢的强度,淬火冷却时,在应力作用下产生开裂。
高速钢的碳化物不均匀性是这种钢的重要质量指标之一。为减少或预防这类缺陷发生,冶金厂和使用厂都在不断采取措施,如使用厂用改锻工艺来均匀组织。当碳化物不均匀性的改善程度受到限制时,可在保证硬度的前提下采用较低淬火加热温度来避免过热组织产生。
四:W18Cr4V钢制模具,高温盐浴中加热后油冷,发现开裂。
从裂纹特征上看是冷却过快所致。因工件截面较大,冷却时内外温差也大,当表面转变为马氏体时,内部仍处于奥氏体状态,以后的冷却过程中才逐步转变为马氏体,致使表层受内部体积胀大的作用承受很大的拉应力而开裂。因此,可以判断为淬火裂纹。
更多关于材料方面、材料腐蚀控制、材料科普等方面的国内外最新动态,我们网站会不断更新。希望大家一直关注中国腐蚀与防护网http://www.ecorr.org
责任编辑:殷鹏飞
《中国腐蚀与防护网电子期刊》征订启事
投稿联系:编辑部
电话:010-62313558-806
邮箱:fsfhzy666@163.com
中国腐蚀与防护网官方 QQ群:140808414
免责声明:本网站所转载的文字、图片与视频资料版权归原创作者所有,如果涉及侵权,请第一时间联系本网删除。
官方微信
《中国腐蚀与防护网电子期刊》征订启事
- 投稿联系:编辑部
- 电话:010-62313558-806
- 邮箱:fsfhzy666@163.com
- 中国腐蚀与防护网官方QQ群:140808414



