
金属材料
1、某电厂1号机系北京重型电机厂制造的冲动凝汽式汽轮机,其高压转子第8级叶片材料为2Cr13。1998年4月大修揭盖后发现该级叶片有一段围带残缺约10cm长,有一个叶片在根部断裂丢失,部分围带铆钉头有弹起现象。修复工作由电厂委托北京重型电机厂进行,其修复过程为:拆除5段围带及43片叶片,更换断裂和受损的2个叶片及损坏的2段围带,复装后叶片与围带采用焊接固定,并对2段围带铆钉头弹起的部位进行打磨后焊补,修后机组恢复运行。2000年5月7日,汽轮机出现异常响声,且振动不断加剧,揭缸后发现高压转子第8级叶片丢落19个,部分围带脱落,第9级叶片及8、9、10级部分隔板磨损变形。对照1998年4月大修记录,发现此次丢落的19个叶片大部分为当时修复处理过的叶片。由于此次叶片断裂事故对转子损伤较为严重,故把整个转子送到制造厂修复。

图1叶片断裂示意图

图2 疲劳源及裂纹扩展(10x)
2 检查、试验
2.1 宏观检查
检查发现丢落的19个叶片的断裂部位均位于叶片倒/形槽根部的横断面上(见图1)。
肉眼观察断口表面呈红褐色和灰褐色,有锈斑。断口平坦并分成两个区,其中大面积区呈光滑状,小面积区呈纤维状,个别断口几乎全部呈光滑状。拆卸时发现叶片根部装配较松,极易取下。
2.2 断口微观检查
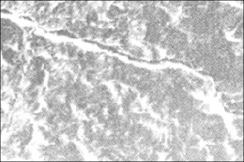
断口经超声波清洗干净后在扫描电镜下先以低倍(10倍)观察,发现有典型的疲劳断裂特征,即有三个区域组成:疲劳源,疲劳裂纹扩展区(颗粒状脆性断裂区)和最终快速断裂韧性纤维区,其中疲劳源和疲劳裂纹扩展区占大部分面积。图2为疲劳源和疲劳裂纹扩展区,从中能明显观察到贝壳状条纹,这是疲劳断裂典型特征。进一步放大观察发现断口有类似台阶式线段(见图3、4),这些线段不是平滑的,它是疲劳过程引起不稳定滑移面上快速的裂纹扩展造成的。此外,还能观察到裂纹的存在,且从源区向心部发展。在疲劳裂纹扩展区,则能观察到颗粒状脆性断裂特征(见图5)。断口开裂以穿晶断裂为主,无沿晶断裂迹象,也没有介质腐蚀引起的应力腐蚀断口形貌。这说明快速断裂区是以韧窝为主的塑性断裂。

图3 疲劳源区

图4疲劳远处的裂纹(150x)
2.3 化学成分
分析损坏叶片取样分析结果见表1。从表1可以看出,损坏叶片材料的化学成分合格。

表1 损坏叶片材料的化学成分 %
2.4 硬度测试
断裂叶片根部侧面布氏硬度测试结果见表2。表2表明,断裂叶片的硬度值略偏高,推测叶片材料的强度较高。

2.5 冲击试验

2.6 金相检查
选取断裂叶片根部侧面进行金相检查分析,首先对未浸蚀的试样表面进行检查,发现其中一个倒<形槽的根部还存在微裂纹(微裂纹平直且走向平行于断口表面)。用氯化铁盐酸水溶液浸蚀试样表面后观察其金相组织为具有位向的回火索氏体(见图6),图7为带微裂纹处的金相照片,组织状态正常。

图6断裂叶片根部的金相组织(400x)

叶片根部拐角处的金相组织(400x)
3 分析
(1)断裂叶片的金相组织为正常的回火索氏体,材料化学成分合格,主要性能指标也基本正常。
(2)叶片断裂部位在倒/形槽根部的横断面上,亦即在应力集中部位,是裂纹源萌生地,断口具有典型的疲劳断裂特征,裂纹扩展属穿晶走向。
(3)叶片根部疲劳断裂与装配质量有关,高压转子叶片安装时通常要求根部紧配合,但裂断的第+级叶片根部却是松配合,遂导致叶片在运行过程中产生振动并传至根部,根部与叶轮槽表面产生摩擦,从而使根部表层晶粒持续滑移带极易萌生裂纹,即产生疲劳源,随后裂纹不断扩展,最终造成根部疲劳断裂。
(4)断裂的19个叶片中,大部分断口都属于疲劳断口,这表明在叶片发生大面积断裂前,其根部已产生或大或小的疲劳裂纹,最后导致部分叶片先断裂,并引起其余叶片提前断裂。
4 结论
该电厂1号机高压转子第+级叶片大面积断裂的主要原因是装配时叶片根部间隙偏大,在运行过程中叶片振动引起根部产生疲劳裂纹源,随着疲劳裂纹的不断扩展,最终导致叶片疲劳断裂。
责任编辑:班英飞
《中国腐蚀与防护网电子期刊》征订启事
投稿联系:编辑部
电话:010-62313558-801
邮箱:ecorr_org@163.com
中国腐蚀与防护网官方 QQ群:140808414
免责声明:本网站所转载的文字、图片与视频资料版权归原创作者所有,如果涉及侵权,请第一时间联系本网删除。
-
标签: 金属材料
官方微信
《腐蚀与防护网电子期刊》征订启事
- 投稿联系:编辑部
- 电话:010-62316606-806
- 邮箱:fsfhzy666@163.com
- 腐蚀与防护网官方QQ群:140808414



