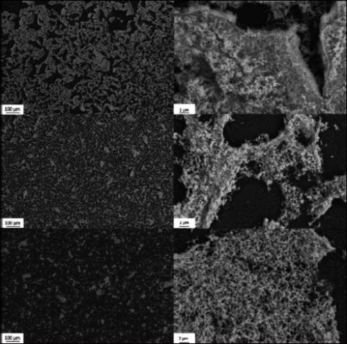
美国布朗大学工程学院研究人员利用他们创建的石墨烯模板,成功合成出具有褶皱和凹裂结构的超薄金属氧化物纳米结构,并证明这些织纹结构能显著改进光催化剂和电池电极的性能。


该研究团队之前曾成功在氧化石墨烯单层纳米材料上引入褶皱和凹裂结构,从而大大增强了石墨烯的抗水性和导电性。但他们想用同样方法增强金属氧化物等材料性能时却遇到困难:引入褶皱结构需要从多个方向对石墨烯多次施压,而金属氧化物太硬,这种施压过程会使其断裂,无法操作。“于是,我们尝试用褶皱的石墨烯层作为模板,结果制作出褶皱的金属氧化物薄膜。”领导该研究的博士后研究员陈伯彦(音译)说。
陈伯彦团队将石墨烯沉积到受热会收缩的聚合物底层上,底层在收缩过程中会将石墨烯挤向顶层,形成褶皱或凹裂结构。然后移走底层,在石墨烯褶皱层下面留下空置层,将褶皱的石墨烯层放到带正电的金属离子水溶液中。带负电石墨烯会将金属离子吸引到层间空位,在那里键合成与石墨烯层一样的褶皱或凹裂结构,最后将石墨烯氧化挥发,留下褶皱的金属氧化物层。
他们用这种石墨烯模板制成了锌、铝、镁和铜等不同金属氧化物的复杂结构。由于石墨烯压缩过程可以沿多个方向多次施压,从而获得不同的褶皱结构。
检测表明,新结构的褶皱表面能增强金属氧化物的性能,如褶皱氧化镁电极的导电性能是平层的4倍,凹裂结构氧化锌对光催化反应的催化性能也是平层的4倍。陈伯彦表示,新方法除了可用来改进金属氧化物的性能,还可用来研制不同性能的超级薄膜及全新二维材料。
更多关于材料方面、材料腐蚀控制、材料科普等方面的国内外最新动态,我们网站会不断更新。希望大家一直关注中国腐蚀与防护网http://www.ecorr.org
责任编辑:刘洋
投稿联系:编辑部
电话:010-62313558-806
邮箱:fsfhzy666@163.com
中国腐蚀与防护网官方 QQ群:140808414
免责声明:本网站所转载的文字、图片与视频资料版权归原创作者所有,如果涉及侵权,请第一时间联系本网删除。
-
标签: “织纹”结构, 金属氧化物, 纳米薄膜, 石墨烯, 美国布朗大学工程学院
官方微信
《中国腐蚀与防护网电子期刊》征订启事
- 投稿联系:编辑部
- 电话:010-62316606-806
- 邮箱:fsfhzy666@163.com
- 中国腐蚀与防护网官方QQ群:140808414



